Texas Instruments OPAx187 Nullpunktdrift-Operationsverstärker
Die Operationsverstärker OPAx187 von Texas Instruments wenden eine Nullpunktdrift-Technik an, um gleichzeitig eine niedrige Offsetspannung (1 µV) und beinahe Nullpunktdrift über Zeit und Temperatur zu liefern. Diese Miniatur-Präzisionsverstärker mit niedrigem Ruhestrom bieten eine hohe Eingangsimpedanz und eine Schiene-zu-Schiene-Ausgangsschwingung innerhalb 5 mV der Schienen in hohe Impedanzlasten. Im Eingangsgleichtaktbereich ist die negative Schiene enthalten. Es kann entweder eine Einzel- oder Dual-Versorgung im Bereich von +4,5 V bis +36 V (±2,25 V bis ±18 V) verwendet werden. Die Einzelversion des Bauteils OPAx187 ist in einem winzigen 8-poligen VSSOP-, 5-poligen SOT-23- und 8-poligen SOIC-Gehäuse erhältlich. Der OPA2388 (Dual-Version) wird in einem 8-poligen VSON-, 8-poligen VSSOP- und 8-poligen SOIC-Gehäuse angeboten. Die Quad-Version wird in einem 14-Pin-TSSOP- und 14-Pin-SO-Gehäuse angeboten.Merkmale
- Niedrige Offsetspannung: max. 10 µV
- Nullpunktdrift: 0,005 µV/°C
- Rauscharm: 20 nV/√Hz
- PSRR: 160 dB
- CMRR: 140 dB
- AOL: 160 dB
- Ruhestrom: 100 µA
- Breiter Versorgungsbereich: ±2,25 V bis ±18 V
- Schiene-zu-Schiene-Ausgangsbetrieb
- Eingang beinhaltet negative Rail
- Niedriger Ruhestrom: 100 pA (Typ.)
- EMI-gefilterte Eingänge
- Winziges Gehäuse
Applikationen
- Brücken-Verstärker
- Dehnungsmessstreifen
- Prüf- und Messgeräte
- Wandlerapplikation
- Temperaturmessung
- Elektronische Waagen
- Medizinische Messgeräte
- RTD-Verstärker
- Aktive Präzisionsfilter
- Low-Side-Stromüberwachung
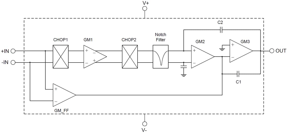
Funktionales Blockdiagramm
Veröffentlichungsdatum: 2017-02-10
| Aktualisiert: 2022-03-28
