Texas Instruments LV14360 60-V-Abwärtsregler mit 3 A
Der Texas Instruments LV14360 60 V 3 A Abwärtsregler wird mit einem integrierten High-Side-MOSFET geliefert. Mit einem breiten Eingangsbereich von 4,3 V bis 60 V eignet sich das Bauteil für verschiedene Industrie- und Fahrzeuganwendungen für die Leistungsregelung von ungeregelten Quellen. Der Ruhestrom des Reglers beträgt 300µA im Ruhemodus, wodurch er sich hervorragend für batteriebetriebene Systeme eignet. Ein extrem niedriger Strom von 1µA im Abschaltmodus kann die Batterielaufzeit weiter verlängern. Ein großer einstellbarer Schaltfrequenzbereich ermöglicht die Optimierung des Wirkungsgrads oder der Größe externer Komponenten. Die interne Regelkreiskompensation bedeutet, dass der Benutzer von der mühsamen Aufgabe der Entwicklung einer Schleifenkompensation befreit ist. Diese Funktion reduziert außerdem die Anzahl der externen Komponenten des Bauteils. Ein Präzisionsfreigabeeingang ermöglicht eine Vereinfachung der Reglersteuerung und der Systemleistungssequenzierung. Darüber hinaus verfügt das Bauteil über integrierte Schutzfunktionen, wie z. B. Zyklus-für-Zyklus-Strombegrenzung, thermische Erkennung, Abschaltung aufgrund übermäßiger Verlustleistung und Ausgangsüberspannungsschutz. Der LV14360 von Texas Instruments ist in einem 8-pin-4,89 mm- × 3,9 mm-HSOIC-Gehäuse mit einem freiliegenden Pad für einen niedrigen thermischen Widerstand verfügbar.Merkmale
- 4,3 V bis 60 V Eingangsbereich
- Dauerausgangsstrom: 3 A
- Betriebsruhestrom: 300 µA
- 155-mΩ-High-Side-MOSFET
- Strommodus-Steuerung
- Einstellbare Schaltfrequenz von 200 kHz bis 2 MHz
- Frequenzsynchronisierung zu einem externen Taktgeber
- Interne Kompensation für eine einfache Verwendung
- Unterstützung von Betrieb mit hohem Tastverhältnis
- Präzisionsfreigabeeingang
- Abschaltstrom: 1 µA
- Kurzschluss-Sicherung und Übertemperatur-, Überspannungsschutz
- 8-Pin-HSOIC-Gehäuse mit PowerPAD™
Applikationen
- Industrienetzteile
- Kommunikationsgeräte und Datenkommunikationsmodule
- Große VIN -Universalregelung
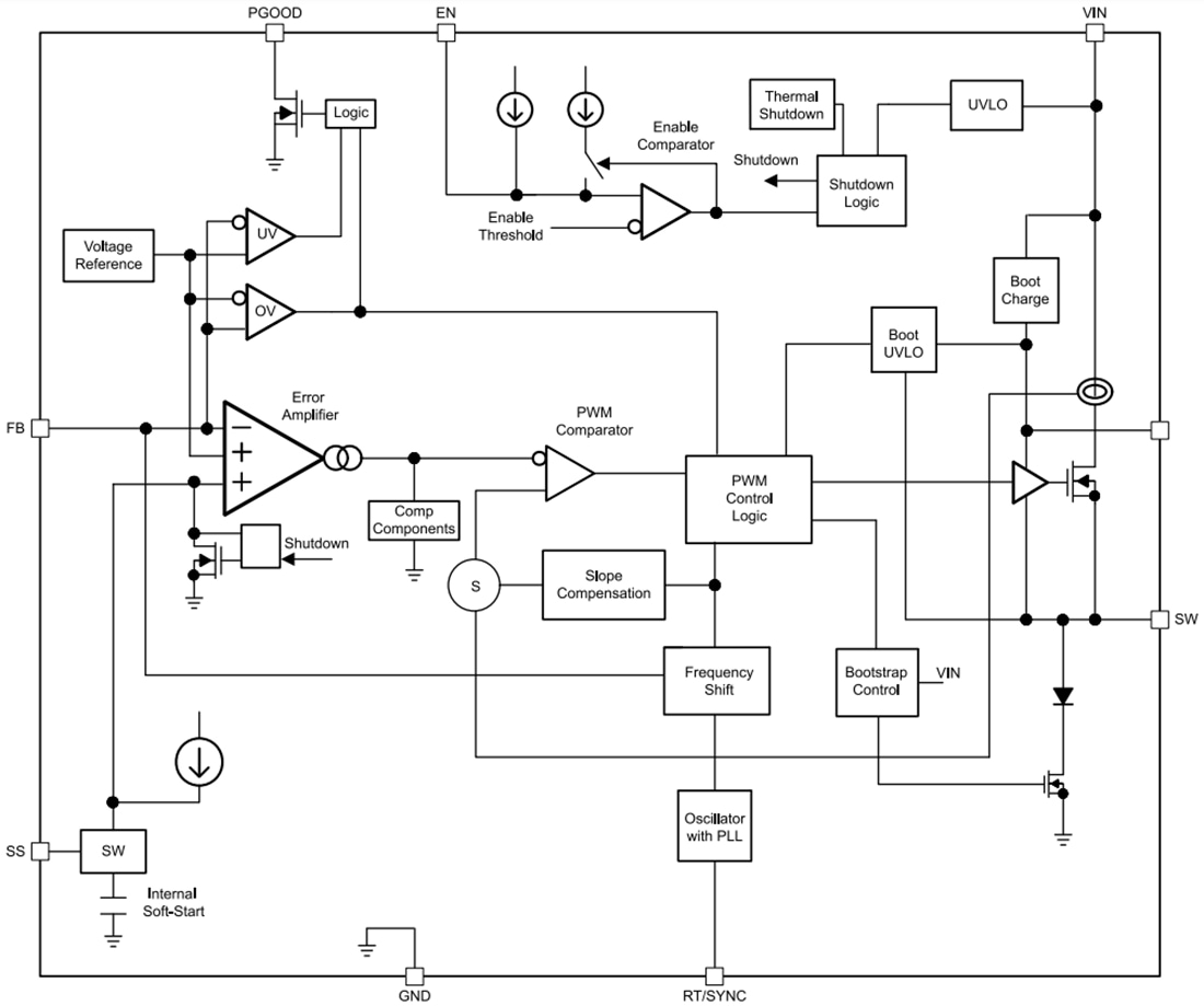
Funktionales Blockdiagramm
Veröffentlichungsdatum: 2020-12-07
| Aktualisiert: 2024-10-11
