Texas Instruments LV14240 SIMPLE SWITCHER® Abwärtswandler
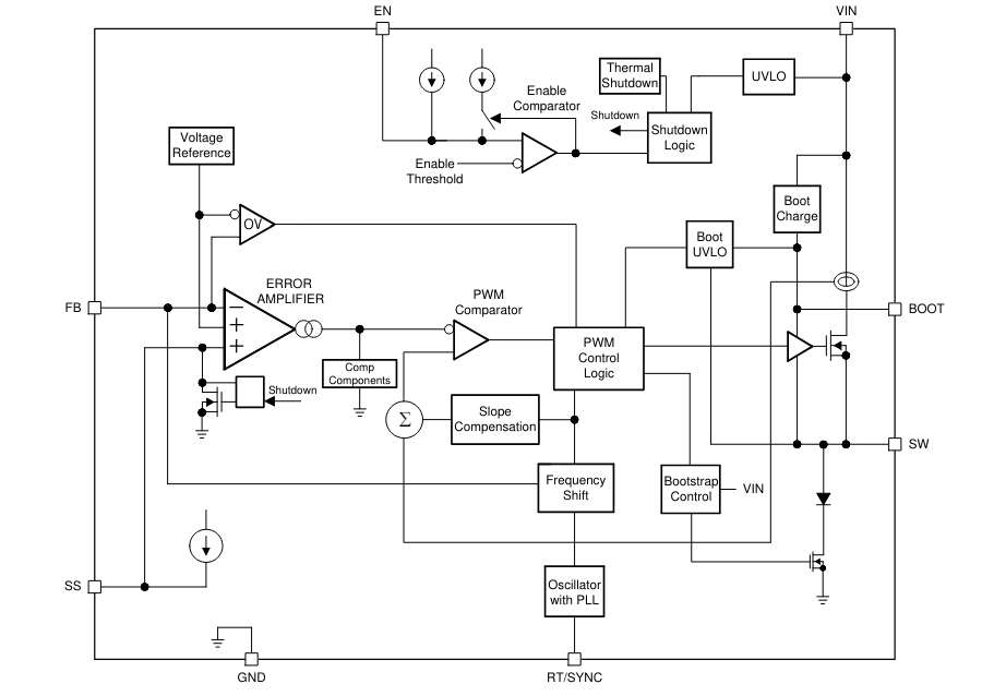
Der LV14240 SIMPLE SWITCHER® Abwärtswandler von Texas Instruments bietet einen großen Eingangsbereich von 4 V bis 40 V, der für verschiedene Industrie- und Fahrzeuganwendungen mit Leistungsregelung von ungeregelten Quellen ausgelegt ist. Der 40-V-2A-Abwärtsregler LV14240 verfügt über einen integrierten High-Side-MOSFET mit einem weiten einstellbaren Schaltfrequenzbereich, der den Wirkungsgrad oder die Größe der externen Komponenten optimiert.Der Wandler LV14240 von TI verfügt über eine interne Schleifenkompensation, die die externen Komponenten des Bauelements minimiert. Ein Präzisionsfreigabeeingang ermöglicht die Vereinfachung der Reglersteuerung und der Systemleistungssequenzierung. Der LV14240 verfügt außerdem über integrierte Schutzoptionen wie zyklusweise Strombegrenzung, thermische Abtastung, Abschaltung bei zu hoher Verlustleistung und Ausgangsüberspannungsschutz.
Merkmale
- Neueres Produkt verfügbar – LMR51420 synchroner Abwärtswandler 4,5 V bis 36 V 2 A
- Für eine schnellere Markteinführung – TLVM13620 synchrones Abwärts-Leistungsmodul 3,6 V bis 36 V, 2 A
- Eingangsbereich: 4 V bis 40 V
- Dauerausgangsstrom: 2 A
- 100-mΩ-High-Side-MOSFET
- Mindesteinschaltzeit: 100 ns
- Strommodussteuerung
- Schaltfrequenz anpassbar von 200 kHz bis 2 MHz
- Frequenzsynchronisierung mit externem Taktgeber
- Interne Kompensation für eine einfache Verwendung
- Unterstützung von Betrieb mit hohem Tastverhältnis
- Präzisionsfreigabeeingang
- Abschaltstrom: 1 µA
- Externer Soft-Start
- Übertemperatur-, Überspannungs- und Kurzschlussschutz
- 8-Pin-SOIC-Gehäuse mit PowerPAD™
Applikationen
- Regulierung von Fahrzeugbatterien
- Industrienetzteile
- Telekommunikations- und Datenkommunikationssysteme
Schaltschema
Funktionales Blockdiagramm
Veröffentlichungsdatum: 2024-05-14
| Aktualisiert: 2024-05-22
