Texas Instruments LP87524x-Q1 Quad-Abwärtswandler

Texas Instruments LP87524x-Q1 Integrierte Leistungsmanagement-Schaltkreise (PMICs) sind für die Erfüllung der Leistungsmanagementanforderungen der neuesten Prozessoren und Plattformen in verschiedenen Automotive-Leistungsapplikationen ausgelegt. Diese Bauteile enthalten vier DC/DC-Wandlercores, die als vier einphasige Ausgänge konfiguriert werden. Diese Bauteile werden über eine I2C-kompatible serielle Schnittstelle und über Freigabe-Signale gesteuert.

Der automatische PFM/PWM-Betrieb (AUTO-Modus) erhöht den Wirkungsgrad über einen großen Ausgangsstrombereich. Der LP87524x-Q1 unterstützt die ferngesteuerte Spannungserkennung, um den IR-Abfall zwischen dem Wandlerausgang und der Punktlast (POL) zu kompensieren und dadurch die Genauigkeit der Ausgangsspannung zu verbessern. Außerdem kann zur Reduzierung von Störungen der Schalttakt in den PWM-Modus gezwungen und mit einem externen Takt synchronisiert werden.

Merkmale

  • Qualifiziert für Fahrzeuganwendungen
  • AEC-Q100-qualifiziert mit den folgenden Ergebnissen:
    • Temperatur des Bauteils der Klasse 1: -40 °C bis +125 °C Umgebungstemperatur
  • Eingangsspannung: 2,8 V bis 5,5 V
  • Ausgangsspannung: 0,6 V bis 3,36 V
  • Vier DC/DC-Abwärtswandler-Cores mit hohem Wirkungsgrad
    • Ausgangsstrom von insgesamt bis zu 10 A
    • Ausgangspannungs-Anstiegsrate von 3,8 mV/µs
  • 4 MHz Schaltfrequenz
  • Frequenzspreizungsmodus und Phasenverschachtelung
  • Konfigurierbare Universal-I/O (GPIOs)
  • I2C-kompatible Schnittstelle unterstützt Standard- (100 kHz), Fast- (400 kHz), Fast+- (1 MHz) und High-Speed- (3,4 MHz) Betriebsarten
  • Interrupt-Funktion mit programmierbarer Maskierung
  • Programmierbares Power-Good-Signal (PGOOD)
  • Überlastschutz und Kurzschlusssicherung am Ausgang
  • Übertemperaturvorwarnung und Schutz
  • Unterspannungssperre (UVLO) und Überspannungsschutz (OVP)

Applikationen

  • Automotive-Infotainment-Systeme
  • Kombiinstrumente
  • Radar
  • Kameraleistung

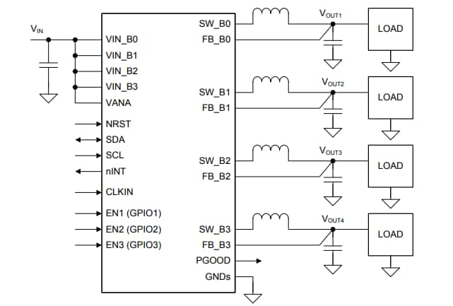
Schaltplan

Schaltplan - Texas Instruments LP87524x-Q1 Quad-Abwärtswandler
Veröffentlichungsdatum: 2017-09-18 | Aktualisiert: 2025-03-05