Texas Instruments LMR60406-Q1 Synchroner Abwärtswandler
Der synchrone Abwärtswandler LMR60406-Q1 von Texas Instruments ist ein 36-V-/0,6-A-Wandler für den Fahrzeugbereich mit niedriger EMI, hohem Wirkungsgrad und einem Ausgang mit minimaler Kapazität. Dieser Abwärtswandler arbeitet von 200 kHz bis 2,2 MHz mit programmierbarem Schaltfrequenzbereich. Der DC/DC-Wandler LMR60406-Q1 ist dafür ausgelegt, eine höhere Eingangsspannung effizient auf eine niedrigere, geregelte Ausgangsspannung herunterzuwandeln. Dieser Wandler bietet Varianten mit Frequenzspreizung in einem äußerst kompakten HotRod QFN-9-Gehäuse von 2,5 mm x 2 mm, auch mit benetzbaren Flanken erhältlich. Das Bauteil der Baureihe LMR60406-Q1 ist gemäß AEC-Q100 für Fahrzeuganwendungen zugelassen. Der Wandler LMR60406-Q1 eignet sich für Infotainment und Cluster in Kraftfahrzeugen, Fahrerassistenzsystemen und Karosserieelektronikanforderungen in Kraftfahrzeugen.Merkmale
- Dokumentation zur funktionalen Sicherheit steht bei der Entwicklung von Systemen zur funktionalen Sicherheit unterstützend zur Verfügung
- Gemäß AEC-Q100 für Fahrzeuganwendungen zugelassen
- Umgebungsbetriebstemperaturbereich -40 °C bis 125 °C, Bauteiltemperaturklasse 1
- Eingangsspannungsbereich von 3 V bis 36 V (42 V absoluter Maximalwert)
- Pin-programmierbare Ausgangsspannungsoptionen verfügbar: fest 3,3 V/ADJ und 5 V/ADJ
- Einstellbarer Ausgangsspannungsbereich von 1 V bis 20 V
- Kurze On-Zeit tON von 30 ns (typisch)
- Optimiert für Anforderungen an niedrige Elektromoagnetische Störung (EMI):
- HotRod™ QFN-Gehäuse mit niedriger Induktivität
- Erweiterte Spread-Spectrum-Optionen sind verfügbar
- Programmierbarer Schaltfrequenzbereich von 200 kHz bis 2,2 MHz
- FPWM, PFM oder externe Frequenzsynchronisierung verfügbar
- Sehr niedriger Ruhestrom:
- 0,65 μA Abschaltstrom
- Standby-Strom von 5 μA
- Ausgelegt für skalierbare Stromversorgung:
- Pin-kompatibel mit LMR60410-Q1 LMR60420-Q1 LMR60430-Q1 und LMR60440-Q1
- Power-Good-Ausgang für die Stromsequenzierung
Applikationen
- Fahrzeug Infotainment und Cluster
- Fahrerassistenzsysteme
- Karosserieelektronikanforderungen
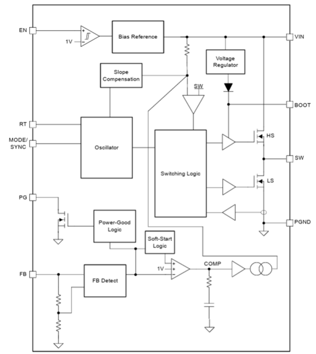
Blockdiagramm
Veröffentlichungsdatum: 2025-09-19
| Aktualisiert: 2025-09-30
