Texas Instruments LMR514xx SIMPLE SWITCHER® Leistungswandler
Die LMR514xx SIMPLE SWITCHER® Leistungswandler von Texas Instruments sind einfach zu bedienende, synchrone Abwärtswandler mit breiter VIN, die einen Laststrom bis zu 0,6 A (LMR51406) oder 1 A (LMR51410) antreiben können. Das Bauelement ist für verschiedene industrielle Anwendungen mit einem breiten Eingangsbereich von 4 V bis 42 V für die Leistungsregelung aus einer ungeregelten Quelle konzipiert.Der LMR514xx von Texas Instruments arbeitet mit einer Schaltfrequenz von 400 kHz und 1,1 MHz, um relativ kleine Induktivitäten für eine optimierte Designgröße zu unterstützen. Er verfügt über eine PFM-Version, um einen hohen Wirkungsgrad bei geringer Last zu erzielen, und eine FPWM-Version, um eine geringe Ausgangsspannungswelligkeit über den gesamten Lastbereich und eine konstante Frequenz zu erreichen. Kompensationsschaltungen und Soft-Start sind intern implementiert, so dass das Bauelement mit einem Minimum an externen Komponenten verwendet werden kann.
Das Bauelement verfügt über eingebaute Schutzfunktionen, wie z.B. Kurzschlussschutz im Hiccup-Modus, zyklusweise Strombegrenzung und thermische Abschaltung bei übermäßiger Verlustleistung.
Merkmale
- Fähig für die funktionale Sicherheit
- Dokumentation zur Unterstützung des Designs von funktionalen Sicherheitssystemen ist verfügbar
- Für robuste Industrieapplikationen konfiguriert
- 4 V bis 42 V Eingangsspannungsbereich
- Eingangsüberspannungsschutz bis zu 50 V
- 0,6 A/1 A Dauerausgangsstrom
- 80 ns Mindest-Schaltung On-Zeit
- Feste 400 kHz und 1,1 MHz Schaltfrequenz
- -40°C bis +150 °C Sperrschichttemperaturbereich
- Maximales Tastverhältnis: 98 %
- Monotones Einschalten mit vorgespanntem Ausgang
- Kurzschlussschutz mit Hiccup-Modus
- Präzisionsfreigabe
- ±1,5 % Toleranz Spannungsreferenz
- Kleines Design und einfache Handhabung
- Integrierte Synchrongleichrichtung
- Interne Kompensation für eine einfache Verwendung
- SOT-23-Gehäuse
- Verschiedene Optionen im Pin-to-Pin kompatiblen Gehäuse
- PFM- und erzwungene PWM-Optionen (FPWM)
- Pin-zu-Pin-kompatibel mit dem LMR51610, LMR16006, LV2862, LMR50410, TPS560430 und LMR54410
Applikationen
- große haushaltsgeräte
- SPS, DCS und PAC
- Intelligente Stromzähler
- Stromlieferung
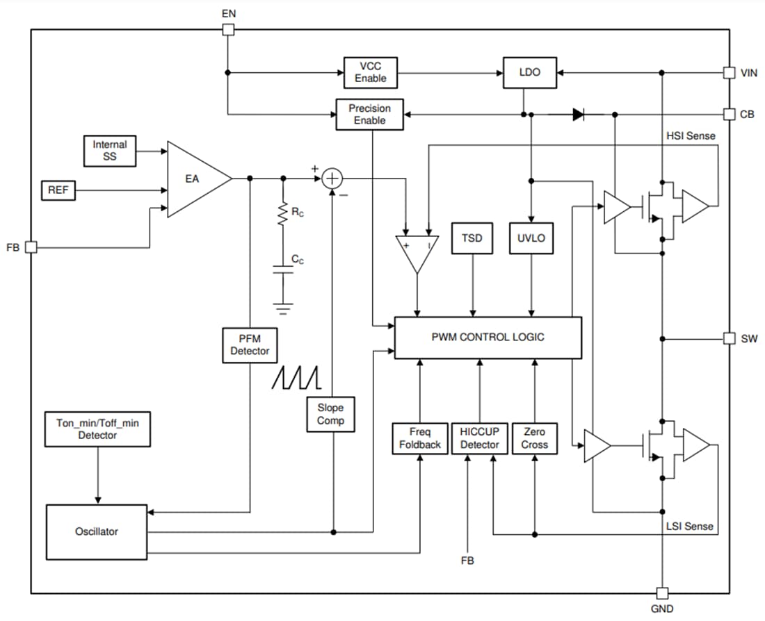
Funktionales Blockdiagramm
