Texas Instruments LMR50410/LMR50410-Q1 Abwärtswandler
Texas Instruments LMR50410/LMR50410-Q1 SIMPLE SWITCHER® Abwärtswandler ist ein einfach zu bedienender synchroner Abwärtswandler mit breiter VIN, der einen Laststrom von bis zu 1 A treiben kann. Mit einem weiten Eingangsbereich von 4 V bis 36 V eignet sich das Gerät für eine Vielzahl von Anwendungen zur Leistungsaufbereitung aus einer ungeregelten Quelle. Der LMR50410/LMH50410-Q1 arbeitet mit einer Schaltfrequenz, die relativ kleine Induktoren für eine optimierte Größe der LÖSUNG unterstützt. Er verfügt über eine PFM-Version, die eine hohe Effizienz bei geringer Last und eine geringe Ausgangsspannungswelligkeit über den gesamten Lastbereich realisiert. Die Softstart- und Kompensationsschaltungen sind intern implementiert, so dass das Gerät mit einem Minimum an externen Komponenten verwendet werden kann.Das Gerät verfügt über eingebaute Schutzfunktionen, wie z.B. eine zyklusweise Strombegrenzung, einen Kurzschlussschutz im Hiccup-Modus und eine thermische Abschaltung im Falle einer übermäßigen Verlustleistung. Der LMR50410/LMR50410-Q1 von Texas Instruments ist in einem SOT-23-6-Gehäuse verfügbar. Die LMR50410-Q1 Geräte sind AEC-Q100 für Anwendungen in der Automobilindustrie qualifiziert.
Merkmale
- Fähig für die funktionale Sicherheit
- Dokumentation zur Unterstützung des Designs von funktionalen Sicherheitssystemen ist verfügbar
- Für robuste Applikationen konfiguriert
- Eingangsspannungsbereich: 4 V bis 36 V
- Dauerausgangsstrom: 1 A
- Mindesteinschaltzeit: 60 ns
- Feste Schaltfrequenz: 2,1 MHz
- Sperrschichttemperaturbereich: -40 °C bis +150 °C
- Maximales Tastverhältnis: 98 %
- Monotones Einschalten mit vorgespanntem Ausgang
- Interne Kurzschluss-Sicherung mit Hiccup-Modus
- Toleranz der Spannungsreferenz: ±1 %
- Präzisionsfreigabe
- Kleine Lösungsgröße und Benutzerfreundlichkeit
- Integrierte Synchrongleichrichtung
- Interne Kompensation für eine einfache Verwendung
- SOT-23-6-Gehäuse
- Pin-zu-Pin-kompatibel mit TPS560430-Q1
- Verschiedene Optionen in Pin-zu-Pin-kompatiblen Gehäusen
- PFM- und erzwungene PWM-Optionen (FPWM)
- Feste Ausgangsoption von 3,3 V
Applikationen
- Karosserieelektronik und Beleuchtung
- Infotainment und Kombiinstrumente
- ADAS
- Allzweck-Netzteile mit breiter VIN
Datenblätter
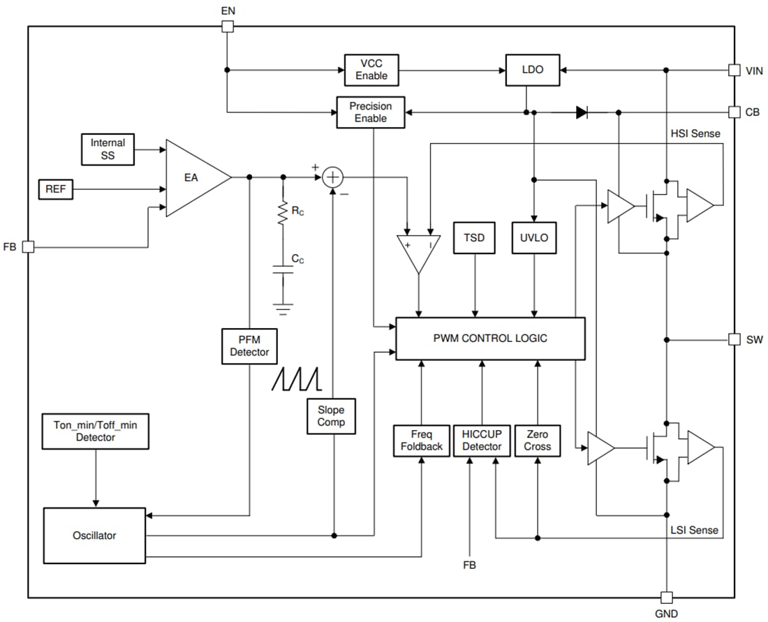
Funktionales Blockdiagramm
Veröffentlichungsdatum: 2020-09-28
| Aktualisiert: 2024-11-05
