Texas Instruments LMR43606-Q1 Synchrone Abwärtswandler
Texas Instruments LMR43606-Q1 Synchrone Abwärtswandler sind kleine 36 V, 0,6 A, DC-DC-Abwärtswandler in einem 2 mm × 2 mm HotRod-Gehäuse. Diese Wandler unterstützen einen breiten Eingangsspannungsbereich von 3,0 V bis 36 V mit Transienten bis zu 42 V. Der LMR43606-Q1 wurde entwickelt, um die Anforderungen an einen niedrigen Standby-Stromverbrauch bei ständig eingeschalteten Fahrzeuganwendungen zu erfüllen. Der Auto-Modus ermöglicht ein Frequenz-Foldback beim Betrieb mit geringer Last, was einen unbelasteten Stromverbrauch von 1,5 µA bei 13,5 VIN und einen hohen Wirkungsgrad bei geringer Last ermöglicht. Der nahtlose Übergang zwischen PWM- und PFM-Modus und die sehr niedrigen MOSFET-Einschaltwiderstände sorgen für einen hervorragenden Wirkungsgrad über den gesamten Lastbereich.Die Steuerungsarchitektur und der Funktionsumfang sind für eine ultrakleine Baugröße ausgelegt. Zur Minimierung der Ausgangskapazität verwendet das Bauteil eine Spitzenstromregelung. Der LMR43606-Q1 von Texas Instruments minimiert die Größe des Eingangsfilters mit Hilfe einer dualen zufälligen Frequenzspreizung, einer optimierten Pinbelegung und einem HotRod-Gehäuse mit niedriger EMI. Die MODE/SYNC- und RT-Pin-Varianten können zur Einstellung oder Synchronisierung der Frequenz zwischen 200 kHz und 2,2 MHz verwendet werden, um rauschempfindliche Frequenzbänder zu vermeiden. Der umfangreiche Funktionssatz des LMR43606-Q1 wurde entwickelt, um die Implementierung einer Vielzahl von Endgeräten in der Automobilindustrie zu vereinfachen.
Merkmale
- AEC-Q100-qualiziert für Fahrzeuganwendungen
- Temperaturklasse 1 (-40 °C bis +125 °C, TA)
- Fähig für die funktionale Sicherheit
- Dokumentation zur Unterstützung des Designs von funktionalen Sicherheitssystemen ist verfügbar
- Wirkungsgrad größer als 85 % bei 1 mA
- Miniaturdesign und niedrige Komponentenkosten
- 2 mm × 2 mm HotRod™ Paket mit benetzbaren Flanken
- Interne Kompensation
- Für extrem niedrige EMI-Anforderungen entwickelt
- Die Frequenzspreizung reduziert Spitzenemissionen
- Über den MODE/SYNC-Pin wählbarer FPWM-Modus für konstante Frequenz bei geringer Last
- FSW -Synchronisierung mit MODE-/SYNC-Pin
- Für Fahrzeuganwendungen entwickelt
- -40 °C bis +150 °C Sperrschichttemperaturbereich
- Unterstützt 42 V Automotive-Lastabfallereignissen
- Unterstützt 3 VIN für Kaltstart bei Fahrzeugen
- Einstellbar bis 95 % der VIN, feste VOUT-Optionen von 3,3 V und 5 V verfügbar
- Entwickelt für skalierbare Stromversorgungen
- Einstellbarer FSW bei 200 kHz bis 2,2 MHz (RT-Pin)
- Pin kompatibel mit
- LMR43610-Q1 (36 V, 1 A)
- LMR36506-Q1 (65 V, 600 mA)
- LMR36503-Q1 (65 V, 300 mA)
Applikationen
- Erweiterte Fahrerassistenzsysteme (Radar-ECU)
- Infotainment und Kombiinstrument (Haupteinheit, eCall)
- Karosserieelektronik und Beleuchtung
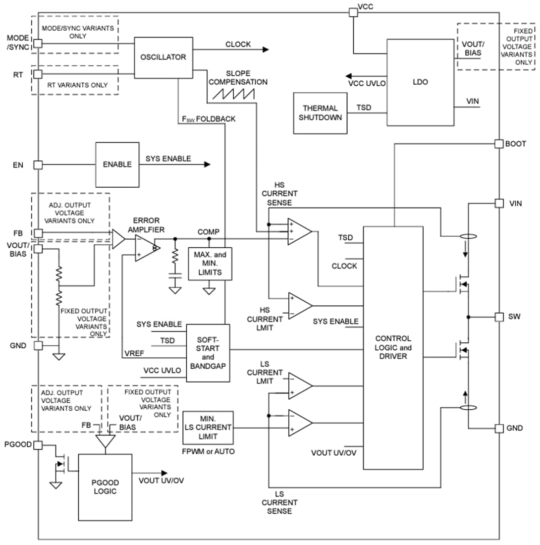
Funktionales Blockdiagramm
