Texas Instruments LMR38020/LMR38020-Q1 Abwärtswandler
Der Texas Instruments LMR38020/LMR38020-Q1 SIMPLE SWITCHER® Abwärtswandler ist zur Regelung über einen großen Eingangsspannnungsbereich ausgelegt, um die Notwendigkeit von externen Überspannungsschutz-Komponenten zu verringern. Der LMR38020/LMR38020-Q1 wird falls erforderlich, bei Eingangsspannungseinbrüchen von nur 4,2 V bei einem Tastverhältnis von nahezu 100 % betrieben. Dadurch eignet sich dieses Bauteil hervorragend für Industrie-Applikationen mit einem großen Eingangsbereich und MHEV-/EV-Systemen.Der LMR38020/LMR38020-Q1 von Texas Instruments verwendet eine Präzisionsfreigabe, um durch die Freigabe einer direkten Verbindung zur großen Eingangsspannung oder einer präzisen Steuerung über die Inbetriebnahme und Abschaltung des Bauteils Flexibilität zu bieten. Mit der integrierten Filterung und Verzögerung lässt die Power-Good-Flag eine genaue Anzeige des Systemzustands zu, wodurch die Notwendigkeit einer externen Überwachung überflüssig wird. Das Bauteil enthält eine pseudozufällige Frequenzspreizung für eine minimale EMI und die Schaltfrequenz kann zwischen 200 kHz und 2,2 MHz konfiguriert werden, um rauschempfindliche Frequenzbänder zu vermeiden. Darüber hinaus kann die Frequenz für einen verbesserten Wirkungsgrad bei einer niedrigen Betriebsfrequenz oder eine kleinere Lösungsgröße bei einer hohen Betriebsfrequenz ausgewählt werden.
Das Bauteil verfügt über integrierte Schutzfunktionen, wie z. B. Zyklus-für-Zyklus-Strombegrenzung, Hiccup-Modus-Kurzschluss-Sicherung und thermische Abschaltung aufgrund von zu hoher Verlustleistung. Der LMR38020/LMR38020-Q1 ist in einem 8-Pin-HSOIC-PowerPad-Gehäuse verfügbar. Die LMR38020-Q1 Bauteile sind gemäß AEC-Q100 für Fahrzeuganwendungen zugelassen.
Merkmale
- Für robuste Industrieapplikationen konfiguriert
- Eingangsspannungsbereich: 4,2 V bis 80 V
- Dauerausgangsstrom: 2 A
- Extrem niedriger Betriebsruhestrom von 40 µA
- Abstand von > 1,5 mm zwischen VIN- und GND-Pin
- Einstellbare Schaltfrequenz von 200 kHz bis 2,2 MHz
- Frequenzsynchronisierung zu einem externen Taktgeber
- Frequenzspreizungsoption für reduzierte EMI
- Maximales Tastverhältnis: 97 %
- Unterstützt die Inbetriebnahme mit vorgespanntem Ausgang
- ±1,0 % Toleranz Referenzspannung bei Raumtemperatur
- Präzisionsfreigabe
- Benutzerfreundlich mit einer niedrigen BOM
- Integrierte Synchrongleichrichtung
- Interne Kompensation für eine einfache Verwendung
- 8-Pin-HSOIC-Gehäuse mit PowerPAD™
- PFM- und erzwungene PWM-Optionen (FPWM)
- Fähig für die funktionale Sicherheit
- Dokumentation zur Unterstützung des Designs von funktionalen Sicherheitssystemen ist verfügbar
Applikationen
- Industrie-Transportsysteme
- Drahtlose Infrastruktur und Netzwerke
- Stromzufuhr
- Fabrikautomatisierung und -steuerung
Datenblätter
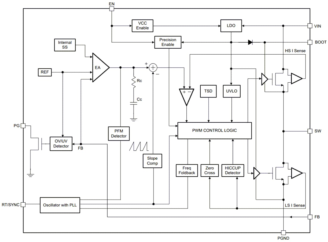
Funktionales Blockdiagramm
