Texas Instruments LMR36500 Synchroner Abwärtswandler

Der Texas Instruments LMR36500 synchrone Abwärtswandler ist ein extrem kleiner DC/DC-Abwärtswandler mit einem großen Eingangsspannungsbereich von 3 V bis 65 V in einem HotRod-Gehäuse von 4 mm2. Dieser Wechselrichter überzeugt durch hervorragende EMI-Eigenschaften, kann Spannungstransienten von bis zu 70 V und bewältigen und ermöglicht festgelegte 3,3 V sowie einstellbare 5 V Ausgangsspannungen. Der Wechselrichter LMR36500 ist für einen großen Bereich an Tastverhältnissen und einen Schaltfrequenzbereich von 200 kHz bis 2,2 MHz ausgelegt. Dieser synchrone Abwärtswandler verfügt über einen EN/UVLO, der eine präzise Bauelementsteuerung beim Starten und Herunterfahren ermöglicht. Die PGOOD-Flagge verfügt über einen integrierten Glitch-Filter und eine verzögerte Freigabe, die den Systemstatus genau anzeigen und somit die Verwendung eines externen Spannungsüberwachers überflüssig machen. Zu den typischen Anwendungsbereichen gehören Feldtransmitter und Prozesssensoren, HVAC- (Heizungs-, Lüftungs- und Klimatechnik) und Brandschutzdetektoren und -melder, Garten- und Elektrowerkzeuge sowie tragbare Elektronik.

Merkmale

  • Speziell für raue industrielle Bedingungen ausgelegt:
    • Sperrschichttemperaturbereich von -40 °C bis 150 °C
    • Eingangstransientenfähigkeit bis zu 70 V
    • 3 V (fallender Schwellwert) bis 65 V großer Eingangsspannungsbereich
    • Minimiertes Klingeln am Switch-Knoten, um elektromagnetische Störungen zu reduzieren
    • Einstellbare und feste Ausgangsspannungsoptionen von 3,3 V und 5 V verfügbar
  • Ausgelegt für skalierbare industrielle Stromversorgungen:
    • Pin-kompatibel mit LMR36503 (65 V, 300 mA) und LMR36506 (65 V, 600 mA)
    • 200 kHz bis 2,2 MHz mit RT-Pin-Variante einstellbare Schaltfrequenz
  • Hoher Wirkungsgrad über den gesamten Lastbereich bei geringer Verlustleistung:
    • Maximaler Wirkungsgrad größer als 80 % bei 1 MHz (3,3 V VOUT)
  • Ultrakleines 2 mm × 2 mm HotRod™-Gehäuse

Applikationen

  • Fabrikautomatisierung
    • Feldtransmitter und Prozesssensoren
  • Gebäudeautomation:
    • Benachrichtigungen und Melder für HVAC und Brandschutz
  • Haushaltsgeräte:
    • Garten- und Elektrowerkzeuge
  • Tragbare Elektronik
    • Kopfhörer und Ohrhörer

Wirkungsgrad vs. Ausgangsstrom

Leistungsdiagramm - Texas Instruments LMR36500 Synchroner Abwärtswandler

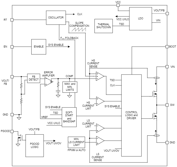
Funktionales Blockdiagramm

Blockdiagramm - Texas Instruments LMR36500 Synchroner Abwärtswandler
Veröffentlichungsdatum: 2024-01-10 | Aktualisiert: 2025-03-05