Texas Instruments LMH32404/LMH32404-Q1 Transimpedanzverstärker
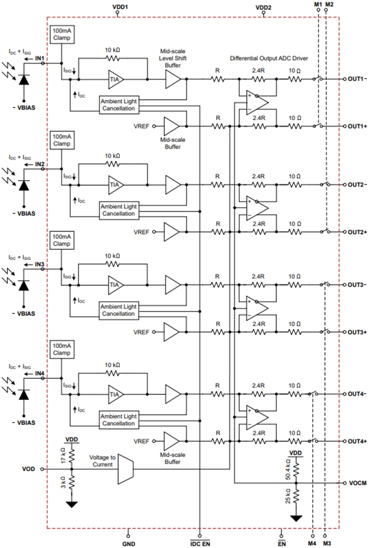
Der Texas Instruments LMH32404/LMH32404-Q1 Transimpedanzverstärker (TIA) ist ein Vierkanal-TIA mit einendigem Eingang-zu-Differential-Ausgang für LIDAR-Applikationen (Light Detection and Ranging) und Laser-Distanzmesssysteme. Der LMH32404/LMH32404-Q1 verfügt über eine integrierte 100-mA-Klemme in jedem Kanal, die den Verstärker schützt und dem Bauteil eine schnelle Erholung von überlasteten Eingangsbedingungen ermöglicht. Der LMH32404/LMH32404-Q1 verfügt außerdem in jedem Kanal über eine integrierte Schaltung zur Umgebungslichtunterdrückung (ALC), die anstelle der AC-Kopplung zwischen Photodiode und Verstärker eingesetzt werden kann, um Platz auf dem Board und Systemkosten zu sparen. Die ALC-Schleife sollte deaktiviert werden, wenn DC- und Niederfrequenzanteile gemessen werden.Jeder Kanal des LMH32404/LM32404-Q1 verfügt über integrierte Schalter, mit denen der differentielle Ausgangsverstärker von den Ausgangspins getrennt und der Kanal in den Standby-Modus versetzt werden kann. Beim Umschalten zwischen verschiedenen Kanälen beträgt die Übergangszeit nur 10 ns. Der LMH32404/LMH32404-Q1 von Texas Instruments kann mit dem EN-Pin in den Stromsparmodus versetzt werden, um Strom zu sparen, wenn der Verstärker nicht verwendet wird. Die LMH32404-Q1 Bauteile sind gemäß AEC-Q100 für Fahrzeuganwendungen zugelassen.
Merkmale
- 20 kΩ Verstärkung
- Leistung, CPD = 1 pF
- 350 MHz Bandbreite
- 56nARMS eingangsbezogenes Rauschen
- 1,25 ns Anstiegs- und Abfallzeit
- 28 mA/Kanal-Ruhestrom
- 10 mA/Kanal Standby-Modus
- 2,5 mA (4 Kanäle) Stromsparmodus
- 10 ns Kanalumschaltzeit
- Integrierte Umgebungslichtunterdrückung
- Integrierte 100-mA-Schutzklemme
- Vier Eingangskanäle und vier differentielle Ausgangskanäle
- Integrierter Multiplexer ermöglicht flexible Konfigurierbarkeit zwischen dem optischen Sensor und dem ADC/TDC
- Mehrere LMH32404 können parallel kombiniert werden, um ein größeres Sichtfeld (FoV) zu erzeugen
- Temperaturbereich: -40 °C bis +125 °C
Applikationen
- Mechanisches Scannen von LIDAR
- Solid-State-Scanning-LIDAR
- Laser-Entfernungsmesser
- Sicherheitsbereichsscanner
Datenblätter
Funktionales Blockdiagramm
Veröffentlichungsdatum: 2021-10-11
| Aktualisiert: 2023-01-23
