Texas Instruments LMH1208 Dual-Kabeltreiber
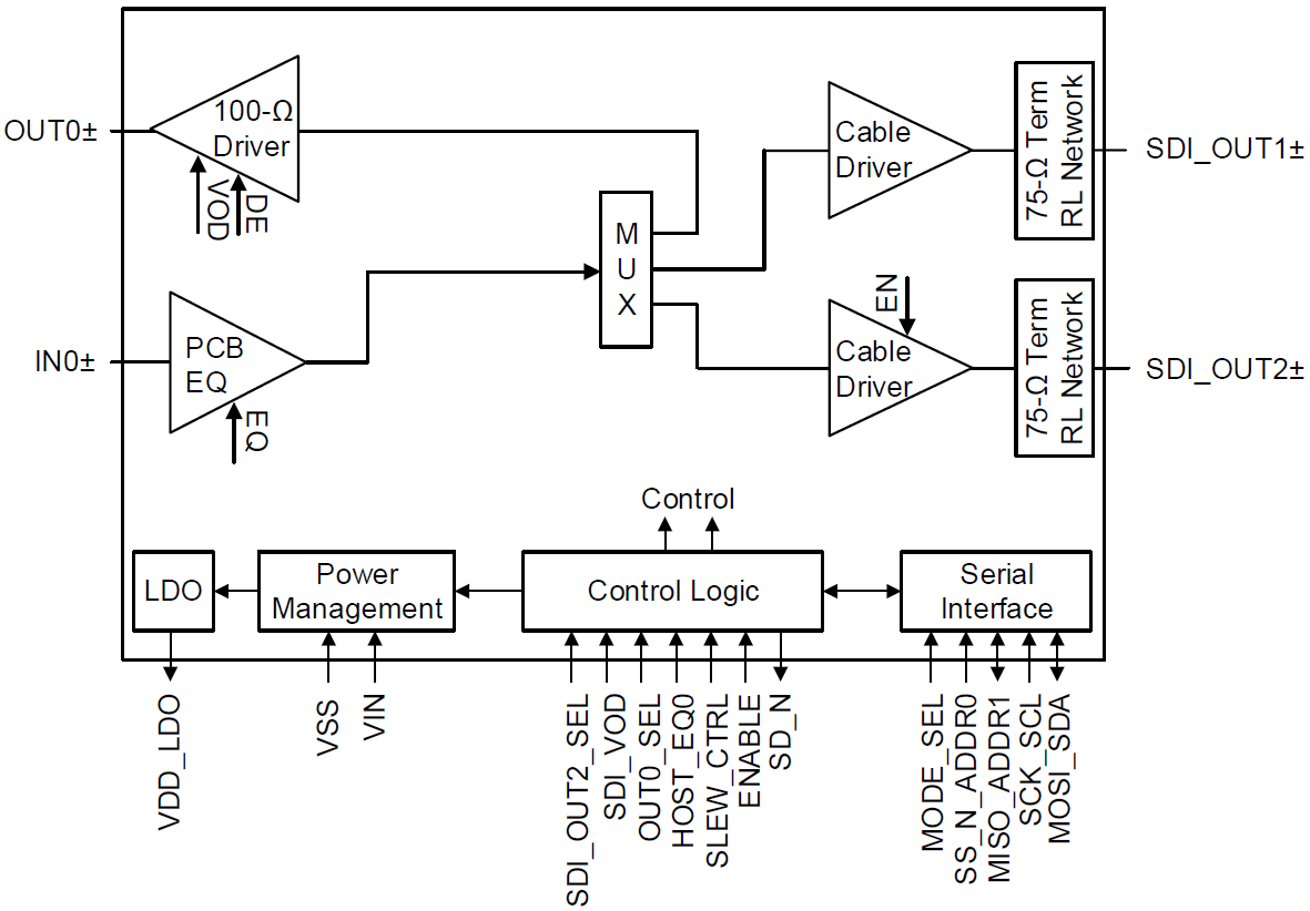
Der Texas Instruments LMH1208 Dual-Kabeltreiber ist ein 12G-UHD-SDI-Kabeltreiber mit geringem Stromverbrauch und dualem Ausgang. Das Bauteil unterstützt SMPTE-Videoraten bis zu 11,88 Gbps, was UHD-Video für 4K/8K-Applikationen ermöglicht. Der zusätzliche, abgeglichene 100 Ω-Treiberausgang auf der Host-Seite kann zur Überwachung oder Signalverteilung verwendet werden. Der programmierbare PCB-Eingangs-Equalizer sorgt für eine hochfrequente Verstärkung, um die Intersymbolinterferenz (ISI) zu reduzieren, die durch eine Leiterplattenbahn verursacht wird. Das integrierte 75 Ω-Anschluss- und Rückflusssnetzwerk bei beiden Kabeltreiber-Ausgängen erleichtert das Gesamtsystemdesign bei der Erfüllung strenger SMPTE-Rückflussverluste. Die LMH1208 bietet auswählbare Anstiegsraten für Datenraten bis zu 11,88 Gbps. Die Ausgangs-Anstiegsrate und Amplitude können über Pin-, SPI- oder SMBus-Steuerung gesteuert werden.Merkmale
- Unterstützt ST-2082-1 (12G), ST-2081-1 (6G), ST-424 (3G), ST-292 (HD) und ST-259 (SD)
- Kompatibel mit DVB-ASI und AES10 (MADI)
- Zweifacher differentieller Ausgangskabeltreiber
- 75Ω-On-Chip-Endenabschluss und Rücklaufverlust-Kompensationsnetzwerk
- Host-seitiger abgeglichener 100Ω-Loop-Back-Ausgang
- Programmierbare Anstiegsratensteuerung auf 75Ω-Ausgängen
- Programmierbare Vorverzerrung und Ausgangsamplitude auf 75Ω-Ausgängen
- Programmierbare Entzerrung und Ausgangsamplitude auf 100Ω-Ausgang
- Verpolung auf 75Ω- und 100Ω-Ausgängen
- Automatisches Energiesparen in Abwesenheit von Eingangssignal
- Stromverbrauch: 25 mW (typisch)
- Abschaltsteuerung durch FREIGABE-Pin
- 2,5 V Einzelversorgung
- Stromverbrauch: 200 mW (typisch)
- Programmierbar über Pins, SPI oder SMBus-Schnittstelle
- –40 °C bis +85 °C Betriebstemperaturbereich
- 5 mm×5 mm, 32-Pin-WQFN-Gehäuse
Applikationen
- SMPTE-kompatible serielle digitale Schnittstelle
- UHDTV/4K/8K/HDTV/SDTV Video
- Videoübertragungs-Router, -Schalter, -Verteilungsverstärker und -Bildschirme
- Digitale Videoverarbeitung und Videobearbeitung
Vereinfachtes Blockdiagramm
Veröffentlichungsdatum: 2017-08-09
| Aktualisiert: 2022-04-05
