Texas Instruments LMG3526R030 GaN-FET mit integriertem Treiber
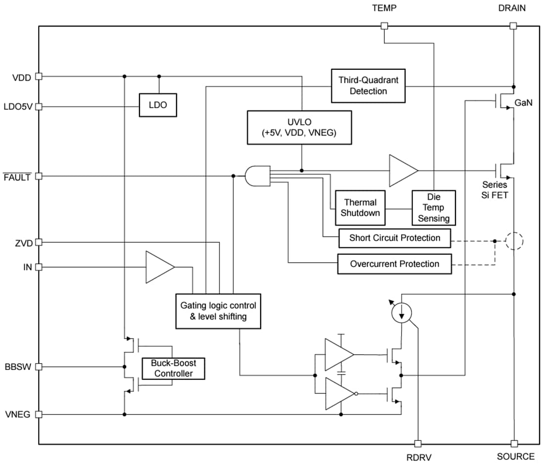
Der Texas Instruments LMG3526R030 GaN-FET mit integriertem Treiber wird mit Schutzfunktionen geliefert, zielt auf Schaltmodus-Leistungswandler ab und ermöglicht Designern, eine neue Leistungsdichte und einen neuen Wirkungsgrad zu erreichen. Der LMG3526R030 verfügt über einen Siliziumtreiber, der Schaltgeschwindigkeiten von bis zu 150 V/ns ermöglicht. Die integrierte Präzisions-Gate-Vorspannung von TI führt zu einem höheren Schalt-SOA als bei diskreten Silizium-Gate-Treibern. Diese Integration, kombiniert mit dem Low-Induktanz-Paket von TI, liefert sauberes Schalten und minimales Ringen in hart schaltenden Stromversorgungstopologien. Die einstellbare Gate-Treiberstärke ermöglicht die Steuerung der Anstiegsrate von 20 V/ns bis 150 V/ns, was zur aktiven Kontrolle der EMI und zur Optimierung der Schaltleistung genutzt werden kann.Zu den fortschrittlichen Funktionen gehören die digitale Temperaturmeldung, Fehlererkennung und Nullspannungserkennung (ZVD). Die Temperatur des GaN-FETs wird über einen PWM-Ausgang mit variablem Tastverhältnis gemeldet. Gemeldete Fehler umfassen Übertemperatur, Überstrom und UVLO. Die ZVD-Funktion kann einen Impulsausgang vom ZVD-Pin bereitstellen, wenn eine Nullspannungsschaltung (ZVS) erkannt wird.
Merkmale
- 650-V-GaN-on-Si-FET mit integriertem Gate-Treiber
- Integrierte hochpräzise Gate-Vorspannung
- 200 V/ns FET-Holdoff
- Schaltfrequenz: 2 MHz
- Anstiegsrate von 20 V/ns bis 150 V/ns zur Optimierung der Schaltleistung und Reduzierung von EMI
- Wird von einer Versorgung von 7,5 V bis 18 V betrieben
- Robuster Schutz
- Zyklusweiser Überstrom- und verriegelter Kurzschlussschutz mit < 100ns Ansprechzeit
- Hält bei einer Hartschaltung einem Stoßstrom von 720 V stand
- Selbstschutz für interne Übertemperatur und UVLO-Überwachung
- Fortschrittliches Leistungsmanagement
- Digitaler Temperatur-PWM-Ausgang
- Das über die Oberseite gekühlte VQFN-Gehäuse von 12 mm x 12 mm trennt elektrische und thermische Pfade für die niedrigste Stromschleifeninduktivität
- Nullspannungserkennung, die weiche Schaltwandler ermöglicht
Applikationen
- Schaltmodus-Leistungswandler
- Merchant-Netzwerk und Server-PSU
- Merchant-Telekommunikationsgleichrichter
- Solarwechselrichter und Industriemotorantriebe
- Unterbrechungsfreie Stromversorgungen
Funktionales Blockdiagramm
Veröffentlichungsdatum: 2023-06-19
| Aktualisiert: 2024-07-25
