Texas Instruments LMG3522R030/LMG3522R030-Q1 650-V-GaN-FETs mit 30 mΩ
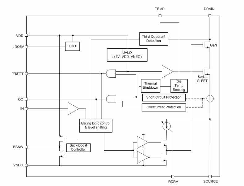
Die 650-V-GaN-FETs mit 30 mΩ LMG3522R030/LMG3522R030-Q1 von Texas Instruments enthalten einen integrierten Treiber und Schutzfunktionen für Schaltmodus-Leistungswandler. Der LMG3522R030/LMG3522R030-Q1 enthält einen Siliziumtreiber, der Schaltgeschwindigkeiten von bis zu 150 V/ns ermöglicht. Das Bauteil implementiert die integrierte Präzisions-Gate-Vorspannung von TI, was im Vergleich zu diskreten Silizium-Gate-Treibern zu einem höheren Schalt-SOA führt. Diese Integration zusammen mit dem Gehäuse mit niedriger Induktivität von TI bietet ein sauberes Schalten und ein minimales Überschwingen in hartschaltenden Stromversorgungstopologien. Eine einstellbare Gate-Antriebsstärke ermöglicht die Steuerung der Anstiegsrate von 20 V/ns bis 150 V/ns, die aktiv zur Steuerung von EMI und zur Optimierung der Schaltleistung verwendet werden kann.Die LMG3522R030/LMG3522R030-Q1 650-V-GaN-FETs mit 30 mΩ von TI verfügen über fortschrittliche Leistungsmanagement-Funktionen, einschließlich digitale Temperaturmeldung und Fehlererkennung. Gemeldete Fehler umfassen Übertemperatur, Überstrom und UVLO. Die LMG3522R030-Q1 Bauteile sind gemäß AEC-Q100 für Fahrzeuganwendungen zugelassen.
Merkmale
- 650-V-GaN-on-Si-FET mit integriertem Gate-Treiber
- Integrierte hochpräzise Gate-Vorspannung
- 200 V/ns FET-Holdoff
- Schaltfrequenz: 2 MHz
- Anstiegsrate von 20 V/ns bis 150 V/ns zur Optimierung der Schaltleistung und Reduzierung von EMI
- Wird von einer Versorgung von 7,5 V bis 18 V betrieben
- Fortschrittliches Leistungsmanagement
- Digitaler Temperatur-PWM-Ausgang
- Robuste Schutzfunktionen
- Zyklusweiser Überstrom- und verriegelter Kurzschlussschutz mit einer Reaktionszeit < 100 ns
- Hält bei einer Hartschaltung einem Stoßstrom von 720 V stand
- Selbstschutz für interne Übertemperatur und UVLO-Überwachung
- Das Oberseite gekühlte VQFN-Gehäuse von 12 mm x 12 mm trennt elektrische und thermische Pfade für die niedrigste Stromschleifeninduktivität
Applikationen
- Schaltmodus-Leistungswandler
- Merchant-Netzwerk und Server-PSU
- Merchant-Telekommunikationsgleichrichter
- Solarwechselrichter und Industriemotorantriebe
- Unterbrechungsfreie Stromversorgungen
Datenblätter
Vereinfachtes Blockdiagramm
Funktionales Blockdiagramm
Veröffentlichungsdatum: 2022-12-20
| Aktualisiert: 2023-09-07
