Texas Instruments LM65680/60/40 Synchrone DC/DC-Abwärtswandler
LM65680/60/40 Synchrone DC/DC-Abwärtswandler von Texas Instruments sind Teil einer Produktfamilie von Bauteilen mit ZEN 1 Schaltertechnologie und für eine niedrige EMI, eine hohe Leistungsdichte und einen hervorragenden Umwandlungswirkungsgrad ausgelegt. Integrierte Leistungs-MOSFETs mit niedrigem RDS (on) ermöglichen einen Ausgangsstrom von bis zu 8 A (LM65680 8 A, LM65660 6 A und LM65640 4 A) über einen weiten Eingangsspannungsbereich von 3,5 V bis 65 V.Die LM65680/60/40-Architektur mit Spitzenstrommodus-Steuerung ermöglicht das Phasenstapeln mit synchronisierter Verschachtelung und unterstützt eine präzise Stromteilung über parallelgeschaltete Phasen für höhere Ausgangsströme. Der AUTO-Modus ermöglicht ein Frequenz-Foldback bei einem Betrieb mit leichter Last, wodurch ein hoher Wirkungsgrad bei leichter Last und ein Nulllast-Eingangsstrom von nur 2,2 µA erreicht wird, wodurch die Betriebslaufzeit in batteriebetriebenen Systemen verlängert wird. Eine minimale Einschaltzeit des High-Side-Schalters von 36 ns ermöglicht große Untersetzungsverhältnisse und damit die direkte Umwandlung von 24-V- oder 48- V-Eingängen auf Niederspannungsschienen, wodurch Systemkosten und -komplexität reduziert werden. Das Gehäuse verfügt über mehrere NC-Pins zwischen kritischen Leistungs-Pins, die das FMEA-Ergebnis (Failure Modes and Effects Analysis) verbessern.
Der LM65680/60/40 von Texas Instruments wird in einem thermisch optimierten 26-Pin-eQFN-Gehäuse der Größe 4,5 mm × 4,5 mm mit zusätzlichem Pin-Abstand für erhöhte Zuverlässigkeit geliefert. Ebenfalls enthalten sind Benetzbare-Flanken-Pins, um die optische Inspektion während der Fertigung zu erleichtern. Dank der Nutzung einer FCRLF-Gehäusetechnik (Flip-Chip Routable Leadframe) richtet sich der LM65680/60/40 mit nutzbarem Strom, Zuverlässigkeit während der gesamten Lebensdauer und Kostenvorteilen an Applikationen, die eine hohe Leistungsdichte erfordern. Der weite Eingangsspannungsbereich, der niedrige Ruhestrom, der Hochtemperaturbetrieb, die Zyklus-für-Zyklus-Strombegrenzung, die geringe EMI-Signatur und der kleine Design-Footprint machen ihn zu einem idealen Punktlast-Regler für Applikationen, die erhöhte Robustheit und Langlebigkeit erfordern.
Merkmale
- Fähig zu funktionaler Sicherheit, mit verfügbarer Dokumentation zur Unterstützung des Systemdesigns gemäß IEC 61508-2.
- Vielseitige Produktfamilie an synchronen Abwärtswandlern
- Breite Eingangsspannungsbereich von 3,5 V bis 65 V
- 4 A, 6 A und 8 A Ausgangsstrom-Optionen
- Einstellbare Ausgangsspannung von 0,8 V bis 60 V oder feste Ausgangsoptionen für 3,3 V und 5 V
- 150 °C maximale Sperrschichttemperatur
- 36 ns tON (min) für hohe Abwärtswandlung
- ZEN 1 Schaltertechnologie
- Ermöglicht die Einhaltung von CISPR 11 oder 32 Klasse B
- Verbessertes HotRod™ QFN(eQFN)-Gehäuse mit symmetrischer Pinbelegung und minimalem LLOOP
- Die Frequenzspreizung (DRSS) und die Steuerung der Anstiegsschaltrate reduzieren Emissionsspitzen
- Schaltfrequenz von 300 kHz bis 2,2 MHz
- AUTO-, FPWM- oder SYNC-Betrieb
- Hoher Wirkungsgrad über den gesamten Laststrombereich
- 95 % bei 48 VIN, 12 VOUT, 8 A, 400 kHz
- Mehrphasig stapelbar für höheren Ausgangsstrom
- Duale Eingangs V-CC-Subregler mit Vorspannungs-Option
- V IN-Ruhestrom von nur 1,8 µA
- Verbesserte Zuverlässigkeit durch optimiertes Pinbelegungsdesign und Abstand für Kurzschluss-zu-benachbartem-Pin-Test mit VIN zum PGND-Pin Abstand von 1,1 mm
Applikationen
- Industrieautomatisierung, Prüfung und Messung
- Medizinische Bildgebungssysteme, Energieinfrastruktur
- Unternehmenssysteme, drahtlose Infrastruktur
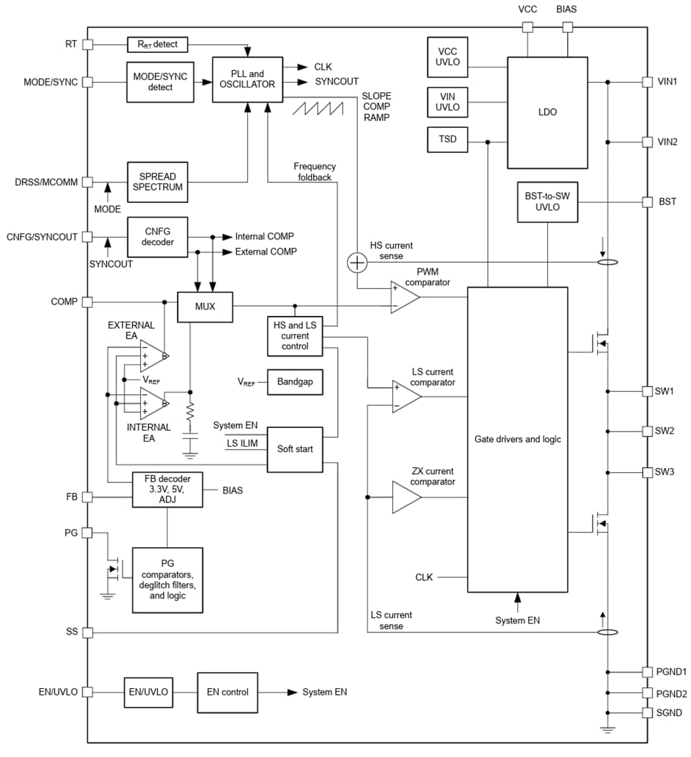
Funktionales Blockdiagramm
