Texas Instruments Automotive-Abwärtswandler LM644A2-Q1
Der Automotive-Abwärtswandler LM644A2-Q1 von Texas Instruments ist ein synchroner DC/DC-Wandler mit 36 V und mehrphasiger Stapelfähigkeit in einem thermisch verbesserten Gehäuse für beidseitige Kühlung. Dieser Wandler verwendet eine verschachtelte, stapelbare Strommodus-Steuerungsarchitektur für eine einfache Regelkreiskompensation, ein schnelles Einschwingverhalten und eine hervorragende Last- und Leitungsregelung. Die genaue Stromteilung mit einem Ausgangstakt unterstützt sechs Phasen für Ströme bis zu 36 A. Der Wandler LM644A2-Q1 verfügt über einen Eingangsspannungsbereich von 3 V bis 36 V sowie einen Schaltfrequenzbereich von 100 kHz bi 2,2 MHz und erfüllt die EMI-Anforderungen gemäß CISPR 25 Klasse 5. Der Wandler hat einen Abschaltmodusstrom von 0,5µA (typisch) und einen Standby-Strom von 9µA (typisch) mit integrierter Kompensation und 3-ms-Soft-Start. Die LM644A2-Q1 Bauteile sind AEC-Q100-qualifiziert für Fahrzeuganwendungen. Typische Applikationen sind Cockpits und Displays in Fahrzeugen, ADAS und zentrale Rechner, Karosserieelektronik und -beleuchtung sowie Allzweck-Dual-Abwärtswandler.Der Wandler LM644A2-Q1 bietet Rauschunterdrückung bei der Grundschaltfrequenz durch Interleaving, eine per Pin aktivierbare DRSS-Funktion und eine symmetrische Pinbelegung für VIN zur Reduzierung der Eingangsinduktivität. Dieser Wandler verfügt über einen internen festen oder einstellbaren Soft-Start, unabhängige Freigabeeingänge, einen integrierten VCC-Vorspannungsregler, einen Hiccup-Modus-Überlastschutz und einen Übertemperaturschutz. Dieser Wandler LM644A2-Q1 ist in einem verbesserten HotRod-QFN-24-Pin-Gehäuse von 5 mm x 4 mm mit einem vergrößerten Eckanschluss für verbesserte BLR und benetzbaren Flanken erhältlich.
Merkmale
- AEC-Q100-qualifiziert für Fahrzeuganwendungen:
- -40 °C bis +125 °C Umgebungsbetriebstemperatur (Gerätetemperaturklasse 1)
- Betrieb bis zu 150 °C Sperrschichttemperatur
- Thermisch verbessertes Gehäuse mit freiliegenden Wärmeleitpads an der Ober- und Unterseite, die eine beidseitige Kühlung ermöglichen
- Für eine niedrige EMI ausgelegt
- Symmetrische Eingangsspannungspins mit >1 mm Erdungsabstand
- Über Pin wählbare Frequenzspreizungsoption
- Pin-wählbarer FPWM- oder automatischen Modus-Betrieb
- Verbessertes HotRod™ QFN (25)-Gehäuse mit benetzbaren Flanken
- Schaltfrequenzbereich: 100 kHz bis 2,2 MHz
- Erfüllt die EMI-Anforderungen gemäß CISPR 25 Klasse 5
- Einzel- und Doppelausgangsfunktionen
- Großer Eingangsspannungsbereich von 3 V bis 36 V
- Feste 3,3 V, 5 V oder einstellbare Ausgänge von 0,8 V bis 20 V mit einer Genauigkeit von 1 %
- Hiccup-Mode-Überstromschutz und Übertemperaturschutz mit Hysterese
- Präzisionsfunktionen ENABLE und PGOOD
- 50 ns tON(min) für ein hohes VIN/VOUT-Verhältnis
- 80 ns tOFF(min) für Low-Dropout
- Funktionale Sicherheit:
- Dokumentation zur Unterstützung des Designs von funktionalen Sicherheitssystemen ist verfügbar
- Vielseitiger Betrieb mit Dual-Ausgang:
- Strom im Abschaltmodus: 0,5 µA (typisch)
- Standby-Strom bei Nulllast: 9 µA (typisch)
- Integrierte Kompensation und 3-ms-Soft-Start
- Unabhängige Präzision ENABLE und PGOOD
- Anpassbarer Betrieb mit Einfachausgang:
- 95 % Wirkungsgrad für eine 8 A Last, Einzel-Ausgang, VIN = 12 V, VOUT = 5 V
- Externe Kompensation und einstellbarer Soft-Start
- PGOOD-, SYNCIN- und SYNCOUT-Funktionen
Applikationen
- Automotive-Cockpits und -Displays
- Automotive-ADAS und zentrale Datenverarbeitung
- Karosserieelektronik und -beleuchtung
- Duale Abwärtswandler für allgemeine Zwecke
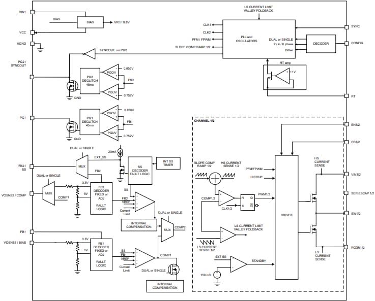
Funktionales Blockdiagramm
Weitere Ressourcen
Veröffentlichungsdatum: 2025-01-23
| Aktualisiert: 2025-05-06
