Texas Instruments Automotive-Abwärtswandler LM614xT-Q1
Texas Instruments LM614xT-Q1 Automotive-Abwärtswandler sind für eine Leistungsdichte und eine niedrige EMI in einem thermisch verbesserten Gehäuse für die doppelseitige Kühlung optimiert. Die Wandler bieten einen Eingangsspannungsbereich von 3 V bis 36 V, eine Ausgangsspannung von 5 V, eine Schaltfrequenz von 2,2 MHz und einen maximalen Dauerausgangsstrom von 10 A. Die Wandler LM614xT-Q1 arbeiten in einem Frequenzbereich oberhalb und unterhalb der AM-Funkbereiche (per Pin konfigurierbar 400 kHz und 2,2 MHz fest oder verstellbar von 200 kHz bis 2,2 MHz). Die Wandler verfügen über eine einstellbare SW-Knoten-Anstiegszeit, eine per Pin konfigurierbare Frequenzspreizung und ein Gehäuse mit niedriger Eingangsinduktivität. Die LM614xT-Q1 Bauelemente sind AEC-Q100-qualifiziert für Fahrzeuganwendungen. Typische Applikationen sind Infotainment- und Kombiinstrumente in Fahrzeugen sowie Fahrerassistenzsysteme (ADAS).Die LM614xT-Q1 Wandler enthalten eine integrierte Kompensation, Soft-Start, Strombegrenzung, thermische Abschaltung und UVLO. Diese Wandler sind in einem 4,5 mm × 3,5 mm-QFN-Gehäuse mit benetzbarer Flanke verfügbar und verfügen über einen Sperrschichttemperaturbereich von -40 °C bis +150 °C.
Merkmale
- AEC-Q100-qualifiziert für Fahrzeuganwendungen:
- -40 °C bis 125 °C (Temperaturklasse 1) Betriebstemperaturbereich
- Funktionale Sicherheit:
- Dokumentation zur Unterstützung des Designs von funktionalen Sicherheitssystemen ist verfügbar
- 3 V bis 36 V Eingangsspannungsbereich
- Für niedrige EMI konzipiert:
- EVM gemäß CISPR 25 Klasse 5
- Pin-konfigurierbare Frequenzspreizung
- Einstellbare SW-Knoten-Anstiegszeit
- Betrieb oberhalb und unterhalb des AM-Funkbereichs: per Pin konfigurierbar 400 kHz und 2,2 MHz fest oder einstellbar von 200 kHz bis 2,2 MHz
- Symmetrische Pinbelegung mit niedriger EMI
- Der Leichtlastmodus ist per Pin konfigurierbar für konstante Frequenz oder Impulsfrequenzmodulation (PFM)
- Hochgradig effizientes Design:
- 95 % Wirkungsgrad für eine 8-A-Last bei 5 VOUT
- <1 µA Abschaltstrom (typisch)
- Hohe Leistungsdichte:
- Integrierte Kompensation, Soft-Start, Strombegrenzung, Überhitzungsschutz und UVLO
- 4,5 mm x 3,5 mm QFN-Gehäuse mit benetzbarer Flanke
- Das thermisch verbesserte Gehäuse bietet freiliegende Wärme-Pads oben und unten und ermöglicht eine doppelseitige Kühlung mit RηJC (oben) = 0,64°C/W
Applikationen
- Automotive-Infotainment und Kombiinstrumente
- Fahrerassistenzsysteme (ADAS)
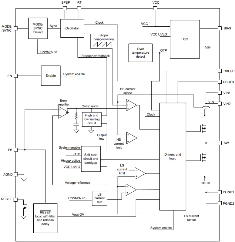
Blockdiagramm
EVM-Wirkungsgrad (VOUT = 5 V, FSW = 2,2 MHz)
Schaltschema
Weitere Ressourcen
Veröffentlichungsdatum: 2025-01-23
| Aktualisiert: 2025-05-06
