Texas Instruments LM5148/LM5148-Q1 DC/DC-Abwärtsregler
Der Texas Instruments LM5148/LM5148-Q1 synchrone DC/DC-Abwärtsregler ist ein synchroner 80-V-DC/DC-Abwärtsregler mit extrem niedrigem IQ für Hochstrom-Applikationen mit Einzelausgang. Der Regler verwendet eine Spitzenstromregelungsarchitektur für eine einfache Schleifenkompensation, ein schnelles Einschwingverhalten und eine hervorragende Last- und Leitungsregelung. Der LM5148 kann im Idealphasen-Modus (parallelgeschalteter Ausgang) mit genauer Stromaufteilung für Hochstromapplikationen konfiguriert werden. Das Bauteil kann mit Eingangsspannungen von bis zu 3,5 V und bei Bedarf mit einem Tastverhältnis von nahezu 100 % betrieben werden.Zu den weiteren Merkmalen des LM5148/LM5148-Q1 gehören der Betrieb bei einer maximalen Sperrschichttemperatur von 150 °C, eine vom Benutzer wählbare Diodenemulation für eine geringere Stromaufnahme bei geringer Last, ein Open-Drain-Power-Good-Flag für die Fehlermeldung und die Ausgangsüberwachung, ein Präzisions-Freigabe-Eingang, ein monotoner Start in eine vorgespannte Last, ein integrierterVCC-Bias-Versorgungsregler, eine interne Soft-Start-Zeit von 3 ms und ein thermischer Abschaltschutz mit automatischer Wiederherstellung. Der LM5148/LM5148-Q1 Regler wird in einem thermisch verbesserten 24-Pin-VQFN-Gehäuse von 3,5 mm x 5,5 mm geliefert. Die LM5148-Q1 Bauteile von Texas Instruments sind für Fahrzeuganwendungen gemäß AEC-Q100 qualifiziert.
Merkmale
- Fähig für die funktionale Sicherheit
- Dokumentation zur Unterstützung des Designs von funktionalen Sicherheitssystemen ist verfügbar
- Vielseitige synchrone DC/DC-Abwärtsregler
- Großer Eingangsspannungsbereich: 3,5 V bis 80 V
- 1 % genauer, fester Ausgang mit 3,3 V, 5 V, 12 V oder einstellbarer Ausgang von 0,8 V bis 55 V
- Maximale Sperrschichttemperatur: 150 °C
- Verlustfreie DCR- oder Shunt-Strommessung
- Strom im Abschaltmodus: 2,3 µA
- Nulllast-Schlafstrom: 9,5 µA
- Eine interne Softstart-Rampe von 3 ms
- Stapelbar bis zu zwei Phasen
- Integrierte Bootstrap-Diode
- Integrierte EMI-Unterdrückung
- Wählbare Dual Random Spread Spectrum (DRSS)-Funktion für verbesserte EMI-Leistung in niedrigen und hohen Frequenzbändern
- Optimiert für die Anforderungen von CISPR 32 Klasse B
- Schaltfrequenz von 100 kHz bis 2,2 MHz
- SYNC-in- und SYNC-out-Fähigkeit
- PFM- oder FPWM-Modi wählbar
- Inhärente Schutzfunktionen für ein robustes Design
- Interner Überstromschutz im Hiccup-Modus
- ENABLE- und PGOOD-Funktionen
- VCC-, VDDA- und Gate-Drive-UVLO-Schutz
- Interne oder externe Schleifenkompensation
- Übertemperaturschutz mit Hysterese
Applikationen
- Gebäudeautomation
- Industrie-Transportsysteme
- Power Delivery
- Prüfung und Messung
- Luft-/Raumfahrt und Verteidigung
Datenblätter
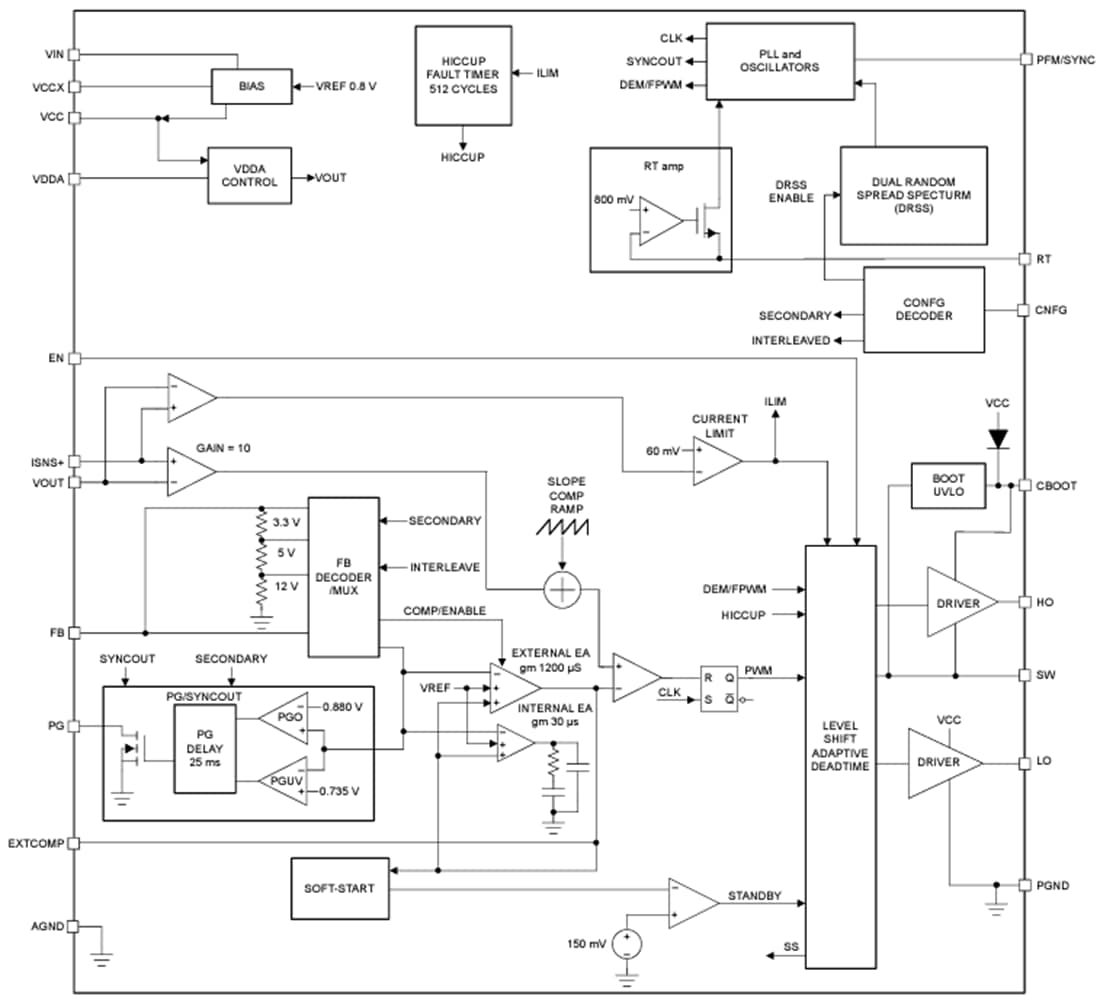
Funktionsblockdiagramm
