Texas Instruments LM5127-Q1 Buck und Boost Dreikanal-Controller

Der Texas Instruments LM5127-Q1 Buck und Boost Dreikanal-Controller ist ein Dreikanal-DC/DC-Wandler mit großem Eingangsbereich, der eine flexible Topologie (Boost/Buck) mit Spitzenstrommodusregelung unterstützt. Das Bauteil ist als eine integrierte Einzelchip-Lösung für die Frontphasen-Stromversorgung in Infotainment-, Kombiinstrument-, Bordnetzsteuerungs- sowie FAS-Automotive-Systemen ausgelegt. Der Eingangsspannungsbereich deckt sowohl Kaltstart- als auch Lastabwurf-Szenarien in Fahrzeugen ab. Die Schaltfrequenz wird mit einem externen Widerstand im Bereich von 100 kHz bis 2,2 MHz dynamisch programmiert. Das Schalten bei 2,2 MHz reduziert AM-Bandstörungen und ermöglicht eine kleine Lösungsgröße und ein schnelles Einschwingverhalten.

Der LM5127-Q1 von Texas Instruments verfügt über einen niedrigen Abschalt-IQ und einen extrem niedrigen IQ-Schlafmodus, der das Entladen der Batterie bei Null-/Leichtlastbedingungen reduziert und die Notwendigkeit für einen zusätzlichen LDO-Regler mit niedrigem IQ als CAN-Versorgung während dem Standby beseitigt. Das Bauteil enthält flexible Topologie-Kanäle, die einen Aufwärts- oder SEPIC- und zwei unabhängige Einphasen-Abwärtswandler oder einen Zweiphasen-Abwärtswandler für eine Automotive-Hochstrom-Prozessorversorgung unterstützen. Im Aufwärtsmodus unterstützt das Bauteil einen Bypass-Betrieb, wodurch die Notwendigkeit für einen externen Bypass-Schalter entfällt. Im Abwärtsmodus unterstützt das Bauteil einen Low-Dropout-Betrieb zur Reduzierung der Dropout-Spannung. Die Batterieüberwachung erkennt eine niedrige Batteriespannung und Signale, wenn ein Backup-Prozess beginnen sollte.

Eine minimale Verlustleistung wird mit einem niedrigen Strombegrenzungs-Schwellenwert und der Verwendung einer externen VCC-Versorgung erzielt. Das Bauteil verfügt über integrierte Schutzfunktionen, wie z. B. eine Spitzenstrombegrenzung, die über VIN konstant ist, einen optionalen Hiccup-Modus-Überlastschutz, einen Überspannungsschutz und eine thermische Abschaltung. Die externe Taktsynchronisierung, die programmierbare Frequenzspreizung sowie ein bleifreies Gehäuse mit minimalen Störeffekten helfen, die EMI zu reduzieren und einen Nebensignaleffekt zu vermeiden. Weitere Funktionen umfassen FPWM, DCR-Abtastung, programmierbarer Soft-Start, eine Präzisionsreferenz und Power-Good-Anzeigen.

Merkmale

  • AEC-Q100-qualifiziert für Fahrzeuganwendungen
    • Temperaturklasse 1 (TA): -40 °C bis +125 °C
  • Fähig für die funktionale Sicherheit
    • Verfügbare Dokumentation zur Unterstützung des Designs von funktionalen Sicherheitssystemen
  • Geeignet für verschiedene Architekturen und skalierbar
    • Synchrone Controller mit drei Ausgängen
    • Flexible Topologie
      • Kanal 1: Auf-/Abwärtstopologie
      • Kanal 2, Kanal 3: zwei Einphasen-Abwärtswandler/Zweiphasen-verschachtelte Abwärtstopologie
    • Freigabe-Pin und PGOOD-Anzeige pro Kanal
    • Optionale Batterieüberwachung mit niedrigem IQ
  • Ein großer Betriebsbereich für Fahrzeuganwendungen
    • Eingangsbetriebsbereich: 3,8 V bis 42 V
    • Minimaler Aufwärtseingang von 0,8 V bei BIAS ≥ 3,8 V
    • Aufwärtsausgang: einstellbar bis zu 42 V
    • Abwärtssusgang: feste 3,3 V, 5 V oder einstellbar von 0,8 V bis 42 V
    • Bypass-Betrieb wenn VSUPPLY > VLOAD (Boost)
    • LDO-Betrieb wenn VSUPPLY ≈ VLOAD (Buck)
  • Reduzierte Batterieentladung
    • Abschaltstrom: ≤ 2,8 µA
    • Automatischer Übergang zu einem Schlafmodus mit niedrigem IQ
    • Batterieentladung im Schlafmodus
      • IQ ≤ 14 µA, wenn 3,3-V-Abwärtswandler eingeschaltet
      • IQ ≤ 22 µA, wenn 3,3-V- und 5-V-Abwärtswandler eingeschaltet
      • IQ ≤ 32 µA, wenn 3,3-V-, 5-V- Abwärtswandler eingeschaltet und Aufwärtswandler im Bypass-Modus
    • Hoher Wirkungsgrad mit starken 5-V-Treibern
    • VCC- und VDD-Regler mit Dual-Eingang
  • Kleine und kostengünstige Lösung
    • Maximale Schaltfrequenz: 2,2 MHz
    • Interne Boot-Diode (Boost)
    • Konstante Spitzenstrombegrenzung
    • Unterstützt DCR-Induktivitäts-Strommessung
    • QFN-48 mit benetzbaren Flanken
  • Vermeiden von AM-Band-Störung und Nebensignaleffekt
    • Optionale Taktsynchronisierung
    • Schaltfrequenz von 100 kHz bis 2,2 MHz
    • Wählbarer Schaltmodus (FPWM, Dioden-Emulation und Skip-Modus)
  • EMI-Mitigation
    • Optionale programmierbare Frequenzspreizung
  • Programmierbarkeit und Flexibilität
    • Programmierbarer Aktivierungs- und Schlafmodus-Schwellenwert
    • Dynamische Schaltfrequenz-Programmierung
    • Einstellbare Soft-Start-Zeit
    • Einstellbarer Ausgang mit einer Referenz von 0,8 V ±1 %
    • Adaptive Totzeit-Regelung
  • Integrierte Schutzfunktionen
    • Überstromschutz
      • Zyklus-für-Zyklus-Spitzenstrombegrenzung
      • Optionaler Hiccup-Modus-Schutz (Buck)
      • Optionaler Latch-Off-Modus-Schutz (Buck)
    • Überspannungsschutz
    • HB-SW-Kurzschluss-Sicherung (Boost)
    • Übertemperaturschutz

Applikationen

  • Automotive-Infotainment/-Kombiinstrumente
  • Automotive-Bordnetzsteuerung/-Beleuchtung
  • Automotive-FAS

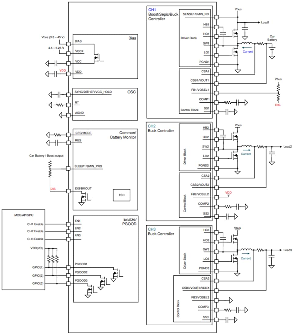
Funktionales Blockdiagramm

Blockdiagramm - Texas Instruments LM5127-Q1 Buck und Boost Dreikanal-Controller
Veröffentlichungsdatum: 2021-01-19 | Aktualisiert: 2022-03-11