Texas Instruments ISOW7741DFMEVM Evaluierungsmodul
Das Texas Instruments ISOW7741DFMEVM Evaluierungsmodul ist für die einfache Demonstration des ISOW774x in einem 20-Pin-WB-SOIC-Gehäuse (Gehäuse-Code-DFM) ausgelegt. Der ISOW774x ist ein verstärkter Hochleistungs-Vierkanal-Digitalisolator mit 5.000 VRMS und einem integrierten DC/DC-Wandler mit hohem Wirkungsgrad und geringen Emissionen.Merkmale
- Verstärkter Hochleistungs-Vierkanal-Digitalisolator mit 5.000 VRMS und einem integrierten DC/DC-Wandler mit hohem Wirkungsgrad und geringen Emissionen
- Separate IO- und DC/DC-Versorgungseingänge
- Großer Versorgungs- und Pegelumsetzungsbereich für IO: 1,71 V bis 5,5 V
- Hohe Signalrate von bis zu 100 MBit/s
- Lebensdauer der Isolationsbarriere: > 40 Jahre
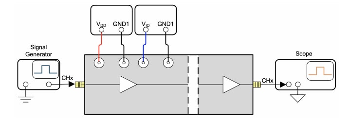
Typische Testeinrichtung
Layout
Veröffentlichungsdatum: 2021-01-07
| Aktualisiert: 2022-08-26
