Texas Instruments ISOW1044DFMEVM Transceiver-Evaluierungsmodul

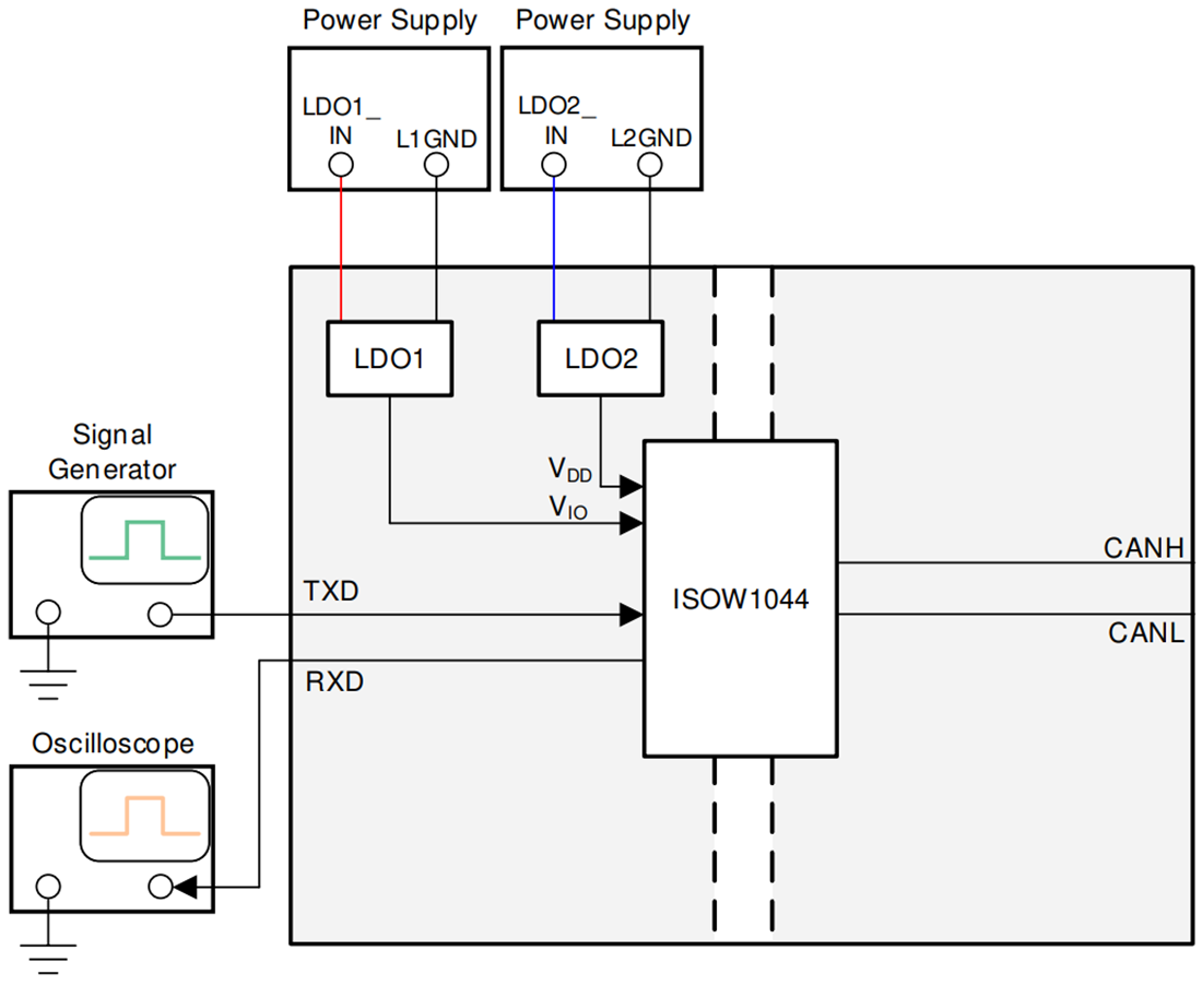
Das Transceiver-Evaluierungsmodul (EVM) ISOW1044DFMEVM von Texas Instruments wird zur Evaluierung des ISOW1044 verwendet. Der ISOW1044 ist ein leistungsstarker, verstärkt isolierter 5000VRMS-CAN-Transceiver mit integriertem DC/DC-Wandler mit hohem Wirkungsgrad und geringen Emissionen ISOW1044 in einem 20-Pin-WB-SOIC-Gehäuse (Gehäusecode-DFM). Das ISOW1044DFMEVM ermöglicht es dem Benutzer, das ISOW1044 Bauteil vor der Integration des Bauteils in sein Design gründlich zu evaluieren. Um das Evaluierungsmodul aus verschiedenen Stromquellen zu versorgen, einschließlich geregelte Stromversorgungen, Standard-DC-Adapter und Batterien, enthält das Evaluierungsmodul zwei einstellbare Ausgangs-LDOs (LM317M). Diese LDOs sind mit den VIO- und VDD-Pins des ISOW1044 verbunden. Diese Verbindung ermöglicht es den LDO-Eingängen, sich mit einem größeren Bereich von Versorgungsspannungen zu verbinden. Die optimale Spannung für den normalen Betrieb des Evaluierungsmoduls liegt zwischen 9 V und 12 V. Darüber hinaus enthält das ISOW1044DFMEVM von Texas Instruments einen On-Board-Oszillator (LTC6908-1) , der mit den Eingangspins (TXD und IN) von ISOW1044 über 0 Ω Widerstände verbunden werden kann. Der Oszillator hilft ein schnelles Testsignal bereitzustellen, um den Betrieb des Bauteils zu verifizieren.

Merkmale

  • Leistungsstarker, 5000 VRMS verstärkter, isolierter CAN-Transceiver mit integriertem hocheffizienten, emissionsarmen DC-DC-Wandler
  • Separate IO- und DC/DC-Versorgungseingänge
  • 1,71 V bis 5,5 V weiter Versorgungsspannungsbereich für IO
  • Unterstützt CAN-FD
  • Erfüllt CISPR 32 Klasse B Grenzwerte für abgestrahlte Emissionen
  • Dieses Evaluierungsmodul ist getestet und enthält Vorrichtungen für die Evaluierung des ISOW1044 Bauteils

Testeinrichtung

Tabelle - Texas Instruments ISOW1044DFMEVM Transceiver-Evaluierungsmodul
Veröffentlichungsdatum: 2021-05-17 | Aktualisiert: 2022-03-11