Texas Instruments INA301/-Q1 Zero-Drift-Strom-Shunt-Monitore
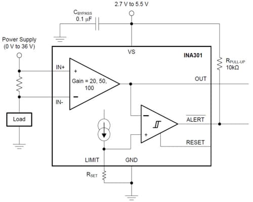
DieTexas Instruments INA301/INA301-Q1 Null-Drift-Spannungs-Ausgangsstrom-Shunt-Monitore umfassen sowohl einen hohen Gleichtaktmodus, einen Stromerfassungsverstärker und einen Hochgeschwindigkeits-Komparator. Diese sind konfiguriert, um Überstrombedingungen durch Messung der Spannung, die sich durch eine Strommessung oder Shunt-Widerstände entwickelt hat, zu erkennen und diese Spannung mit einem definierten Grenzwert zu vergleichen. Das Gerät umfasst eine einstellbare Schwellenwertspanne, die mittels eines einfachen Widerstands mit Grenzwerteinstellung festgelegt wird. Das Gerät kann das differentielle Spannungssignal auf Gleichtakt-Spannungen messen, das unabhängig von der Versorgungsspannung von 0V bis zu 36V variieren kann. Die TPS22918-Q1-Geräte sind AEC-Q100-qualifiziert für Anwendungen in der Automobilindustrie.Merkmale
- 0V to 36V wide common-mode input range
- High accuracy amplifier
- 35µV (max) offset voltage
- 0.5µV/°C (max) offset voltage drift
- 0.1% (max) gain error
- 10ppm/°C gain error drift
- Available amplifier gains
- INA301A1: 20V/V
- INA301A2: 50V/V
- INA301A3: 100V/V
- Dual output (amplifier and comparator output)
- The programmable alert threshold set through a single resistor
- 1µs total alert response time
- Open-drain output with latching mode
- VSSOP-8 package
Applikationen
- Overcurrent protection
- Power-supply protection
- Circuit breakers
- Computers and servers
- Telecom equipment
- Battery management
Datasheets
Functional Block Diagram
Veröffentlichungsdatum: 2016-05-04
| Aktualisiert: 2022-03-11
