Texas Instruments DRV8884 1,0A-Schrittmotortreiber
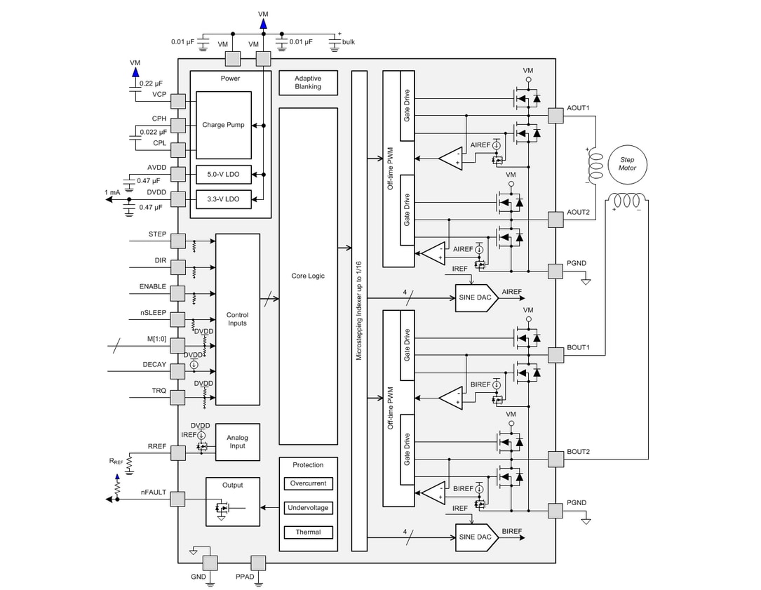
Der Texas Instruments DRV8884 1,0A-Schrittmotortreiber ist für Industrieapplikationen ausgelegt. Das Bauteil verfügt über zwei H-Brücken-Treiber mit n-Kanal-Leistungs-MOSFETs, einen Mikroschritt-Indexer und eine integrierte Strommessung. Der DRV8884 ist in der Lage bis 1,0 A Strom bei Vollausschlag oder 0,7 Arms Ausgangsstrom anzutreiben. Die integrierte Strommessfunktion macht den Einsatz von zwei externen Sensorwiderständen überflüssig. Die STEP/DIR-Pins ermöglichen eine einfache Steuerschnittstelle. Das Bauelement kann im Vollschritt- bis zu 1/16-Schrittmodus konfiguriert werden. Ein Ruhemodus mit geringem Stromverbrauch wird bei sehr niedrigem Ruhestrom-Standby mit einem dedizierten nSLEEP-Pin bereitgestellt.Merkmale
- PWM-Mikroschritt-Schrittmotortreiber
- Bis zu 1/16 Mikroschritte
- Ohne Rundlauf und mit Standard-Halbschrittmodi
- Integrierte Stromsensorfunktion
- Kein Messwiderstand erforderlich
- Genauigkeit bei Endstrom: ±6,25 %
- Langsame und gemischte Abklingoptionen
- Betriebsversorgungsspannungsbereich: 8,0 bis 37 V
- Niedriger RDS(ON): 1,4 Ω HS + LS bei 24 V, 25 °C
- Hohe Strombelastbarkeit
- 1,0 A Endstrom pro Brücke
- 0,7 A RMS pro Brücke
- PWM-Stromregelung mit fester Ausschaltzeit
- Einfache STEP/DIR-Schnittstelle
- Schlafmodus mit geringem Stromverbrauch (20 µA)
- Kleines Gehäuse und kleiner Footprint
- HTSSOP-24 (PowerPAD)
- Schutzfunktionen
- VM-Unterspannungssperre (UVLO)
- Ladungspumpen-Unterspannung (CPUV)
- Überstromschutz (OCP)
- Thermische Abschaltung (TSD)
- Fehlerbedingungs-Anzeigepin (nFAULT)
Applikationen
- Multifunktions-Drucker und -Scanner
- Laserstrahldrucker
- 3D-Drucker
- Geldautomaten und Geldsortieranlagen
- Sicherheitsvideokameras
- Büroautomatisierungsgeräte
- Fabrikautomatisierung und Robotik
Funktionales Diagramm
Veröffentlichungsdatum: 2016-07-01
| Aktualisiert: 2022-03-11
