Texas Instruments DRV8848 Dual-H-Brücken-Motortreiber
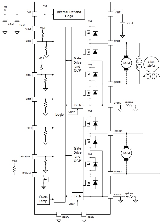
Der Dual-H-Brücken-Motortreiber DRV8848 von Texas Instruments enthalten zwei H-Brücken, die NMOS-Treiber und eine Strommessregelungsschaltung verwenden. Der Ausgangsblock jedes H-Brücken-Treibers besteht aus n-Kanal- und p-Kanal-Leistungs-MOSFETs, die als vollständige H-Brücken für den Antrieb von Motorwicklungen konfiguriert sind. Jede H-Brücke enthält eine Schaltung zur Regelung des Wicklungsstroms mit einem festen off-time-Schaltschema. Diese Treiber treiben bis zu 2 A Strom von jedem Ausgang oder 4 A Strom im Parallelmodus an (mit angemessenem Kühlkörper, bei 12 V und 25 °C TA). Die Treiber DRV8848 verfügen über eine Unterspannungssperre (UVLO), einen Überstromschutz (OCP), eine thermische Abschaltung (TSD) und einen Fehlerzustandsanzeige-pin (nFAULT). Diese Treiber werden in Haushaltsgeräten, standardmäßigen Bürsten- und Schrittmotoren und Druckern verwendet.Merkmale
- Dual-H-Brücken-Motortreiber:
- Einzel-/Dual-Bürsten-DC
- Schrittmotor
- Hoher Ausgangsstrom pro H-Brücke
- Maximaler Treiberstrom bei 12 V und TA= 25 °C: 2 A
- Ein Parallelmodus ist verfügbar, der zu einem maximalen Treiberstrom von 4 A bei 12 V und TA= 25 °C fähig ist
- Betriebsversorgungsspannungsbereich: 4 bis 18 V
- Niedriger ON-Widerstand HS+LS = 900 mΩ (typisch, 25 °C)
- PWM-Steuerschnittstelle
- Optionale Stromregelung mit fester Ausschaltzeit von 20 μs
- Niedrigstrom-Schlafmodus: 3 µA
- Thermisch verbessertes Gehäuse zur Oberflächenmontage
- Schutzfunktionen:
- Unterspannungssperre (UVLO)
- Überstromschutz (OCP)
- Thermische Abschaltung (TSD)
- Fehlerzustandsanzeige-Pin (nFAULT)
Applikationen
- Drucker
- Allgemeine Bürsten- und Schrittmotoren
- Haushaltsgeräte
Funktionales Blockdiagramm
Vereinfachtes Schaltplan-Diagramm
Veröffentlichungsdatum: 2025-01-22
| Aktualisiert: 2025-02-19
