Texas Instruments DRV8376-Q1 Integrierte 3-Phasen-FET-Motortreiber

Die integrierten 3-Phasen-FET-Motortreiber DRV8376-Q1 von Texas Instruments bieten einen Gate-Treiber und eine Leistungsstufe zum Antrieb bürstenloser DC-Motoren mit 4,5 V bis 65 V. Diese Motortreiber verfügen über drei Halbleiterbrücken mit einer absoluten Maximalspannung von 70 V und einem sehr niedrigen Einschaltwiderstand RDS(ON) von 400 mΩ (High-Side plus Low-Side). Die DRV8376-Q1 Motortreiber unterstützen eine PWM-Frequenz bis zu 100 kHz, eine Zyklus-für-Zyklus-Strombegrenzung zur Einschränkung des Phasenstroms, eine aktive Entmagnetisierung und 48-V-Systeme. Diese Bauteile enthalten 6 oder 3 PWM-Steuerungsoptionen, um mit einem externen Mikrocontroller eine FOC (Field-Oriented Control) mit oder ohne Sensor, eine Sinussteuerung oder eine Trapezsteuerung zu implementieren. Die DRV8376-Q1 Bauteile sind gemäß AEC-Q100 für Fahrzeuganwendungen zugelassen. Typische Applikationen umfassen bürstenlose DC-Motormodule (BLDC), HVAC-Motoren, Büroautomationsmaschinen, Fabrikautomatisierung, Robotik, drahtlose Antennenmotoren und Drohnen.

Die DRV8376-Q1 Motortreiber enthalten einen eingebauten LDO-Regler mit 3,3 V (5 %), 30 mA und einen eingebauten LDO-Regler mit 5 V (5 %), 30 mA. Die Schutzfunktionen sind Unterspannungssperre (UVLO), Ladungspumpen- Unterspannung (CPUV), Überstromschutz (OCP), thermische Warnung und Abschaltung (OTW/OTSD) sowie einen Anzeige-Pin des Fehlerzustands (nFAULT).

Merkmale

  • Dreiphasiger BLDC-Motortreiber:
    • Unterstützt 48-V-Systeme
    • Unterstützt eine PWM-Frequenz bis zu 100 kHz
    • Aktive Entmagnetisierung zur Reduzierung von Leistungsverlusten
    • Zyklus-für-Zyklus-Strombegrenzung, um den Phasenstrom zu begrenzen
  • Betriebsspannung von 4,5 V bis 65 V (max. 70 V)
  • Spitzen-Ausgangsstromfähigkeit: 4,5 A
  • RDS(ON) (HS + LS) bei TA = 25 °C niedriger MOSFET-Einschaltwiderstand: 400 mΩ
  • Einstellbare Optionen der Anstiegsrate reduzieren den Schaltverlust mit einer Anstiegsrate von 1,1 V/ns und einer Technik zur Sperrverzögerungminimierung
  • Geringe Geräuschentwicklung und einfache Bedienung der Motorsteuerung dank extrem kurzer Totzeit von <200 ns und="" laufzeitverzögerungen="" von=""><>
  • 1,5 µA typisch bei VVM = 24 V, TA = 25 °C Ruhemodus mit geringem Stromverbrauch
  • Mehrere Optionen für Steuerschnittstelle:
    • 6 PWM-Steuerschnittstellen
    • 3 PWM-Steuerschnittstellen
  • Benötigt keine externen Strommesswiderstände, eingebaute Stromsensoren
  • Flexible Bauformoptionen für Bauelemente:
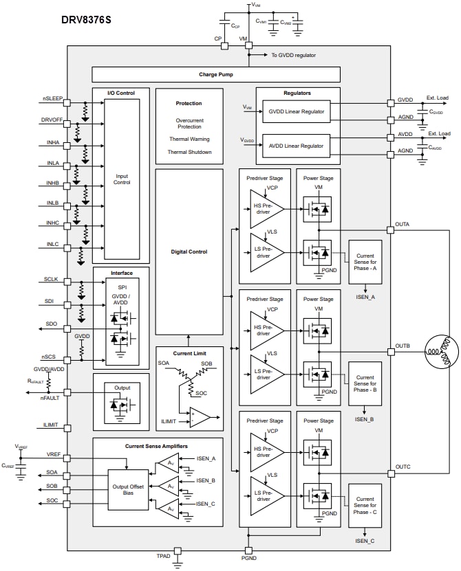
    • DRV8376S 5 MHz 16-Bit SPI für Bauelementbauform und Fehlerstatus
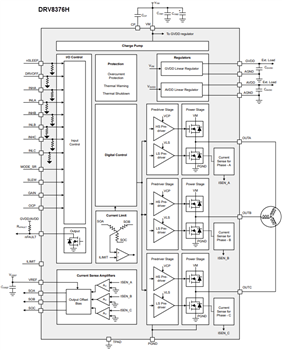
    • DRV8376H: Pin-basierte Hardware-Konfiguration
  • Unterstützt Logikschaltungseingänge von 1,8 V, 3,3 V und 5 V
  • Integrierter 30-mA-LDO-Regler von 3,3 V (5 %)
  • Eingebauter 5 V (5 %), 30 mA LDO-Regler
  • Integrierte Schutzfunktionen:
    • Unterspannungsabschaltung (UVLO)
    • Ladungspumpen-Unterspannung (CPUV)
    • Überstromschutz (OCP)
    • Thermische Warnung und Abschaltung (OTW/OTSD)
    • Anzeige-Pin für Fehlerzustand (nFAULT)
    • Optionale Fehlerdiagnose über SPI

Applikationen

  • Bürstenlose DC-Motormodule (BLDC)
  • HLK-Motoren
  • Büroautomatisierungsmaschinen
  • Fabrikautomatisierung und Robotik
  • Drahtloser Antennenmotor
  • Drohnen

Funktionsblockdiagramme

Schaltschema

Schaltplan - Texas Instruments DRV8376-Q1 Integrierte 3-Phasen-FET-Motortreiber
Veröffentlichungsdatum: 2025-07-03 | Aktualisiert: 2025-07-28