Texas Instruments DRV8343x-Q1 Automotive-Dreiphasen-Smart-Gate-Treiber
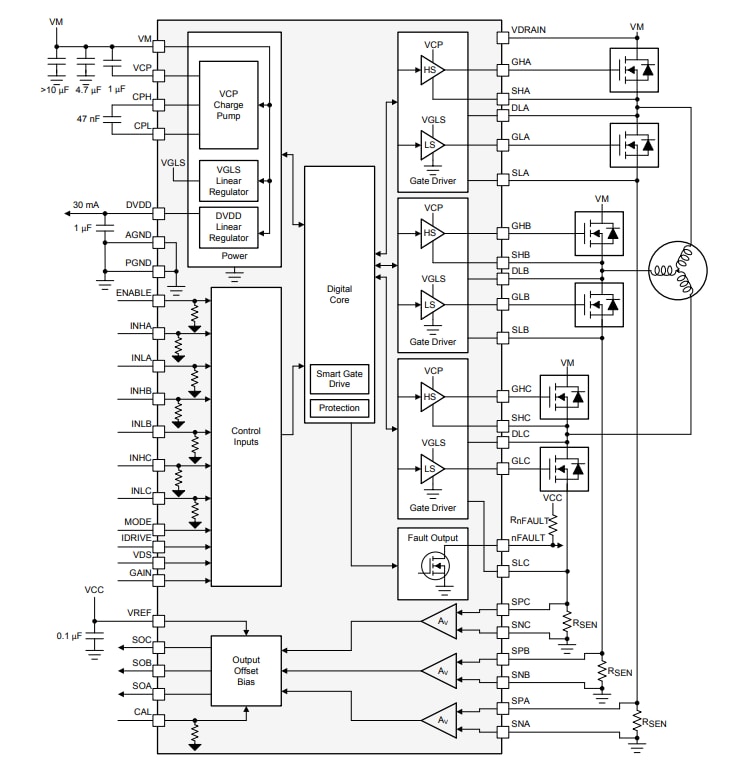
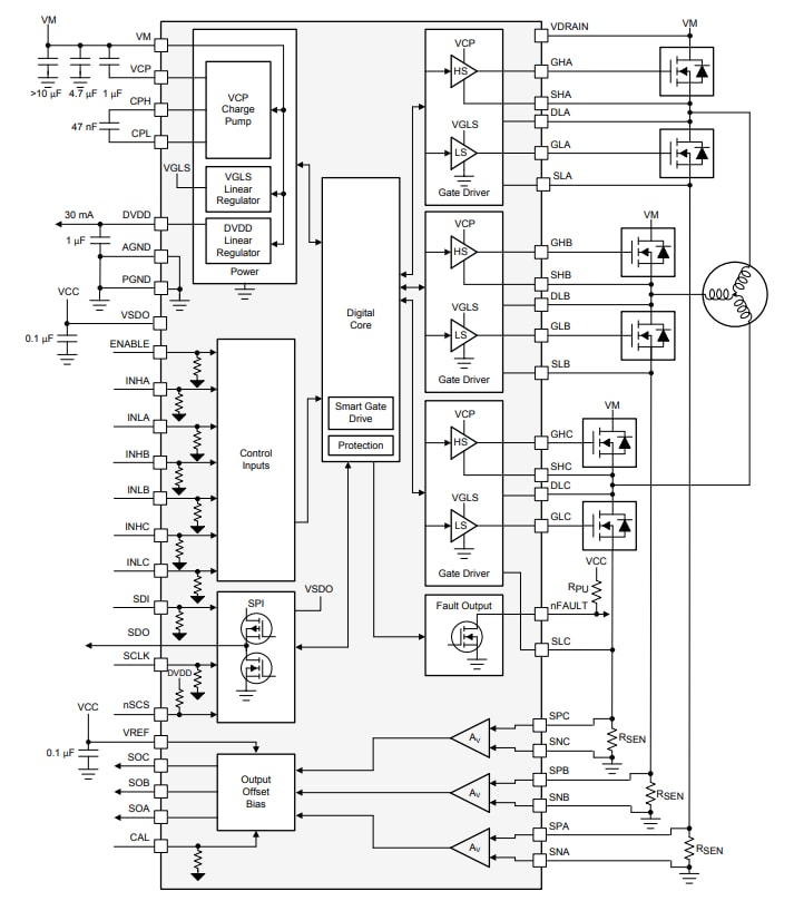
Texas Instruments DRV8343x-Q1 60-V-Automotive-Smart-Gate-Treiber bieten drei Halbbrücken-Gate-Treiber, die jeweils High- und Low-Side-n-Kanal-Leistungs-MOSFETs treiben können. Der DRV8343S-Q1 verfügt über eine SPI-Schnittstelle, während der DRV8343H-Q1 eine Hardware-Schnittstelle bietet. Die unabhängige MOSFET-Steuerung wird durch dedizierte Quellen- und Drain-Pins für Magnetapplikationen freigegeben.Der DRV8343-Q1 erzeugt die jeweils richtigen Ansteuerungsspannungen über eine integrierte Ladungspumpe für die High-Side-MOSFETs und einen Linearregler für die Low-Side-MOSFETs. Die Smart-Gate-Drive-Architektur unterstützt einen Gate-Antriebs-Spitzenstrom von bis zu 1 A für Quellen- und 2 A für Senkstrom. Das Bauteil wird mit einer einzigen Stromversorgung betrieben und unterstützt einen großen Eingangsspannungsbereich von 5,5 V bis 60 V. Die DRV8343-Q1 Bauteile sind für Fahrzeuganwendungen AEC-Q100-qualifiziert.
Merkmale
- AEC-Q101-qualifiziert für Fahrzeuganwendungen
- Temperaturklasse 1: –40 °C ≤ TA ≤ 125 °C
- Drei unabhängige Halbbrücken-Gate-Treiber
- Dedizierte Quellen(SHx)- und Drain-(DLx)-Pins zur Unterstützung einer unabhängigen MOSFET-Steuerung
- Steuert High-Side- und Low-Side-n-Kanal-MOSFETs (NMOS) an
- Smart-Gate-Drive-Architektur
- Einstellbare Anstiegsratensteuerung
- 1,5 mA bis 1 A Spitzen-Quellstrom
- 3 mA bis 2 A Spitzen-Senkstrom
- Ladungspumpe des Gate-Treibers für ein Tastverhältnis von 100 %
- 3 integrierte Strommessverstärker (CSAs)
- Einstellbare Gain (5, 10, 20, 40 V/V)
- Bidirektionale oder unidirektionale Unterstützung
- SPI(S)- und Hardware(H)-Schnittstelle verfügbar
- 6x, 3x, 1x und unabhängige PWM-Modi
- Unterstützt 3,3-V- und 5-V-Logikeingänge
- Ladungspumpen-Ausgang kann zum Antrieb des Verpolungsschutz-MOSFETs verwendet werden
- Linearer Spannungsregler, 3,3 V, 30 mA
- Integrierte Schutzfunktionen
- VM-Unterspannungssperre (UVLO)
- Ladungspumpen-Unterspannung (CPUV)
- Kurzschluss-zu-Batterie (SHT_BAT)
- Kurzschluss-zu-Masse (SHT_GND)
- MOSFET-Überstromschutz (OCP)
- Gate-Treiber-Fehlererkennung (GDF)
- Thermische Warnung und Abschaltung (OTW/OTSD)
- Fehlerbedingungs-Anzeige (nFAULT)
Applikationen
- 12 V und 24 V Automotive-Motorsteuerungsapplikationen
- BLDC- und BDC-Motormodule
- Lüfter und Gebläse
- Kraftstoff- und Wasserpumpen
- Magnetspulenantrieb
DRV8343H-Q1 Blockdiagramm
DRV8343S-Q1 Blockdiagramm
Veröffentlichungsdatum: 2019-05-17
| Aktualisiert: 2023-09-14
