Texas Instruments DRV8340-Q1 Automotive-Dreiphasen-Smart-Gate-Treiber

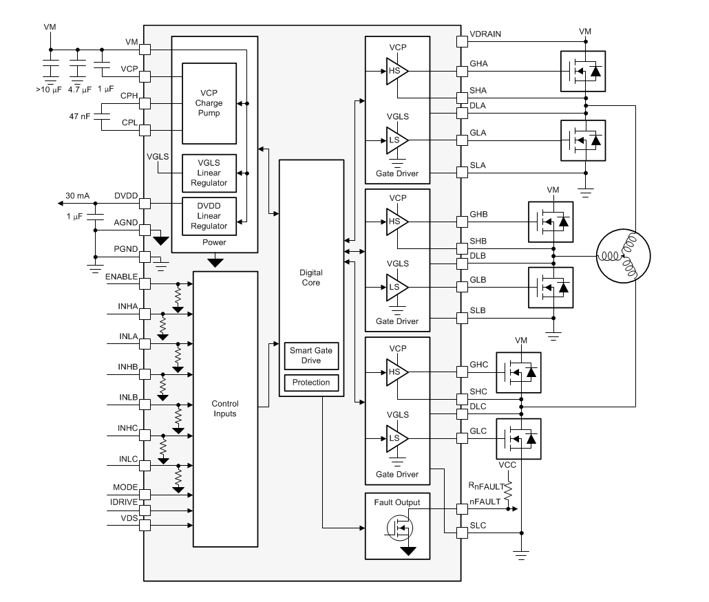
Texas Instruments DRV8340-Q1 Automotive-Dreiphasen-Smart-Gate-Treiber mit 6 bis 60 V bieten drei Halbbrücken-Gate-Treiber, die jeweils High- und Low-Side-n-Kanal-Leistungs-MOSFETs ansteuern können. Die unabhängige MOSFET-Steuerung wird durch dedizierte Quellen- und Drain-Pins für Solenoid-Applikationen ermöglicht.

Dieses Bauteil enthält interne Schutzfunktionen für Unterspannungssperre, Ladungspumpenfehler, MOSFET-Überstrom, MOSFET-Kurzschluss, Phasenknoten-Kurzschluss zur Versorgung und Masse, Gate-Treiber-Fehler und Übertemperatur. Der stromsparende Schlafmodus wird für einen geringen Ruhestrom eingesetzt. Die DRV8340-Q1 Bauteile sind für Fahrzeuganwendungen AEC-Q100-qualifiziert.

Merkmale

  • AEC-Q101-qualifiziert für Fahrzeuganwendungen
    • Temperaturklasse 1: –40 °C≤ TA ≤125 °C
  • Drei unabhängige Halbbrücken-Gate-Treiber
    • Dedizierte Quellen(SHx)- und Drain-(DLx)-Pins zur Unterstützung einer unabhängigen MOSFET-Steuerung
    • Steuert High-Side- und Low-Side-n-Kanal-MOSFETs (NMOS) an
  • Smart-Gate-Drive-Architektur
    • Einstellbare Anstiegsratensteuerung
    • 1,5 mA bis 1 A Spitzen-Quellstrom
    • 3 mA bis 2 A Spitzen-Senkstrom
  • Ladungspumpe des Gate-Treibers für ein Tastverhältnis von 100 %
  • SPI(S)- und Hardware(H)-Schnittstelle verfügbar
  • 6x, 3x, 1x und unabhängige PWM-Modi
  • Unterstützt 3,3-V- und 5-V-Logikeingänge
  • Ladungspumpen-Ausgang kann zum Antrieb des Verpolungsschutz-MOSFETs verwendet werden
  • Linearer Spannungsregler, 3,3 V, 30 mA
  • Integrierte Schutzfunktionen
    • VM-Unterspannungssperre (UVLO)
    • Ladungspumpen-Unterspannung (CPUV)
    • Kurzschluss-zu-Batterie (SHT_BAT)
    • Kurzschluss-zu-Masse (SHT_GND)
    • MOSFET-Überstromschutz (OCP)
    • Gate-Treiber-Fehlererkennung (GDF)
    • Thermische Warnung und Abschaltung (OTW/OTSD)
    • Fehlerbedingungs-Anzeige (nFAULT)

Applikationen

  • 12-V- und 24-V-Automotive-Motorsteuerungsapplikationen
    • BLDC- und BDC-Motormodule
    • Lüfter und Gebläse
    • Kraftstoff- und Wasserpumpen
    • Solenoid-Antrieb

Funktionales Blockdiagramm

Blockdiagramm - Texas Instruments DRV8340-Q1 Automotive-Dreiphasen-Smart-Gate-Treiber
Veröffentlichungsdatum: 2019-07-17 | Aktualisiert: 2025-03-06