Texas Instruments DRV10982-Q1 Sensorloser BLDC-Motortreiber
Texas Instruments DRV10982-Q1 Sensorlose BLDC-Motortreiber sind 3-phasige sensorlose Motortreiber mit integrierten Leistungs-MOSFETs, die einen kontinuierlichen Antriebsstrom von bis zu 2 A liefern können. Das Gerät wurde speziell für kostensensitive, geräuscharme Lüfter- und Pumpenanwendungen entwickelt, die nur wenige externe Komponenten benötigen.Der Baustein DRV10982-Q1 von Texas Instruments hält die Registereinstellung bis hinunter zu 4,5 V aufrecht und liefert Strom an den Motor mit einer Versorgungsspannung bis hinunter zu 6,2 V. Wenn die Versorgungsspannung 28 V überschreitet, stoppt das Bauelement den Antrieb des Motors und schützt die DRV10982-Q1 Schaltung. Diese Funktion kann einen Lastabwurfzustand von bis zu 45 V bewältigen.
Merkmale
- Für Fahrzeuganwendungen zugelassen
- Mit den folgenden Ergebnissen AEC-Q100-qualifiziert:
- Bauteiltemperatur Klasse 1: TA -40 °C bis +125 °C Umgebungsbetriebstemperaturbereich
- HBM-ESD-Bauteilklassifikation Stufe 1C
- CDM-ESD-Bauteilklassifikationsstufe C4A
- Betriebsspannungsbereich
- Motorbetrieb, 6,2 V bis 28 V
- Registereinstellung erhalten, 4,5 V bis 45 V
- Unterstützt Lastabwurfspannung bis zu 45 V
- Treiber gesamt H + L rDS(on)
- 300 mΩ bei TA = 25 °C
- 400 mΩ bei TA = 125 °C
- Antriebsstrom: 2 A Wicklungsdauerstrom (3 A Peak)
- Konfigurierbare Ausgangs-PWM-Anstiegsrate und -Frequenz für das EMI-Management
- Sensorloses proprietärse elektromotorisches Gegenkraft(BEMF)-Steuerungsschema (Hall-Sensoren sind nicht erforderlich)
- Kontinuierliche sinusförmige 180°-Kommutierung
- Anfänglicher Positionserkennungs-Algorithmus zur Vermeidung eines Rückwärtsdralls während der Inbetriebnahme
- Kein externer Messwiderstand erforderlich
- Flexible Optionen für die Benutzeroberfläche
- I2C Schnittstelle: Zugriff auf Register für Befehl und Rückmeldung
- Dedizierter SPEED-Pin: akzeptiert entweder einen analogen oder einen PWM-Eingang
- Dedizierter FG-Pin: Bietet ein TACH-Feedback
- Ein Spin-Up-Profil kann an EEPROM angepasst werden
- Vorwärts-/Rückwärts-Steuerung mit DIR-Pin
- Integrierter Abwärtswandler zur effizienten Bereitstellung von LDOs von 5 V und 3,3 V für interne und externe Schaltungen
- Versorgungsstrom von 8,5 mA mit Standby-Version (DRV10982SQ)
- Versorgungsstrom von 48 µA mit Schlaf-Version (DRV10982Q)
- Schutzmerkmale
- Überstromschutz (Schutz für Kurzschlüsse von Phase zu Phase, Phase zu GND und Phase zu VCC)
- Erkennung sperren
- Anti-Spannungs-Überspannungsschutz (AVS)
- UVLO-Schutz
- Übertemperaturschutz
- Gehäuse mit verbesserten thermischen Eigenschaften
Merkmale
- Kleine Automotive-Pumpen und -Lüfter
- Sitzbelüftungs-Lüfter
- Kraftstoffpumpen für Motorräder
- HEV-Batterielüfter
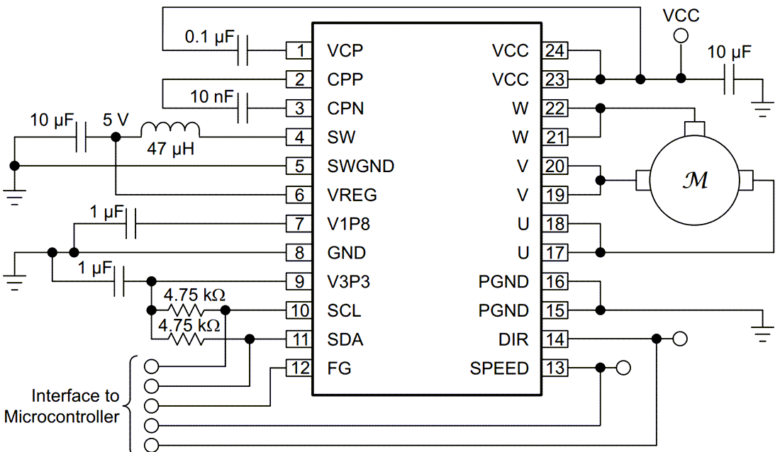
Applikations-Schaltplan
Veröffentlichungsdatum: 2022-04-04
| Aktualisiert: 2022-09-23
