Texas Instruments DAC39RF10 und DAC39RFS10 DACs
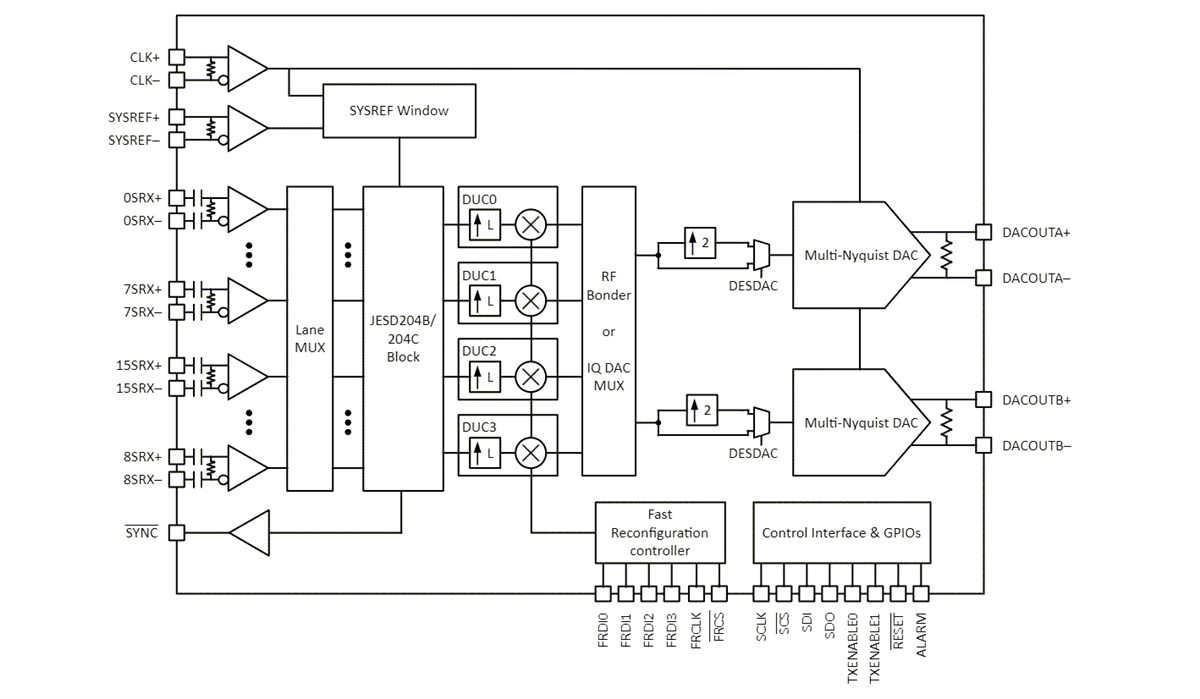
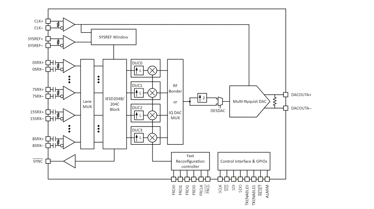
Die Digital-Analog-Wandler (DACs) DAC39RF10 und DAC39RFS10 von Texas Instruments bieten Zwei- und Einzelkanaloptionen mit 16-Bit-Auflösung. Die DAC39RF10 und DAC39RFS10 ermöglichen die Anpassung an Nichtinterpolation oder Interpolation für direkte RF-Abtastung oder komplexe Basisbandsignalerzeugung. Die Geräte bieten eine maximale Eingangsdatenrate von 20,48 GSPS für einen einzelnen Kanal oder 10,24 GSPS für zwei Kanäle.Die DACs DAC39RF10 und DAC39RFS10 von TI ermöglichen die Erzeugung von Signalen mit Bandbreiten von bis zu 10 GHz, 7,5 GHzund 5 GHz (8-, 12- und 16-Bit-Eingangsauflösung) bei Trägerfrequenzen von über 8 GHz, was eine direkte Abtastung im C-Band und darüber hinaus im X-Band ermöglicht.
Dank der hohen Abtastrate, des Ausgangsfrequenzbereichs, die 64-Bit-NCO-Frequenzauflösung und der Phasenkohärenz bei Frequenzsprüngen sind diese Bauteile in der Lage, beliebige Wellenformen zu generieren (AWG) und eine direkte digitale Synthese (DDS) durchzuführen.
Die serielle Schnittstelle ist kompatibel mit JESD204B und JESD204C und verfügt über 16 Empfängerpaare, die bis zu 12,8 Gbit/s verarbeiten können. Diese Schnittstelle erfüllt die Anforderungen des StandardsJESD204B und JESD204C Subklasse-1 und ermöglicht eine deterministische Latenz sowie die Synchronisierung mehrerer Geräte über SYSREF.
Merkmale
- 16-Bit, 10,24/20,48 GSPS, Multi-Nyquist-DAC-Kern
- Maximale Eingangsdatenrate:
- 8-Bit, Einzelkanal, DES-Modus bei 20,48 GSPS
- 12-Bit, Einzelkanal, DES-Modus bei 15,5 GSPS
- 16-Bit, Einzelkanal bei 10,24 GSPS
- 8-Bit, Zweikanal, 10,24 GSPS
- 12-Bit, Dual-Kanal bei 7,75 GSPS/ch
- 16-Bit, Dual-Kanal bei 6,2 GSPS/ch
- Ausgabebandbreite (-3 dB) bei 12 GHz
- Leistung bei fOUT = 2,997 GHz DES2XL Modus, DEM/Dither aus
- Rauschniveau (kleines Signal) bei -155 dBFS/Hz
- SFDR (-0,1 dBFS) bei 60 dBc
- IMD3 (-7 dBFS für jeden Ton) bei -62dBc
- Additives Phasenrauschen, 10 kHz Offset bei -138 dBc/Hz
- Vier integrierte digitale Aufwärtswandler (DUC)
- Interpolation von 1x, 2x, 3x, 4x, 6x, 8x ... 256x
- Komplexer Basisband-DUC für die I/Q-Ausgabe
- Komplexe Aufwärtskonvertierung für direkte Zweikanal-RF-Abtastung
- 64-Bit-Frequenzauflösung für NCOs
- Schnelle Rekonfigurationsschnittstelle für schnelles Frequenzspringen
- 4-Bit-Daten mit 200 MHz Takt
- 60 ns Rekonfiguration (32-Bit-Frequenz)
- Beliebiges Frequenzspringen mit Phasenkohärenz
- JESD204C-Schnittstelle
- Bis zu 16 Leitungen bei bis zu 12,8 Gbit/s
- Klasse CS, Subklasse-1-kompatibel
- Interne AC-Kopplungskondensatoren
- SYSREF-Fensterung zur automatischen SYSREF-Zeitkalibrierung
Applikationen
- Satellitenkommunikation (SATCOM)
- Phasenarray-Antennensysteme
- SAR-Erregereinrichtung für synthetisches Apertur Radar
- Tester für drahtlose Kommunikation
- Generator für beliebige Wellenformen (AWG)
Einkanal - Blockdiagramm
Zweikanal-Blockdiagramm
