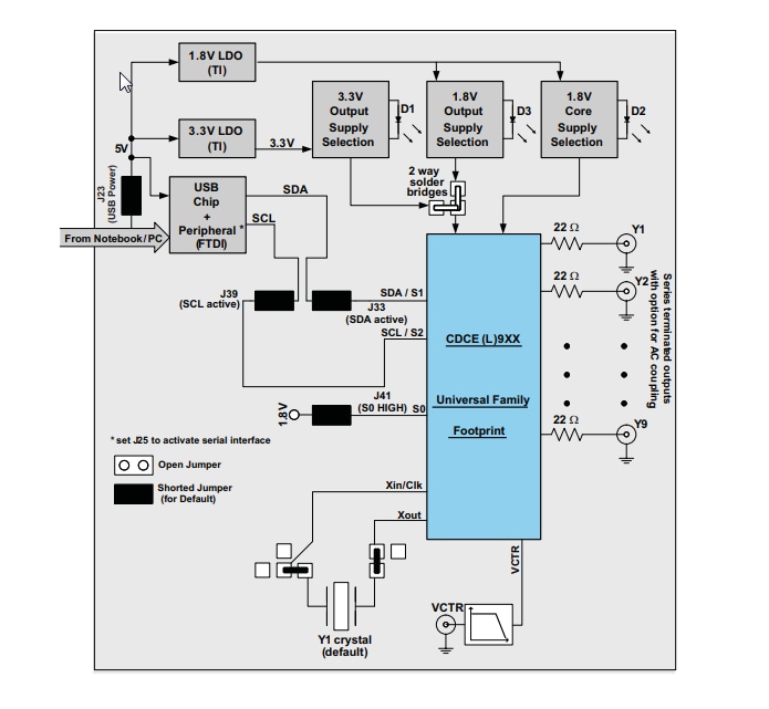
Texas Instruments CDCE949PERF-EVM Evaluation Module
Texas Instruments CDCE949PERF-EVM Evaluation Module verifies the functionality and performance of CDCE949 VCXO Clock Synthesizers. The CDCE949 components feature crystal and 1.8V LVCMOS inputs. The outputs can be connected to the oscilloscope directly with SMA cables.The evaluation module is an easy-to-use evaluation module for fast prototyping and application evaluation that supports the entire clock family. It allows for easy and fast device programming through TI Pro-Clock™ software. The evaluation module is completely USB powered in factory default and has the option for USB power and external power supply.
Features
- Easy-to-use evaluation module for fast prototyping and application evaluation supporting the entire clock family
- Easy and fast device programming through TI Pro-Clock™ software
- EVM completely USB powered in factory default
- Evaluation of multiple crystals and reference clocks due to flexible input structure
- Option for USB power and external power supply
- No need for programming or notebook/PC connection
Block Diagram
Veröffentlichungsdatum: 2016-01-20
| Aktualisiert: 2022-03-11
