Texas Instruments CD74HC4094/CD74HCT4094 Schiebe- und Speicher-Bus-Register
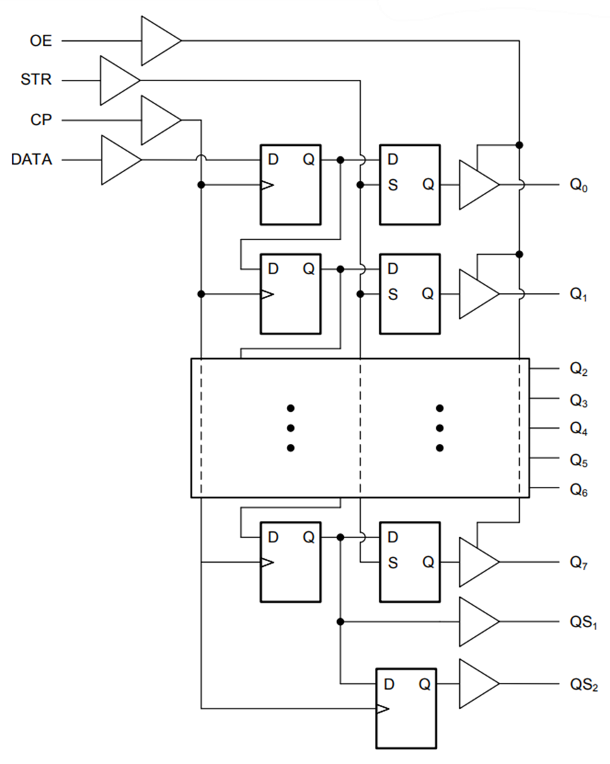
Die 8-stufigen Shift-and-Store-Busregister CD74HC4094/CD74HCT4094 von Texas Instruments sind 8-stufige serielle Schieberegister mit einem Speicherriegel an jeder Stufe zum Stroboskopieren von Daten vom seriellen Eingang zu parallelen gepufferten Tri-State-Ausgängen. Die parallelen Ausgänge können direkt mit gängigen Busleitungen verbunden werden. Die Daten werden bei positiven Taktübergängen verschoben. Wenn der Stroboskop-Eingang hoch ist, werden alle CD74HC4094 /CD74HCT4094-Daten von Texas Instruments in das Speicherregister übertragen. Wenn das Ausgangsfreigabesignal hoch ist, erscheinen die Daten im Speicherregister in den Ausgängen.Merkmale
- Gepufferte Eingänge
- Separate serielle Ausgänge synchron mit positiven und negativen Taktflanken für die Kaskadierung
- Fanout (über Temperaturbereich)
- Standardausgänge: 10 LSTTL-Lasten
- Bus-Treiberausgänge: 15 LSTTL-Lasten
- Großer Betriebstemperaturbereich: -55 °C bis 125 °C
- Ausgeglichene Laufzeitverzögerungen und Übergangszeiten
- Signifikante Leistungsreduzierung im Vergleich zu LSTTL Logik-ICs
- HC-Typen
- 2 V bis 6 V Betrieb
- Hohe Störfestigkeit:NIL = 30 %,NIH = 30 % vonVCC beiVCC = 5 V
- HCT-Typen
- 4,5 V bis 5,5 V Betrieb
- Direkte LSTTL-Eingangslogikkompatibilität,VIL = 0,8 V (max.), VIH = 2 V (min.)
- CMOS-Eingangskompatibilität, IL ≤ 1 μA beiVOL,VOH
Funktionales Blockdiagramm
Veröffentlichungsdatum: 2024-12-09
| Aktualisiert: 2024-12-13
