Texas Instruments CD74HC137/CD74HCT137 3-to-8-Leitungsdecoder-Demultiplexer
Texas Instruments CD74HC137/CD74HCT137 3-to-8-Leitungsdecoder-Demultiplexer sind Hochgeschwindigkeits-Silizium-Gate-CMOS-Dekoder, die sich gut für Daten-Routing- oder Speicheradressen-Dekodierungsapplikationen eignen. Beide Schaltungen haben Geschwindigkeiten, die mit der stromsparenden Schottky-TTL-Logikschaltung vergleichbar sind und zeichnen sich durch einen geringen Stromverbrauch aus, der normalerweise mit CMOS-Schaltungen verbunden ist. Diese Bauteile sind in den Gehäusen PDIP-16, TSSOP-16, SOIC-16 und SOP-16 erhältlich.Diese Schaltungen haben drei binäre Auswahleingänge (A0, A1 und A2), die durch ein aktives High-Latch-Freigabe-Signal (LE) verriegelt werden können. Dies geschieht, indem die Ausgänge von den Änderungen der Select-Eingänge isoliert werden. Ein „Low“ LE macht den Ausgang transparent für den Eingang und die Schaltung funktioniert wie ein One-of-Eight-Decoder. Zwei Ausgangsfreigabe-Eingänge (OE\1 und OE0) sind vorhanden, um das Demultiplexen zu erleichtern und die Kaskadierung zu vereinfachen. Die Demultiplexing-Funktion verwendet die Eingänge A0, A1 und A2, um den gewünschten Ausgang zu wählen. Er hält einen Ausgangs-Freigabeeingang in seinem aktiven Zustand und den anderen Ausgangs-Freigabeeingang als Dateneingang. Bei den CD74HC137 und CD74HCT137 vonTexas Instruments ist der ausgewählte Ausgang ein „Low“, beim CD74HCT237 ist der ausgewählte Ausgang ein „High“.
Merkmale
- Wählen Sie einen von acht Datenausgängen
- Aktiv niedrig für CD74HC137 und CD74HCT137
- Aktiv hoch für CD74HCT237
- I/O-Anschluss oder Speicherwahlschalter
- Zwei Aktivierungseingänge zur Vereinfachung der Kaskadierung
- Typische Laufzeitverzögerungen von 13 ns bei VCC = 5 V, 15 pF, TA = 25 °C (CD74HC237)
- Fanout (über Temperaturbereich)
- Standardausgänge: 10 LSTTL-Lasten
- Bustreiberausgänge: 15 LSTTL-Lasten
- Großer Betriebstemperaturbereich von -55°C bis +125 °C
- Ausgeglichene Laufzeitverzögerungen und Übergangszeiten
- Signifikante Leistungsreduzierung im Vergleich zu LSTTL Logik-ICs
- HC-Typen
- 2 V bis 6 V Betrieb
- Hohe Störfestigkeit: NIL = 30 %, NIH = 30 %, von VCC bei VCC = 5 V
- HCT-Typen
- 4,5 V bis 5,5 V Betrieb
- Direkte LSTTL-Eingangslogik-Kompatibilität, VIL = 0,8 V (max.), VIH = 2 V (min.)
- CMOS-Eingangskompatibiliät, Il 1 µA bei VOL, VOH
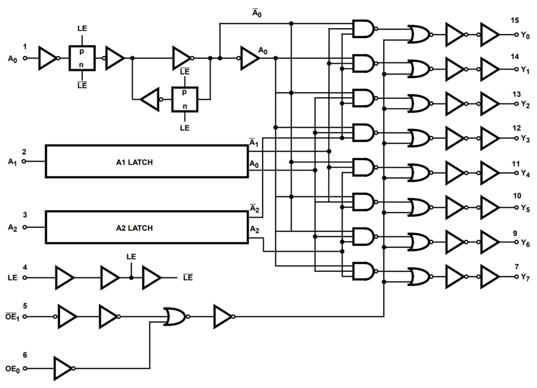
Funktionales Blockdiagramm
