Texas Instruments bq51013C/bq51013C-Q1 Drahtlose Qi-Stromversorgungen
Die drahtlosen Empfänger mit Qi(WPC v2.0)-konformen Stromversorgungen bq51013C/bq51013C-Q1 von Texas Instruments sind fortschrittliche, flexible, sekundärseitige Einzelchip-Bauteile für die drahtlose Leistungsübertragung in tragbaren Anwendungen, die bis zu 5 W liefern. Der bq51013C/bq51013C-Q1 bietet die AC/DC-Leistungsumwandlung und -regelung des Empfängers (RX) und integriert gleichzeitig die digitale Steuerung, die zur Einhaltung des Qi-v2.0-Kommunikationsprotokolls des Wireless Power Consortium (WPC) erforderlich ist. In Kombination des primärseitigen Controllers bq500212A (oder eines anderen Qi-Senders) mit dem bq51013C/bq51013C-Q1 entsteht ein vollständig berührungsloses Leistungsübertragungssystem für eine drahtlose Stromversorgungslösung. Es wird ein globales Feedback von der sekundären zur primären Einheit spezifiziert, um den Leistungsübertragungsprozess unter Verwendung des Qi v2.0 Protokolls zu steuern.Der bq51013C/bq51013C-Q1 von TI integriert einen niederohmigen, synchronen Gleichrichter, einen Low-Dropout-Regler (LDO), eine digitale Steuerung und präzise Spannungs- und Stromschleifen, um einen hohen Wirkungsgrad und eine geringe Verlustleistung zu gewährleisten.
Die Bauteile der Baureihe bq51013C-Q1 sind gemäß AEC-Q100 für Fahrzeuganwendungen qualifiziert
Merkmale
- Qualifiziert für Fahrzeuganwendungen (bq51013C-Q1)
- AEC-Q100-qualifiziert mit den folgenden Ergebnissen: Bauteiltemperatur Klasse 1 bei einer Umgebungsbetriebstemperatur von -40 °C bis +125 °C
- Integrierte Lösung für kabellose Stromversorgungsempfänger
- AC/DC-Gesamt-Spitzenwirkungsgrad von 93 %
- Vollsynchroner Gleichrichter
- WPC v2.0-konforme Kommunikationssteuerung
- Konditionierung der Ausgangsspannung
- Nur IC zwischen der Rx-Spule und dem Ausgang erforderlich
- Dynamische Gleichrichtersteuerung für ein verbessertes Lasteinschwingverhalten
- Wireless Power Consortium (WPC) v2.0-konform (FOD-fähig), hochpräzise Strommessung
- Dynamische Wirkungsgradskalierung für eine optimierte Leistung über einen großen Bereich der Ausgangsleistung
- Regelbare Kommunikationsgrenze für robuste Kommunikation
- Unterstützt einen Eingang von 20 V (max.)
- Dissipative Gleichrichter-Überspannungsklemme mit geringem Stromverbrauch (VOVP = 15 V)
- Übertemperaturschutz
- Multifunktions-NTC und Steuerpin für Temperaturüberwachung, vollständige Ladung und Fehler-Host-Kontrolle
Applikationen
- WPC v2.0-konforme Empfänger
- Passiveingang, passiver Start (PEPS)
- Smart-Ultraschallsonde
- Mobiltelefone und Smartphones
- Kopfhörer
- Handheld-Geräte
Drahtlose Leistungssysteme — Übersicht
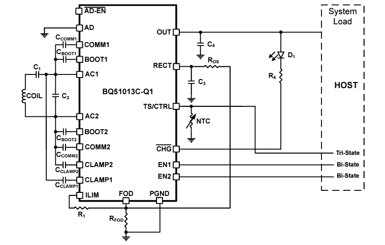
Vereinfachtes Schaltbild
Weitere Ressourcen
Veröffentlichungsdatum: 2024-10-29
| Aktualisiert: 2025-05-09
