Texas Instruments bq25898C I2C-gesteuerter Einzellen-Lade-IC mit 3 A
Der Texas Instruments bq25898C I2C-gesteuerte Einzellen-Lade-IC mit 3 A ist ein hochintegriertes Schalt-Batterielade- und Systemleistungspfadmanagement-Bauteil für einzellige Lithium-Ionen- und Lithium-Polymer-Batterien. Das Bauteil unterstützt beim Laden eine hohe Eingangsspannung. Der Versorgungspfad mit niedriger Impedanz optimiert die Schalt-Betriebseffizienz, reduziert die Batterieladezeit und verlängert die Batterielaufzeit während der Entladungsphase. Die serielle I2C-Schnittstelle mit Lade- und Systemeinstellungen macht dieses Bauteil zu einer äußerst flexiblen Lösung.Merkmale
- Betrieb als Slave-Lader zur Bereitstellung einer schnellen Ladung im Dual-Ladebetrieb
- Einfache Konfiguration mit kleiner BOM
- Abwärtsschaltladung mit hohem Wirkungsgrad von 3 A, 1,5 MHz
- 92 % Lade-Wirkungsgrad bei 3 A und 94 % Lade-Wirkungsgrad bei 2 A Ladestrom
- Optimierung für Hochspannungs-Eingang (9 V/12 V)
- Stromsparender PFM-Modus für leichten Lastbetrieb
- Einzeleingang zur Unterstützung des USB-Eingangs und der anpassbaren Hochspannungsadapter
- Unterstützt einen Eingangsspannungsbereich von 3,9 V bis 14 V
- Eingang mit Strombegrenzung (100 mA bis 3,25 A mit 50 mA Auflösung) zur Unterstützung der USB 2.0, USB 3.0 Standard- und Hochspannungs-Adapter
- Großer dynamischer Eingangsleistungsmanagementbereich (DPM)
- Batterieentladung mit höchsten Wirkungsgrad mit 5 mΩ
- Standardladung deaktiviert
- Integrierter ADC für Systemüberwachung (Spannung, Ladestrom)
- Flexibler autonomer und I2C-Modus für eine optimale Systemleistung
- Batterie-Fernerkundung
- Die hohe Integration umfasst alle MOSFETs, die Strommessung und Schleifenkompensation
- Hohe Genauigkeit:
- ±0,5 % Ladespannungsregelung
- ±5 % Ladestromregelung
- ±7,5 % Eingangsstromregelung
- Sicherheit:
- Thermische Regelung und thermische Abschaltung
- Eingangsüberspannungsschutz (UVLO)
- Batterie-OVP
- Sicherheits-Timer
Applikationen
- Smartphone
- Tablet-PC
- Tragbare Internetgeräte
Vereinfachtes Schaltplan-Diagramm
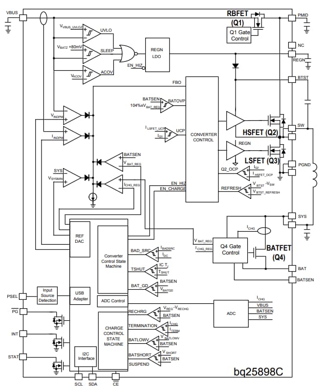
Blockdiagramm
Veröffentlichungsdatum: 2016-05-23
| Aktualisiert: 2022-03-11
