Texas Instruments bq25756E Buck-Boost-Batterieladeregler
Der Buck-Boost-Batterieladeregler BQ25756E von Texas Instruments ist ein geschalteter Buck-Boost-Li-Ion-, Li-Polymer- oder LiFePO4 -Batterieladeregler mit breiter Eingangsspannung und Unterstützung für bidirektionalen Stromfluss. Das Gerät sorgt für eine genaue Ladestrom- und Ladespannungsregelung und hocheffizientes Batterieladen über einen weiten Spannungsbereich, weiterhin verfügt es über eine Beendigungs- und Ladestatusanzeige sowie automatische Ladevorkonditionierung. Das Gerät integriert die gesamte Schleifenkompensation für den Buck-Boost-Regler und bietet so eine Lösung mit hoher Dichte und einfacher Bedienung. Im Rückwärtsbetrieb bezieht das Gerät Strom aus der Batterie. Es regelt die Eingangsklemmenspannung mit einer zusätzlichen Konstantstrombegrenzung zum Schutz und unterstützt das USB-PD EPR Leistungsprofil.Neben dem I2C-hostgesteuerten Lademodus unterstützt der BQ25756E von Texas Instruments einen eigenständigen Lademodus über widerstandsprogrammierbare Grenzwerte. Eingangsstrom, Ladespannungsregelung und Ladestromziele können jeweils über die Pins ILIM_HIZ, ICHG und FB eingestellt werden.
Merkmale
- Großer Eingangsspannungs-Betriebsbereich von 4,2 V bis 36 V
- Großer Batteriespannungs-Betriebsbereich von bis zu 36 V mit Multi-Chemie-Unterstützung
- 1- bis 7-Zellen-Li-Ionen-Ladeprofil
- 1- bis 9-Zellen LiFePO4 -Ladeprofil
- Synchroner Buck-Boost-Laderegler mit NFET-Treibern
- Schaltfrequenz anpassbar von 200 kHz bis 600 kHz
- Optionale Synchronisation mit einer externen Uhr
- Integrierte Schleifenkompensation mit Sanftanlauf
- Optionaler Gate-Treiber-Versorgungseingang für optimierte Effizienz
- Automatisches Maximum Power Point Tracking (MPPT) für Solarladung
- Bidirektionaler Reglerbetrieb (Rückwärtsmodus) mit Unterstützung für USB-PD Extended Power Range (EPR)
- Einstellbare Eingangsspannungsregelung (Vac) von 3,3 V bis 36 V mit 20 mV/Schritt
- Einstellbare Eingangsstromregelung (RAC_SNS) von 400 mA bis 20 A mit 50 mA/Schritt mit einem 5-mΩ-Widerstand.
- Hohe Genauigkeit
- ±0,5 % Ladespannungsregelung
- ±3 % Ladestromregelung
- ±3 % Eingangsstromregelung
- I2C-gesteuert für optimale Systemleistung mit einer widerstandsprogrammierbaren Option
- Per Hardware einstellbare Eingangs- und Ausgangsstromgrenzen
- Integrierter 16-Bit-ADC für Spannungs-, Strom- und Temperaturüberwachung
- Integration mit hoher Sicherheit
- Einstellbarer Eingangsüberspannungs- und Unterspannungsschutz
- Batterieüberspannungs- und Überstromschutz
- Ladungs-Sicherheitstimer
- Batteriekurzschlussschutz
- Thermische Abschaltung
- Statusausgänge
- Adapter-Präsenzstatus (PG)
- Betriebsstatus des Ladegeräts (STAT1, STAT2)
- 36-poliges 5 mm × 6 mm QFN-Gehäuse
Applikationen
- Kabellose Elektrowerkzeuge, Gartengeräte
- Rasenmähroboter
- Tragbare Power Station
- Kabellose Staubsauger, Staubsaugerroboter
- Solar-Ladegerät
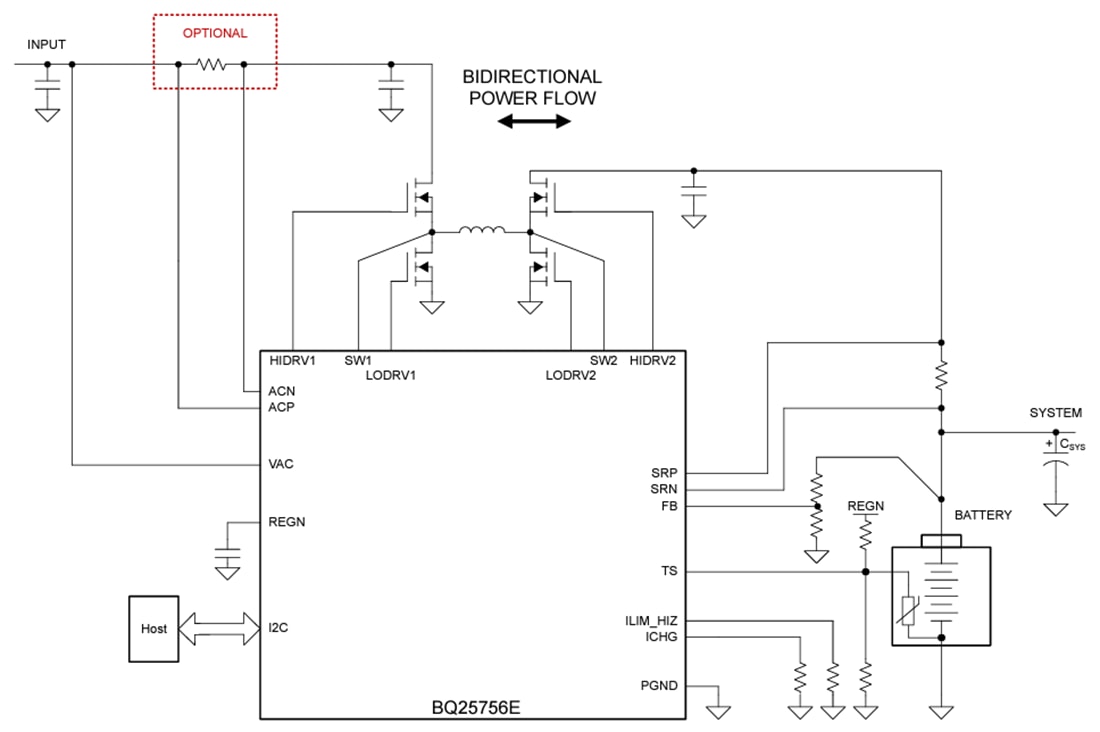
Vereinfachtes Schaltschema
Veröffentlichungsdatum: 2024-02-05
| Aktualisiert: 2024-02-12
