Texas Instruments bq25756 Buck-Boost-Laderegler
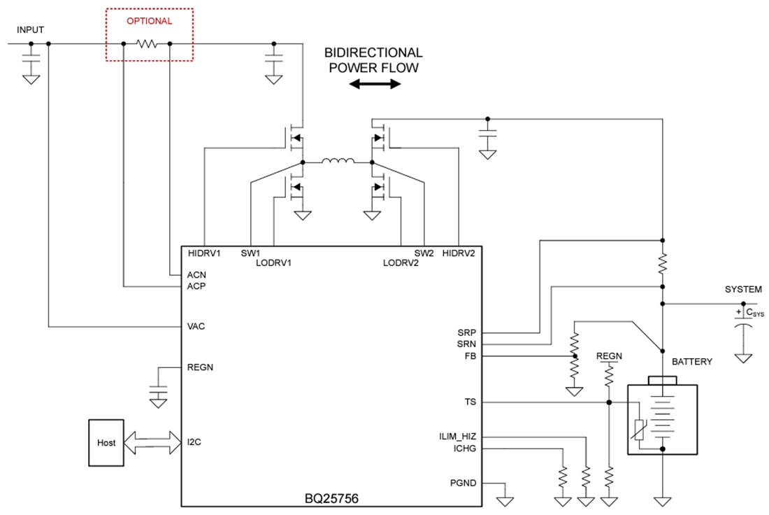
Der Buck-Boost-Laderegler bq25756 von Texas Instruments ist ein geschalteter Buck-Boost-Li-Ion-, Li-Polymer- oder LiFePO4 Batterieladeregler mit breiter Eingangsspannung und bidirektionaler Leistungsflussunterstützung. Das Gerät bietet hocheffizientes Batterieladen über einen weiten Spannungsbereich, genaue Ladestrom- und Ladespannungsregelung sowie automatische Ladevorkonditionierung, -beendigung und Ladestatusanzeige. Das Bauteil umfasst die gesamte Schleifenkompensation für den Auf-/Abwärtswandler und stellt eine Lösung mit hoher Dichte und Benutzerfreundlichkeit bereit. Im Reverse-Modus bezieht das Bauteil den Strom von der Batterie. Das Bauteil regelt die Eingangsklemmspannung mit einer zusätzlichen Konstantstromschleife für den Schutz und unterstützt das USB-PD EPR-Leistungsprofil.Neben dem I2C-Host-gesteuerten Lademodus unterstützt der Texas Instruments bq25756 auch einen eigenständigen Lademodus mit über Widerstände programmierbaren Grenzwerten. Eingangsstrom-, Ladestrom- und Ladespannungs-Regulierungsziele können über die PINS ILIM_HIZ, ICHG bzw. FB eingestellt werden.
Merkmale
- Großer Eingangsspannungsbetriebsbereich: 4,2 V bis 70 V
- Großer Betriebsspannungsbereich der Batterie: bis zu 70 V mit Multi-Chemie-Unterstützung:
- 1- bis 14-cell Li-Ionen-Ladeprofil
- 1- bis 16-Zellen-LiFePO4 -Ladeprofil
- Synchroner Buck-Boost-Laderegler mit NFET Treibern
- Anpassbare Schaltfrequenz von 200kHz bis 600kHz
- Optionale Synchronisation mit externer Uhr
- Integrierte Schleifenkompensation mit Sanftanlauf
- Optionaler Gate-Treiber-Versorgungseingang für optimierte Effizienz
- Automatisches Maximum Power Point Tracking (MPPT) für Solarladung
- Nur-Buck-Modus
- Der bidirektionale Wandlerbetrieb (Reverse-Modus) unterstützt den erweiterten USB-PD Leistungsbereich (EPR)
- Einstellbare Eingangsspannungsregelung (Vac) von 3,3 V bis 65 V mit 20 mV/Schritt
- Einstellbare Eingangsstromregelung (RAC_SNS) von 400 mA bis 20 A mit 50 mA/Schritt über 5 mΩ-Widerstand
- Hohe Genauigkeit
- ±0,5 % Ladespannungsregelung
- ±3 % Ladestromregelung
- ±3 % Eingangsstromregelung
- I2C-gesteuert für optimale Systemleistung mit einer über einen Widerstand programmierbaren Option
- Per Hardware einstellbare Eingangs- und Ausgangsstromgrenzen
- Integrierter 16-Bit-ADC für Spannungs-, Strom- und Temperaturüberwachung
- Integration mit hoher Sicherheit
- Einstellbarer Eingangsüberspannungs- und Unterspannungsschutz
- Batterieüberspannungs- und Überstromschutz
- Ladungs-Sicherheitstimer
- Batteriekurzschlussschutz
- Thermische Abschaltung
- Statusausgänge
- Adapter-Präsenzstatus (PG)
- Betriebsstatus des Ladegeräts (STAT1, STAT2)
- 36-poliges 5 mm × 6 mm QFN-Gehäuse
Applikationen
- Kick eScooter, eBike
- Akku-Elektrowerkzeug, Gartengerät
- Rasenmähroboter
- Tragbare Stromversorgung
- Akku-Staubsauger, Staubsaugerroboter
- Solar-Ladegerät
- USB-PD EPR (Extended Power Range)
Vereinfachter Schaltplan
Veröffentlichungsdatum: 2023-10-18
| Aktualisiert: 2024-01-15
