Texas Instruments bq25750 Buck-Boost-Batterieladeregler
Der bidirektionale Buck-Boost-Batterieladeregler bq25750 von Texas Instruments ist ein Lithium-Polymer-, geschalteter Buck-Boost-Li-Ion- oder LiFePO-Batterieladeregler 4 mit breiter Eingangsspannung und direkter Leistungspfadsteuerung. Das Gerät bietet hocheffizientes Batterieladen über einen weiten Spannungsbereich, Ladespannungsregelung und genauen Ladestrom, automatischen Endenabschluss, Ladevorkonditionierung und Ladestatusanzeige. Das Gerät integriert die gesamte Schleifenkompensation für den Buck-Boost-Wechselrichter und bietet so eine einfach zu verwendende High-Density-Lösung. Im Reverse-Modus bezieht das Gerät Strom aus der Batterie und regelt die SYS-Klemmspannung.Neben dem I2C hostgesteuerten Lademodus unterstützt das Bauteil den eigenständigen Lademodus über widerstandsprogrammierbare Grenzwerte. Eingangsstrom, Ladespannungsregelung und Ladestromziele können jeweils über die PINS ILIM_HIZ, ICHG und FB eingestellt werden. Das Gerät verfügt über drei Statuspins (STAT1, STAT2 und PG), um den Lade- und Eingangsspannungsstatus anzuzeigen. Diese Pins können zur Kommunikation mit einem Host-Prozessor oder Laufwerks-LEDs verwendet werden. Bei Bedarf können diese Pins auch als Allzweckindikatoren verwendet werden und der Status wird direkt über die I2C-Schnittstelle gesteuert. Der INT-Pin benachrichtigt den Host sofort, wenn sich der Gerätestatus ändert, einschließlich Fehler.
Das Gerät bietet außerdem einen Analog-Digital-Wandler (ADC) zur Überwachung des Eingangsstroms, des Ladestroms und der Eingangs-/Batterie-/System-/Thermistorspannungen. Der bq25750 von Texas Instruments wird mit einem 36-poligen 5,0 mm x 6,0 mm QFN-Gehäuse mit einem 0,5 mm Pin-Raster geliefert.
Merkmale
- Großer Eingangsspannungs-Betriebsbereich von 4,2 V bis 70 V
- Großer Batteriespannungs-Betriebsbereich von bis zu 70 V mit Multi-Chemie-Unterstützung
- 1- bis 14-Zell-Li-Ionen-Ladeprofil
- 1- bis 16-zelliges LiFePO4 -Ladeprofil
- Synchroner Buck-Boost-Laderegler mit NFET Treibern
- Anpassbare Schaltfrequenz von 200kHz bis 600kHz
- Optionale Synchronisation mit externer Uhr
- Integrierte Schleifenkompensation mit Sanftanlauf
- Optionaler Gate-Treiber-Versorgungseingang für optimierte Effizienz
- Bidirektionaler Wandlerbetrieb (Reverse Mode) mit Unterstützung für USB-PD Extended Power Range (EPR)
- Einstellbare Eingangsspannungsregelung (Vac) von 3,3 V bis 65 V mit 20 mV/Schritt
- Einstellbare Eingangsstromregelung (RAC_SNS) von 400 mA bis 20 A mit 50 mA/Schritt mit einem 5 mΩ-Widerstand
- Direktes Leistungspfadmanagement für höchste Effizienz im Stromnetz
- Auswahl der Systemleistung über Adapter oder Batterie
- Dynamisches Leistungsmanagement
- Alle N-Kanal-FET-Treiber
- Niedriger Ruhestrom der Batterie
- Hohe Genauigkeit
- ±0,5 % Ladespannungsregelung
- ±3 % Ladestromregelung
- ±3 % Eingangsstromregelung
- I2C-gesteuert für optimale Systemleistung mit einer widerstandsprogrammierbaren Option
- Per Hardware einstellbare Eingangs- und Ausgangsstromgrenzen
- Integrierter 16-Bit-ADC für Spannungs-, Strom- und Temperaturüberwachung
- Integration mit hoher Sicherheit
- Einstellbarer Eingangsüberspannungs- und Unterspannungsschutz
- Batterieüberspannungs- und Überstromschutz
- Ladungs-Sicherheitstimer
- Batteriekurzschlussschutz
- Thermische Abschaltung
- Statusausgänge
- Adapter-Präsenzstatus (PG)
- Betriebsstatus des Ladegeräts
- Gehäuse
- 36-poliges 5 mm × 6 mm QFN
Applikationen
- Kabellose Elektro- und Gartengeräte
- Solar-Backup-Ladegerät
- Energiespeichersysteme
- Drohne
- Ultraschall
- Röntgensysteme
- Elektronische Krankenhausbetten und Bettensteuerung
- Multiparameter-Patientenmonitore
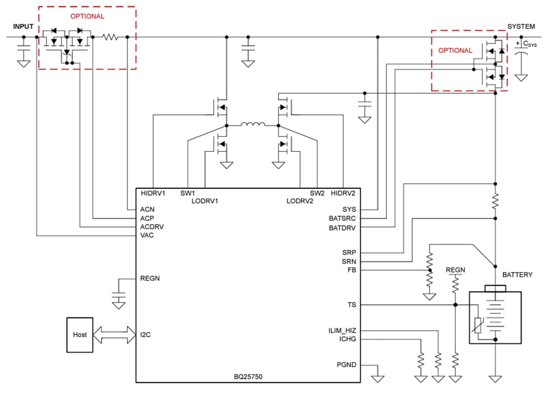
Vereinfachtes Schaltschema
