Texas Instruments bq25723 i2C-Buck-Boost-Batterieladeregler
Der bq25723 i2C-Buck-Boost-Batterieladeregler von Texas Instruments ist ein synchroner NVDC-Buck-Boost-Batterieladeregler, der eine 1- bis 4-Zellen-Batterie aus einer großen Auswahl von Eingangsquellen lädt. Diese Quellen umfassen einen USB-Adapter, Hochspannungs-USB-C-Power-Delivery-Quellen (PD) und Standard-Adapter. Die NVDC-Konfiguration erlaubt es, das System basierend auf der Batteriespannung zu regeln, aber nicht unter die Mindestspannung des Systems zu fallen. Das System läuft auch dann noch, wenn die Batterie komplett entladen oder entfernt wird. Wenn die Lastleistung die Eingangsquellenwerte überschreitet, geht die Batterie in den Ergänzungsmodus und verhindert, dass das System überlastet wird.Während des Einschaltens versetzt das Ladegerät den Wandler entsprechend der Zustände der Eingangsquelle und des Akkus in die Buck-, Boost- oder Buck-Boost-Konfiguration. Das Ladegerät wechselt automatisch ohne Host-Steuerung zwischen Buck-, Boost- und Buck-Boost-Konfiguration. In Abwesenheit einer Eingangsquelle unterstützt der bq25723 die USB-On-the-Go-Funktion (OTG) von 1- bis 4-Zellen-Akkus, um 3 V bis 24 V auf einem VBUS mit einer Auflösung von 8 mV zu erzeugen. Die Anstiegsrate des OTG-Ausgangsspanungsübergangs kann so konfiguriert werden, das sie mit der USB-PD 3.0 PPS-Spezifikation konform ist.
Wenn nur eine Batterie das System versorgt und keine externe Last mit dem USB-OTG-Anschluss verbunden ist, implementiert das bq25723 die neueste aktive Vmin-Schutzfunktion (VAP) von Intel, bei der das Bauteil die VBUS-Spannung von der Batterie auflädt, um etwas Energie in den Eingangs-Entkopplungskondensatoren zu speichern. Während einer Systemspitzenspannung ergänzt die in den Eingangskondensatoren gespeicherte Energie das System, um zu verhindern, dass die Systemspannung unter die minimale Systemspannung fällt und einen Systemabsturz verursacht.
Das Texas Instruments bq25723 überwacht den Adapterstrom, den Batteriestrom und die Systemleistung. Der flexibel programmierte PROCHOT-Ausgang geht bei Bedarf direkt an die CPU zum Throttle Back. Die neueste Version der USB-C-PD-Spezifikation umfasst ein Fast Role Swap (FRS), um sicherzustellen, dass eine Rollenumkehrung bei der Stromversorgung zeitgerecht stattfindet, so dass beim/bei den Bauteil(en), die mit dem Taktgeber verbunden sind, ein kurzzeitiger Leistungsverlust oder Störungen verhindert werden. Dieses Bauteil integriert das FRS in Übereinstimmung mit der PD-Spezifikation.
Das von TI patentierte Schaltfrequenz-Dithering-Muster kann das EMI-Rauschen über den gesamten leitfähigen EMI-Frequenzbereich (150 kHz bis 30 MHz) deutlich reduzieren. Mehrere Dithering-Skalenoptionen sind verfügbar, um Flexibilität für verschiedene Applikationen zur Vereinfachung des EMI-Rauschfilter-Designs zu bieten. Das Ladegerät kann im patentierten Durchgangsmodus (PTM) von TI betrieben werden, um den Wirkungsgrad über den gesamten Lastbereich zu verbessern. In PTM wird die Eingangsleistung direkt über das Ladegerät an das System weitergeleitet. Schaltverluste der MOSFETs und Induktivitäts-Core-Verluste können für einen Betrieb mit hohem Wirkungsgrad gespeichert werden. Der bq25723 ist in einem 32-Pin-WQFN-Gehäuse von 4 mm × 4 mm verfügbar.
Merkmale
- Pin-zu-Pin-kompatibel mit bq25713
- Buck-Boost-NVDC-Ladegerät (Narrow Voltage DC, NVDC) für USB-C-PD-Schnittstellenplattform (Power Delivery, PD)
- Eingangsbereich von 3,5 V bis 26 V zum Laden einer 1- bis 4-Zellen-Batterie.
- Ladestrom von bis zu 16,2 A/8,1 A mit einer Auflösung von 128 mA/64 mA basierend auf einem Messwiderstand von 5 mΩ/10 mΩ
- Eingangsstrombegrenzung von bis zu 10 A/6,35 A mit einer Auflösung von 100 mA/50 mA basierend auf einem Messwiderstand von 5 mΩ/10 mΩ
- Unterstützt USB 2.0, USB 3.0, USB 3.1 und USB Power Delivery (PD)
- Eingangsstrom-Optimierer (ICO) zur Maximierung der Eingangsleistung ohne Überlastung der Adapter
- Integrierte Fast Role Swap-Funktion (FRS) gemäß USB-PD-Spezifikation
- Nahtloser Übergang zwischen Buck-, Boost-Boost- und Boost-Betrieb
- Eingangsstrom- und -spannungsregelung (IINDPM und VINDPM) gegen Quellenüberlastung
- Patentiertes Schaltfrequenz-Dithering-Muster von TI für EMI-Rauschdämpfung
- Patentierter Durchgangsmodus (PTM) von TI für die Steigerung des Systemleistungswirkungsgrads und ein schnelles Laden des Akkus, wodurch ein Wirkungsgrad von 99 % erreicht wird
- IMVP8-/IMVP9-konforme Systemfunktionen für die Intel-Plattform
- Verbesserter Vmin Active Protection(VAP)-Modus ergänzt die Batterie von den Eingangskondensatoren während der Systemspitzenleistung gemäß der neuesten Intel-Spezifikation
- Umfassendes PROCHOT-Profil
- Zweistufige Entladestrombegrenzung PROCHOT-Profil zur Vermeidung von Batterie-Drahtbruch
- Systemleistungsüberwachung
- Eingangs- und Batteriestromüberwachung über dedizierte Pins
- Integrierter 8-Bit-ADC zur Überwachung von Spannung, Strom und Leistung
- Idealer Batterie-MOSFET-Dioden-Betrieb im Ergänzungsmodus zur Unterstützung des Systems, wenn der Adapter vollständig geladen ist
- Einschalt-USB-Anschluss von der Batterie (USB OTG)
- OTG von 3 V bis 24 V mit einer Auflösung von 8 mV
- Ausgangsstrombegrenzung von bis zu 12,7 A/6,35 A mit einer Auflösung von 100 mA/50 mA basierend auf einem Messwiderstand von 5 mΩ/10 mΩ
- 800 kHz/1,2 MHz programmierbare Schaltfrequenz mit 2,2µH-/1,0µH-Induktivität
- I2C-Host-Steuerschnittstelle für eine flexible Systemkonfiguration
- Hohe Genauigkeit für die Regelung und Überwachung
- ±0,5 % Ladespannungsregelung
- ±3 % Ladestromregelung
- ±2,5 % Eingangsstromregelung
- ±2 % Eingangs-/Ladestromüberwachung
- Sicherheit
- Thermische Abschaltung
- Eingangs-, System-, Akku-Überspannungsschutz
- Eingangs-, MOSFET-, Induktivitäts-Überstromschutz
- 32-Pin-WQFN-Gehäuse von 4,0 mm × 4,0 mm
Applikationen
- Standard-Notebook-PC, Chromebook
- Tablet (Multimedia), drahtloser Lautsprecher
- Ultraschall-Scanner, Ventilatoren
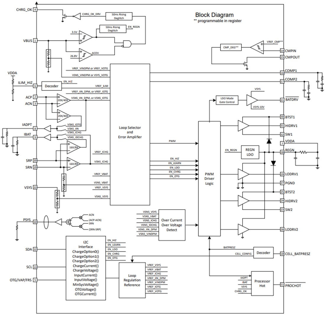
Funktionales Blockdiagramm
