Texas Instruments bq25616/616J Abwärts-Batterieladegerät
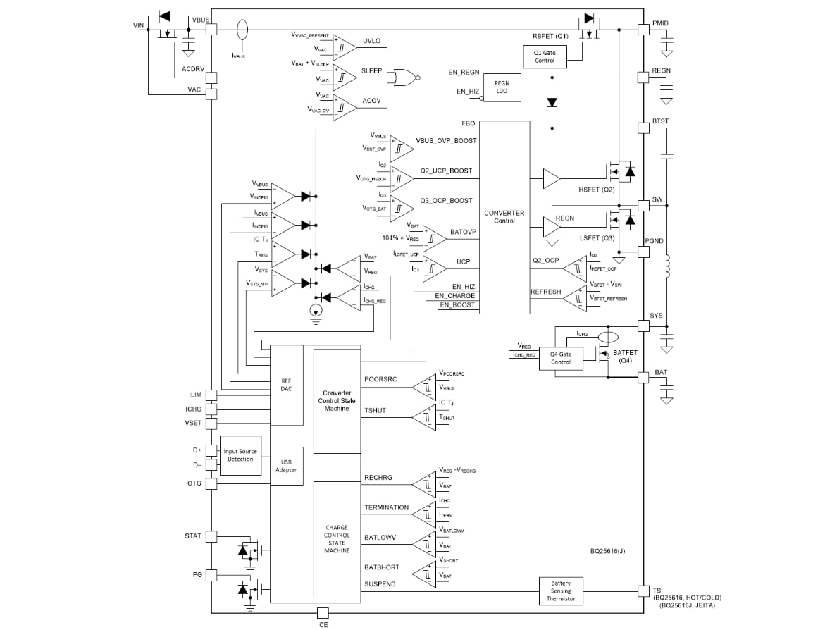
Die Abwärts-Batterieladegerät der Baureihe bq25616/616J von Texas Instruments verfügen über ein hochintegriertes 3-A-Schaltmodus-Batterielademanagement und sind Systemstrompfad-Managementgeräte für einzellige Li-Ion- und Li-Polymer-Batterien. Die Lösung ist hochintegriert und verfügt über einen rückwärtssperrenden Eingangs-FET (RBFET, Q1), einen High-Side-Schalt-FET (HSFET, Q2), einen Low-Side-Schalt-FET (LSFET, Q3) und einen Batterie-FET (BATFET, Q4) zwischen System und Batterie. Der niederohmige Stromversorgungspfad optimiert den Wirkungsgrad des Schaltbetriebs, verkürzt die Batterieladezeit und verlängert die Akkulaufzeit während des Entladens.Das bq25616/616J von Texas Instruments bietet Schnellladefunktionen mit Unterstützung für hohe Eingangsspannungen für verschiedene Applikationen, einschließlich Lautsprechern und tragbaren industriellen und medizinischen Bauteilen. Das Bauelement unterstützt eine große Auswahl an Eingangsquellen, darunter einen Standard-USB-Host-Anschluss, einen USB-Ladeanschluss, einen USB-kompatiblen Hochspannungsadapter und Funkleistung. Die Abwärts-Batterieladegerät der Baureihe bq25616/616J erfüllen die Leistungsspezifikationen für den USB-On-The-Go-Betrieb (OTG), indem sie 5 V mit einer konstanten Stromgrenze von bis zu 1,2 A liefern.
Das Power Path Management regelt das System etwas über die Batteriespannung hinaus, fällt aber nicht unter die minimale Systemspannung von 3,5 V, wenn ein Adapter angeschlossen ist. Mit dieser Funktion hält das System den Betrieb aufrecht, auch wenn die Batterie vollständig entladen oder entfernt wurde. Das bq25616/616J leitet einen Ladezyklus ein und beendet ihn ohne Softwarekontrolle. Es erfasst die Batteriespannung und lädt sie in drei Phasen auf: Vorkonditionierung, Konstantstrom und konstante Spannung.
Merkmale
- Hocheffizientes, synchrones 1,5-MHz-Abwärtsladegerät mit Schaltmodus
- 92 % Ladewirkungsgrad bei 2 A von einem 5-V-Eingang
- ±0,5 % Ladespannungsregelung
- Einstellbare Ladespannung vom VSET-Pin unterstützt 4,1 V, 4,2 V und 4,35 V mit einer Regelungsgenauigkeit von ±0,4 %
- ±6 % Ladestromregelung
- ±7,5% Eingangsstromregelung
- Unterstützt JEITA (bq25616J) oder Hot/Cold (bq25616) Temperaturerfassungsprofil
- 20-Stunden-Ladungssicherheits-Timer
- Unterstützt USB On-the-Go (OTG)
- 5-V-Aufwärtswandler mit bis zu 1,2-A-Ausgang
- 92 % Aufwärtswirkungsgrad bei einem Ausgang von 1 A
- Genaue Konstantstrombegrenzung (CC)
- Soft-Start mit einer kapazitiven Last von bis zu 500 µF
- PFM-Modus für einen Betrieb mit geringer Last
- Hohe Integration umfasst alle MOSFETs, Stromsensoren und Schleifenkompensation.
- Einzelner Eingang unterstützt USB-Eingang, Hochspannungsadapter oder Funkleistung
- Unterstützt einen Eingangsspannungsbereich von 4 V bis 13,5 V bei absoluter maximaler Eingangsspannung von 22 V
- Schnelles Ausschalten von 130 ns der optionalen externen OVPFET stehenden Eingangsspannung von bis zu 30 V
- Programmierbare Eingangsstrombegrenzung (IINDPM) mit ILIM-Pin
- VINDPM-Schwellenwert verfolgt automatisch die Batteriespannung für eine maximale Leistung
- Automatische Erkennung von USB-, SDP-, DCP- und Nicht-Standard-Adaptern
- Narrow-VDC(NVDC)-Leistungspfad-Management
- Instant-on ohne Batterie oder mit einer stark entladenen Batterie
- BATFET mit niedrigem RDSON von 19,5 mΩ zur Reduzierung der Ladeverluste und Verlängerung der Akkulaufzeit
- 9,5 µA niedriger Batterie-Ableitstrom bei System-Standby
Applikationen
- Elektronische Kassensysteme (EPOS)
- Drahtloser Lautsprecher
- Tragbare Medizin- und Industrie-Elektronik
Blockdiagramm
