Texas Instruments Isolierte Verstärker AMC0380D & AMC0380D-Q1
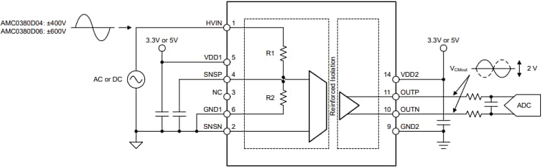
Die isolierten Verstärker AMC0380D und AMC0380D-Q1 von Texas Instruments sind präzise, galvanisch getrennte Verstärker mit einem hochspannungsfähigen AC mit hoher Impedanz und einem differentiellen Ausgang mit fester Verstärkung. Diese Verstärker sind in den zwei linearen Eingangsspannungsbereichen ±400 und ±600 V erhältlich und erreichen eine höhere Genauigkeit als 1 % über den gesamten Temperaturbereich. Die AMC0380D und AMC0380D-Q1 Isolierten Verstärker sind in einem 15-poligen SSOP-Gehäuse mit 0,65 mm Rastermaß erhältlich. Die AMC0380D-Q1 Bauteile sind AEC-Q100-qualifiziert für Fahrzeuganwendungen. Diese Verstärker sind in einem 15-poligen SSOP-Gehäuse mit 0,65 mm Rastermaß und einer vollständig spezifizierten Leistung im Temperaturbereich von -40°C bis 125°C erhältlich. Typische Applikationen umfassen Server Stromversorgungseinheiten (PSU), Energiespeichersysteme (ESS), Solaranlagen Umrichter Ladestationen für Elektrofahrzeuge und Traktionsumrichter. UmrichterMerkmale
- Integrierter Hochspannungs-Widerstandsteiler zur direkten AC-Wechselspannungsmessung externe Widerstände
- Differenzierter Ausgang
- Versorgungsspannungsbereich:
- 3 V bis 5,5 V auf High-Side (VDD1)
- 3V bis 5.5 V low-side (VDD2)
- Geringe DC-Fehler:
- ±0,8 mV (maximal) Offset-Fehler
- ±10 µV/°C (maximal) Offset-Drift
- ±0,25 % (maximal) Dämpfungsfehler
- ±40 ppm/°C (maximal) Dämpfung-Drift
- 0,025 % (maximal) Nichtlinearität
- 150V/ns (Minimum) hoher CMTI
- Erfüllt die Grenzwerte von CISPR-11 und CISPR-25, geringe EMI
- Verfügbare Eingangsoptionen:
- AMC0380D04: ±400 V, 8,3 MΩ
- AMC0380D06: ±600 V, 10 MΩ
- Sicherheitsbezogene Zertifizierungen:
- 7.000 V PKverstärkte Isolierung gemäß DIN EN IEC 60747-17 (VDE 0884-17)
- 5.000 VRMSIsolierung für 1 Minute gemäß UL 1577
- Vollständig spezifiziert über den erweiterten industriellen Temperaturbereich -40 °C bis 125 °C
- AEC-Q100 für Fahrzeuganwendungen zugelassen (AMC0380D-Q1)
Applikationen
- Server-Netzteile (PSU)
- Energiespeicher Systeme (ESS)
- Solar Umrichter
- EV-Ladestationen
- Traktionsstromrichter
- On-Board-Ladegeräte
- DC/DC-Wandler
- Batterieanschluss Boxen
Funktionales Blockdiagramm
Typisches Anwendungsdiagramm
Datenblätter
Veröffentlichungsdatum: 2026-01-08
| Aktualisiert: 2026-03-04
