Texas Instruments ADC364x Analog-Digital-Wandler (ADCs)
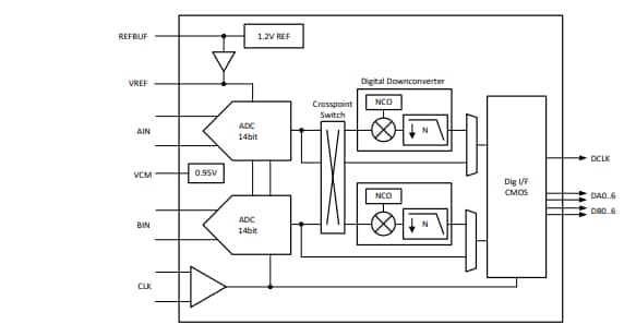
Texas Instruments ADC364x Analog-Digital-Wandler (ADCs) sind rauscharme 14-Bit-Zweikanal-Hochgeschwindigkeits-ADCs mit 10 MS/s bis 65 MS/s und extrem geringem Stromverbrauch. Die ADC364x ADCs sind für einen geringen Stromverbrauch ausgelegt und verfügen über eine spektrale Rauschdichte von -155 dBFS/Hz, kombiniert mit einer ausgezeichneten Linearität und einem hervorragenden Dynamikbereich. Die ADC364x ADCs verbrauchen nur 72 mW/Kanal bei 65 MS/s und der Stromverbrauch lässt sich mit niedrigeren Abtastraten gut skalieren.Der ADC364x von TI bietet eine hervorragende DC-Genauigkeit zusammen mit einer ZF-Abtastunterstützung, wodurch das Bauteil eine perfekte Wahl für eine große Auswahl von Applikationen ist. Der ADC364x verwendet eine DDR- oder serielle CMOS-Schnittstelle zur Ausgabe der Daten und bietet die Digitalschnittstelle mit dem niedrigsten Stromverbrauch und die Flexibilität zur Reduzierung der Anzahl der digitalen Verbindungen. Diese Bauteile sind eine Pin-zu-Pin-kompatible Produktfamilie mit verschiedenen Geschwindigkeitsklassen.
Die ADC364x ADCs unterstützen den erweiterten Industrie-Temperaturbereich von -40 °C bis +105 °C und sind in einem 40-Pin-VQFN-Gehäuse verfügbar.
Merkmale
- Zweikanal
- 14-Bit-ADC mit 10/25/65 MS/s
- Grundrauschen von -155 dBFS/Hz
- Extrem geringer Stromverbrauch mit optimierter Leistungsskalierung von 29 mW/Kanal (10 MS/s) bis 72 mW/Kanal (65 MS/s)
- Latenz beträgt 1 Taktzyklus
- 14-Bit, ohne fehlende Codes
- INL: ±0,6 LSB; DNL: ±0,2 LSB
- Externe oder interne Referenz
- Industrietemperaturbereich: -40 °C bis +105 °C
- On-Chip-Digitalfilter (optional)
- Dezimation durch 2, 4, 8, 16, 32
- 32-Bit-NCO
- DDR- und serielle CMOS-Schnittstelle
- 40-VQFN-Gehäuse mit kleinem Footprint (5 mm × 5 mm)
- Einzelversorgung 1,8 V
- Spektrale Leistung (fIN = 5 MHz)
- Signal-Rausch Verhältnis (SNR): 79,0 dBFS
- SFDR: 93 dBc HD2, HD3
- SFDR: 101 dBFS höchste Störung
- Spektrale Leistung (fIN = 64 MHz)
- SRV von 74,0 dBFS
- SFDR von 84 dBc HD2, HD3
- SFDR von 90 dBFS höchste Störung
Applikationen
- Hochgeschwindigkeits-Datenerfassung
- Industrieüberwachung
- Thermografie
- Bildgebung und Sonar
- Softwarebasierter Funk
- Stromqualität
- Kommunikationsinfrastruktur
- Hochgeschwindigkeits-Regelkreise
- Messgeräte
- Smart-Stromnetze
- Spektroskopie
- Radar
- Quellenmesseinheit (SMU)
- GPS-Empfänger
- Sonar
- Schaltanlagen-Automatisierung
Blockdiagramm
Veröffentlichungsdatum: 2020-12-15
| Aktualisiert: 2024-10-18
