Texas Instruments ADC356x Rauscharme ADCs mit niedrigem Stromverbrauch
Die ADC356x rauscharmen, stromsparenden Analog-Digital-Wandler (ADCs) von Texas Instruments sind rauscharme 16-Bit-Hochgeschwindigkeits-ADCs mit 10 MS/s bis 65 MS/s und extrem niedrigem Stromverbrauch. Diese Bauteile liefern eine spektrale Rauschdichte von –158 dBFS/Hz in Kombination mit einer ausgezeichneten Linearität und einem hervorragenden Dynamikbereich, der für einen geringen Stromverbrauch ausgelegt ist. Der ADC356x bietet eine gute DC-Präzision und eine ZF-Abtastunterstützung, wodurch sich das Bauteil für verschiedene Applikationen eignet. Die Hochgeschwindigkeitsregelkreise profitieren von der kurzen Latenzzeit von nur einem Taktzyklus. Der ADC-Stromverbrauch passt gut zu niedrigeren Abtastraten und verbraucht nur 122 mW bei 65 MS/s.Der ADC356x von Texas Instruments verwendet eine serielle LVDS-Schnittstelle (SLVDS) zur Ausgabe der Daten, wodurch die Anzahl der digitalen Verbindungen reduziert wird. Das Bauteil unterstützt zwei-, ein- und halbspurige Optionen. Die ADC356x und ADC358x sind Pin-zu-Pin-kompatible Produktfamilien mit 16-Bit- und 18-Bit-Auslösungen und verschiedenen Geschwindigkeitsklassen. Die Bauteile sind in einem 40-Pin-QFN-Gehäuse (5 mm x 5 mm) verfügbar und unterstützen einen erweiterten Industrietemperaturbereich von -40 ⁰C bis +105 ⁰C.
Merkmale
- 16-Bit-ADC mit 10 MS/s bis 65 MS/s
- Grundrauschen: –158 dBFS/Hz
- Geringer Stromverbrauch: 77 mW (10 MS/s) bis 122 mW (65 MS/s)
- Latenz von einem Taktzyklus (1-Draht-SLVDS)
- Mit 16-Bit, ohne fehlende Codes spezifiziert
- INL: ± 3 LSB; DNL: ± 0,7 LSB
- Referenz (extern oder intern)
- 900 MHz (3 dB) Eingangsbandbreite
- Industrietauglicher Temperaturbereich -40 °C bis +105 °C
- On-Chip-Dual-Band-Digitalfilter (optional)
- Dezimation durch 2, 4, 8, 16, 32
- 32-Bit-NCO
- Serielle LVDS-Digitalschnittstelle (2-, 1- und 1/2-Draht)
- 40-QFN-Gehäuse mit kleinem Footprint (5 mm x 5 mm)
- Spektrale Leistung (fIN = 10 MHz)
- SRV: 81,9 dBFS
- SFDR: 95 dBc HD2, HD3
- SFDR: 100 dBFS höchste Störung
Applikationen
- Hochgeschwindigkeits-Datenerfassung
- Industrieüberwachung
- Softwarebasierter Funk
- Leistungsqualitätsanalysator
- Quellenmesseinheit (SMU)
- Kommunikationsinfrastruktur
- Spektrumanalysator
- Regelkreise
- Messgeräte
- Bildverarbeitung
- Spektroskopie
- Radar
- Sonar
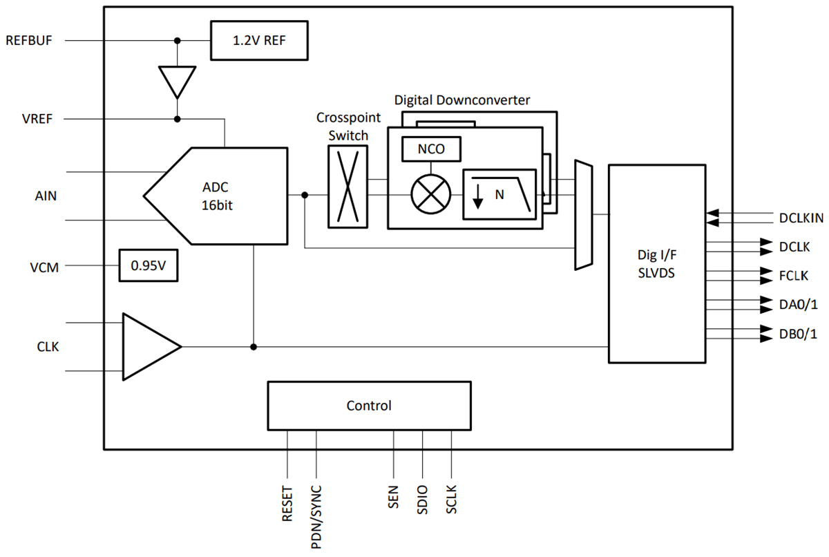
Funktionales Blockdiagramm
Veröffentlichungsdatum: 2022-12-09
| Aktualisiert: 2023-01-05
