Texas Instruments CC2591 RF Front End Range Extender



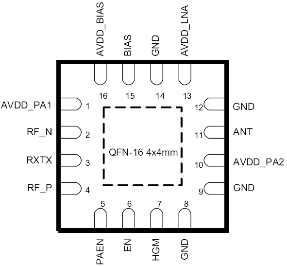
Der Texas Instruments CC2591 2.4GHz RF Front End Range Extender wurde speziell für existente und zukünftige TI RF Transceiver, Transmitter und System-on-Chip (SoC) Produkte entwickelt. Der CC2591 leistet hohe Integration für ein einfaches Entwickeln leistungsstarker kabelloser Anwendungen und bietet nahtlosen Anschluss zu CC2 xxx RF-Geräten. Dieser RF Front End Range Extender besitzen einen Leistungsverstärker für verbesserte Ausgangsleistung, eine LNA mit niedriger Rauschzahl für bessere Empfängersensitivität und einsehr  kleines 4x4mmQFN-16 Gehäuse.



Produktliste ansehen





Features:
  • Nahtlose Anbindung an 2.4-GHz RF-Geräte mit geringem Energieverbrauch von Texas Instruments
  • Bis zu 22-dBm Ausgangsleistung
  • 6-dB Typ. verbesserte Sensitivität bei CC24xx und CC2500, CC2510 und CC2511
  • Wenige externe Bauteile
  • Eingebaute Schalter
  • Eingebautes Anpassnetzwerk
  • Eingebauter Balun
  • Eingebaute Induktoren
  • Eingebaute PA
  • Eingebaute LNA
  • Digitale Steuerung von LNA Gain durch HGM Pin
  • 100-nA in Stromsparmodus (EN = PAEN = 0)
  • Niedriger Sendestromverbrauch (100-mA bei 3-V für 20-dBm Out, PAE = 33%)
  • Niedriger Empfangsstromverbrauch
  • 3.4-mA für High Gain Modus
  • 1.7-mA für Low Gain Modus
  • 4.8-dB LNA Rauschzahl, einschließlich T/R-Schalter und externer Antennen match
  • RoHS-konformes 4×4-mm QFN-16 Gehäuse
  • 2-V bis 3.6-V Betrieb

Anwendungen:
  • Alle 2.4-GHz ISM Bandsysteme
  • Wireless Sensornetzwerke
  • Wireless Industriesysteme
  • IEEE 802.15.4 und ZigBee Systeme
  • Wireless Verbrauchersysteme
  • Wireless Audiosysteme


Blockdiagramm:

Datenblatt

Datenblatt

  • Texas Instruments
Veröffentlichungsdatum: 2008-07-18 | Aktualisiert: 2025-06-25