TE Connectivity / AMP Connectors Economy-Power(EP)-Stiftleisten
Die Reflow-lötfähige Economy-Power(EP)-Stiftleisten von TE Connectivity sind Reflow-lötfähig und zur Optimierung der Fertigungsprozesse ausgelegt. Diese Komponenten verfügen über ein Thermoplast-Gehäuse, das gegen hohen Temperaturen im Reflow-Lötprozess beständig ist. Dies ermöglicht einen einfachen Übergang zu einem vollständigen Reflow-Montageprozess. Diese Stiftleisten verfügen über eine Ummantelung, haben eine positive hörbare Verriegelung für eine fehlerfreie Montage und bieten eine Standardmittellinie von 3,95 mm, die mit den bestehenden Economic Power II Wire-to-Board-Steckverbindern zusammensteckbar ist. Die Reflow-lötfähigen Economy-Power(EP)-Stiftleisten basieren auf einer geprüften Lösung für Wire-to-Board-Applikationen.Ideale Applikationen umfassen HLK-Anlagen, Industriemaschinen, Netzteile, Sicherheitssysteme, Aufzüge und Rolltreppen.Merkmale
- Hochtemperatur-Gehäuse und Pin-in-Paste-Löten ermöglicht den Übergang zur Reflow-PCB-Montage
- Positive hörbare Verriegelung für eine fehlerfreie Montage
- Ummantelte Stiftleiste verhindert Fehlsteckung aufgrund der Ausrichtung der Anschlussbuchse/Stiftleiste
- Niedrige Kontaktsteckkraft
Applikationen
- HLK-Anlagen
- Industriemaschinen
- Netzteile
- Sicherheitssysteme
- Aufzüge
- Rolltreppen
Technische Daten
- 12 A (max.), 600 VAC
- Spannungsfestigkeit: 1.500 VAC
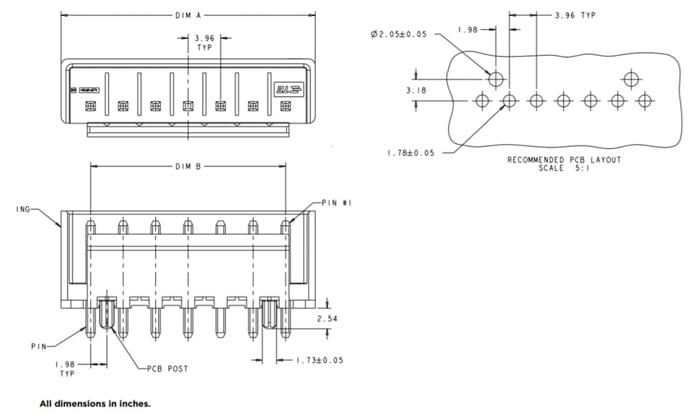
- Mittellinie von 3,96 mm
- Sn-über-Ni-beschichtete Kupferlegierungskontakte
- Betriebstemperaturbereich: -55 ˚C bis +105 ˚C
- Brennbarkeitsklasse: UL94V-0
EP-Stiftleiste-Abmessungen
Veröffentlichungsdatum: 2017-07-24
| Aktualisiert: 2025-12-04
