TE Connectivity Infrastrukturantennen
Die Infrastrukturantennen von TE Connectivity (TE) sind Breitband-Stabantennen, Yagi-Antennen und logarithmisch-periodische Antennen für Applikationen im Innen- und Außenraum. Die Typen L001065-01 und L001066-0 von TE sind omnidirektionale Stabantennen für den Einsatz im 400-MHz-und UHF-Bereich, Rundfunk, drahtlose Zugangssysteme und Bündelfunk. Der Typ L001067-01 ist eine logarithmisch-periodische 5G-Antenne mit einem breitbandigen Frequenzbereich für Mobilfunk und WLAN von 617 MHz bis 6000 MHz. Der Typ L001068-01 ist eine 4G- und Mobilfunk-Yagi-Antenne für Wi-Fi® HaLow, ISM und LoRa.Merkmale
- L001065-01
- Breitband-Frequenzabdeckung 400 MHz bis 430 MHz
- Robustes Radom
- Geeignet für den Einsatz im Innen- und Außenbereich
- Mastmontierbar mit mitgelieferter Halterung
- L001066-01
- Breitband-Frequenzabdeckung 380 MHz bis 450 MHz
- Robustes Radom
- Geeignet für den Einsatz im Innen- und Außenbereich
- Mastmontierbar mit mitgelieferter Halterung
- L001067-01
- Mobilfunk- und WLAN-Frequenzbereich 617 MHz bis 6000 MHz
- Mast- oder Wandmontage mit mitgelieferter Montagehardware
- Ästhetisches Erscheinungsbild
- UV-geschütztes Gehäuse
- L001068-01
- Breitband-Frequenzabdeckung 698 MHz bis 960 MHz
- Vertikale oder horizontale Polarisierung
- Geeignet für den Betrieb im Außenbereich
- Mastmontierbar mit mitgelieferter Halterung
Applikationen
- L001065-01 und L001066-01
- 400-MHz- und UHF-Betrieb
- Innen-/Außenbereich
- Radio und TV
- Drahtlose Zugangssysteme
- Bündelfunk
- L001067-01
- Cellular/5G/WLAN-Repeater
- Innen-/Außenbereich
- Mobilfunk-/WLAN-Extender
- Ausrüstung für Drahtlos-Internet-Dienstanbieter (Wireless Internet Service Provider, WISP)
- Nicht-Sichtverbindungen (NLOS)
- L001068-01
- 4G- und Mobilfunkbetrieb für die Frequenzbänder 700/800/900 MHz
- Innen-/Außenbereich
- Wi-Fi HaLow, ISM und LoRa
- NLOS
- Bündelfunk
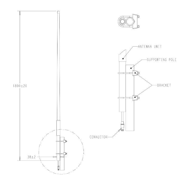
L001065-01 Technische Zeichnung
L001066-01 Technische Zeichnung
L001067-01 Technische Zeichnung
L001068-01 Technische Zeichnung
Veröffentlichungsdatum: 2025-11-06
| Aktualisiert: 2025-11-19
