TE Connectivity KEB und KES Dreiphasen-Universal-EMI-Filter
TE Connectivity (TE) KEB und KES Dreiphasen-Universal-EMI-Filter sind einstufige Bauteile in 3-Draht-Delta(KEB)- und 4-Draht-WYE(KES)-Versionen. Die KEB und KES Dreiphasen-Universal-EMI-Filter von TE verfügen über Gabel-, Bolzen- oder stoßfeste Anschlüsse mit einem Strombereich von 1 A bis 150 A und einem maximalen Dauerbetriebsbereich von 440 VAC / 520 VAC. Zu den Applikationen gehören Industrieautomatisierung, HLK, Gleichrichter und CNC-Maschinen (Computer Numerical Control, CNC).Merkmale
- Einzelzustand, Dreidraht-Delta (KEB) oder 4-Draht-WYE (KES)
- Flach-, Bolzen- oder stoßfeste Anschlüsse
- Universal (dreiphasig mit neutral)
- Standard-Dämpfungsleistung
- Chassisbefestigung
- UL-anerkannt und CSA-zertifiziert
Applikationen
- Industrieautomatisierung
- HLK
- Gleichrichter (KEB)
- CNC-Maschinen (KES)
Technische Daten
- Maximale ununterbrochene Betriebsspannung: 440 VAC oder 520 VAC
- 1 A bis 150 A bei +40 °C Nennstrom
- Betriebsfrequenz: 50 Hz oder 60 Hz
- -25 °C bis +85 °C Betriebstemperaturbereich
KEB – Schaltplan
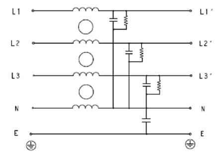
KES – Schaltplan
Veröffentlichungsdatum: 2020-09-16
| Aktualisiert: 2024-10-09
