EPCOS / TDK CarXield B84252 Leistungs-EMV-Filter

Die TDK CarXield B84252 Power EMC- Filter wurden entwickelt, um eine hervorragende EMI- Unterdrückung in Applikationen zu gewährleisten. Der B84252A0200A000 bietet eine Nennspannung von 500 VDC und einen Nennstrom von 200 A bis 400 A, während der B84252B0400A000 eine Nennspannung von 1.000 VDC und einen Nennstrom von 400 A bietet. Beide Filter bieten eine hohe Dämpfung und kompakte Designs. CarXield-Filter sind ideal für die Unterdrückung von EMI-Störungen und gewährleisten den zuverlässigen Betrieb empfindlicher Geräte, indem sie Gleichtakt- und Gegentaktstörungen wirksam unterdrücken. TDK CarXield B84252 Power EMC Filter verfügen über eine passive Entladungsschaltung, eine einfache Installation, ein kompaktes Design und sind für raue Umgebungsbedingungen geeignet.

Merkmale

  • Passive Entladungsschaltung
  • Einfach und schnell zu installieren
  • Kompaktes Design
  • Raue Umgebungsbedingungen
  • Verwendete Y2-Kondensatoren
  • Verwendete X2-Kondensatoren (nur B84252A0200A000)

Applikationen

  • Verschiedene Topologien
    • Motorwechselrichter
    • Batterie
  • EMI-Rauschunterdrückung
  • Nutz- und Beifahrer-Elektrofahrzeuge

Technische Daten

  • Gemeinsamer
    • -40 °C bis +85 °C Betriebstemperaturbereich
    • IP00-Schutzart
    • UL 94 V-0 Brennbarkeitsklasse
    • Metallgehäuse/Kunststoffabdeckung
    • Hergestellt mit nanokystallinen Kernen
    • RoHS-, REACH- und GADSL-Kompatibilität
  •  B84252A0200A000
    • Nennspannung: 500 VDC
    • Nennstrom: 200 AA bis 400 AA
  • B84252B0400A000
    • Nennspannung: 1.000 VDC
    • 400 A Nennstrom

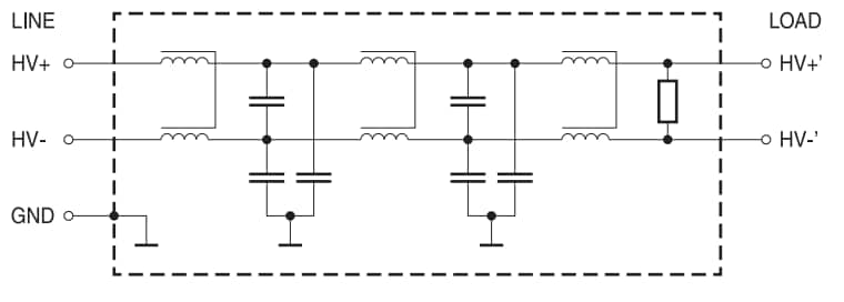
Typisches Schaltdiagramm

Applikations-Schaltungsdiagramm - EPCOS / TDK CarXield B84252 Leistungs-EMV-Filter

Videos

Veröffentlichungsdatum: 2025-05-08 | Aktualisiert: 2025-12-19