EPCOS / TDK HVC45 Hochspannungs-Schaltschütze
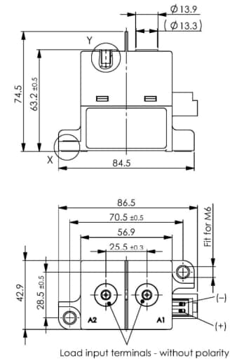
EPCOS / TDK HVC45 Hochspannungs- Schaltschütze zeichnen sich durch ein robustes Design aus und sind für Hochspannungs-DC-Schaltanforderungen in rauen Umgebungen ausgelegt. Diese gasgefüllten Schaltschütze bieten Hauptanschlüsse ohne Polarität und eine hohe Kurzschlussstrombelastbarkeit von bis zu 12 kA. Zu den Merkmalen für die HVC45 Schaltschütze gehören ein Nennstrom von 250 A oder 300 A, ein Betriebstemperaturbereich von -40 °C bis +85 °C und Abmessungen von 74,5 mm x 84,5 mm x 42,9 mm. Die HVC45 Hochspannungsschütze von EPCOS / TDK eignen sich für verschiedene Applikationen, wie z. B. Automotive-Traktionsbatteriesysteme und DC- Schnellladestationen.Merkmale
- Gasgefüllt
- Hauptanschlüsse ohne Polarität (bidirektional)
- Hohe Kurzschlussfestigkeit
- Robustes Design
Applikationen
- Traktionsbatteriesysteme in Fahrzeugen
- DC-Schnellladestationen
Technische Daten
- Bis zu 12 kA Kurzschlussfestigkeit
- 1 A Kontaktanordnung
- 250 A oder 300 A Nennstrom
- IP40-Schutzklasse
- Maximale Betriebsspannung: 1.000 VDC
- Isolierwiderstand: ≥1 GΩ
- 6 W Leistung bei Nennspannung
- -40 °C bis +85 ° Betriebstemperaturbereich
- Abmessungen: 74,5 mmm x 84,5 mmm x 42,9 mmm
Abmessungen
Veröffentlichungsdatum: 2024-10-28
| Aktualisiert: 2025-12-16
