STMicroelectronics TSX582 Dualer Operationsverstärker

Der TSX582 Dual-Operationsverstärker von STMicroelectronics verfügt über eine hohe Spannungs- und Strombelastbarkeit mit internem Schutz gegen Übertemperatur und Überstrom. Der dual-Operationsverstärker mit Verstärkungsfaktor 1 bietet eine verbesserte ESD- und HF-Rauschimmunität.

Der TSX582 Verstärker von STMicroelectronics gibt typischerweise bis zu 200 mA pro Kanal aus, um induktive Lasten mit niedrigem Widerstand, wie z. B. WinkelResolver, Line-Out-Kabel und Piezo-Betätiger anzusteuern. Die zwei Hochstrom-Ausgangsverstärker des TSX582 können Lasten direkt im Bridge-Tied-Modus oder parallel geschaltet ansteuern, wodurch der Ausgangssenken-/Quellstrom verdoppelt wird.

Der TSX582 ist in einem PowerSO-8-Gehäuse mit einem freiliegenden Pad untergebracht und für Fahrzeuganwendungen in einem Temperaturbereich von -40 °C bis +125 °C qualifiziert.

Merkmale

  • 5 V bis 16 V Versorgungsspannung
  • Hoher Ausgangsstrom von 200 mA
  • Rail-to-Rail-Ausgang, niedriger Rail-Eingang
  • Verstärkungs-Bandbreitenprodukt: 3 MHz
  • Hohe Anstiegsrate: 2V/μs
  • Interne thermische Abschaltung und Ausgangsstrombegrenzer
  • Verbesserte HF-Rauschimmunität
  • Hohe Toleranz an ESD: 4 kV HBM
  • -40 °C bis +125 °C erweiterter Temperaturbereich
  • Automobilstandard
  • Rauscharm: 45 nV/√Hz bei 1 kHz
  • ICC (typ.) = 2,3 mA
  • Stabile Verstärkung
  • Niedriges Offset 2,4 mV max. (25 °C)/3 mV max. (vollständiger Temperaturbereich)
  • Geringer Eingangsruhestrom

Applikationen

  • Servo-Treiber
  • Ventiltreiber
  • DC-Netzteil, AC-Quelle
  • Tragbare Messgeräte
  • Leitungstreiber
  • Motorsteuerung
  • Winkel-Resolver
  • LED-Treiber
  • Industrielle Prozesssteuerung

Pin-Konfiguration

STMicroelectronics TSX582 Dualer Operationsverstärker

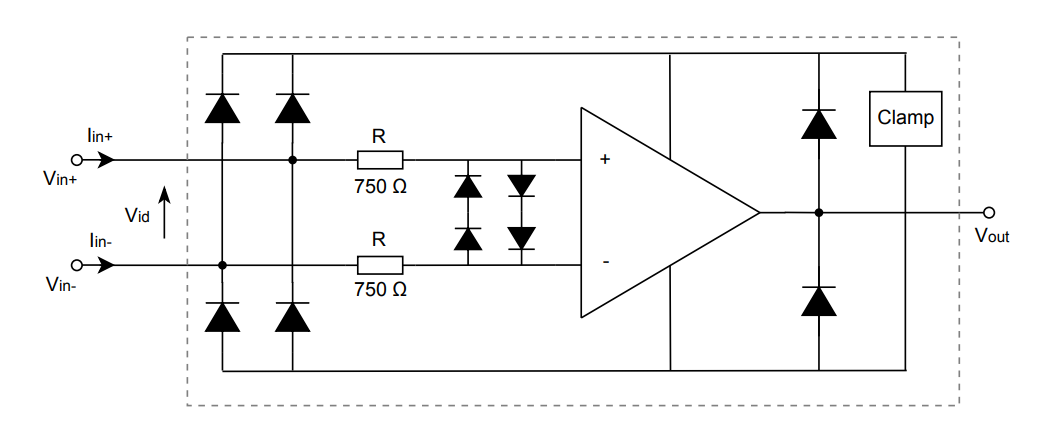
Äquivalente interne ESD- und Eingangsschutzschaltung

Schaltungsanordnung - STMicroelectronics TSX582 Dualer Operationsverstärker
Veröffentlichungsdatum: 2025-03-24 | Aktualisiert: 2025-04-09