STMicroelectronics STPM098C Digitaler Dual-8-Phasen-Controller

Der STPM098C digitale Dual-8-Phasen-Controller von STMicroBLUETOOTH  ist ein digitaler Dual-loop-Mehrphasen-Abwärtsregler mit integriertem nichtflüchtigem Speicher (NVM) und einer PmBus™ -Schnittstelle für Fahrzeuganwendungen. Der STPM098C wird verwendet, um die Leistung von Lasten zu verwalten, die eine hohe Leistung erfordern, wie z. B. Prozessorkerne und Speicher. Es steuert bis zu acht externe Treiber+MOS und ermöglicht mit seinen zwei Schleifen die Versorgung von   bis zu zwei verschiedenen Spannungen. Eine fortschrittliche Regelschleifenarchitektur basierend auf einem COT-Schema (constant on-time, COT) bietet schnelle Einschwingzeiten und einen hohen Wirkungsgrad. Darüber hinaus enthält das Bauteil eine Phasenverschachtelung und einen dynamischen Phasenabfall für eine Verbesserung des Wirkungsgrads für leichte Lastbereiche.

Der STPM098C von STMicroelectronics unterstützt eine ver.1.2-konforme PMBus-Kommunikation mit acht möglichen Schnittstellen-Adresswerten für die Meldung der Telemetrie von Spannung, Strom, Leistung, Temperatur und Fehlersignalisierung. Programmierbare Parameter können über die PMBus-Schnittstelle konfiguriert und in einem on-chip-NVM gespeichert werden, wodurch Externe Komponenten reduziert werden. Darüber hinaus bietet der STPM098C ein umfangreiches Überwachungssystem und Fehlerschutz, einschließlich unabhängiger Unter-/Überspannung (UV/OV) auf der Ausgangsspannung, Schleifenrückkopplungstrennung, Phasenstrom-Entbalancierung und Dual-Schwellwert-Überstrom für sowohl positive als auch negative Phasenströme.

Merkmale

  • Schutz und Diagnose:
    • PmBus™ Lesbare Eingangstelemetrie (Spannung, Strom, Leistung)
    • PMBus-konfigurierbare Überstrom-, Unterspannungs- und Überleistungs-Diagnosefunktionen und Schutz auf Eingangs-Metriken
    • PMBus-lesbare Ausgangstelemetrie (Spannung, Strom, Temperatur) für jede Schleife
    • PMBus-konfigurierbare Unter-/Überstrom-, Unter-/Überspannungsdiagnose und Schutz auf Ausgangsmetriken für jede Schleife
    • PMBus-konfigurierbare thermische Warnung und thermische Abschaltdiagnose und Schutz auf der Endstufe für jede Schleife
    • PMBus-lesbare einphasige Strom-Telemetrie
    • PMBus-konfigurierbare einphasige Überstromdiagnose und -schutz
    • PMBus-konfigurierbarer Allzweck-UV-/OV-Diagnose-gründlicher pin AUX _ SENSE
    • Rückkopplungsschleifen-Unterbrechungsdiagnose
    • Interne Übertemperaturdiagnose und -schutz
    • PMBus-lesbare Tj-Messung
    • Erdungsverlust-Diagnosefunktionen
    • Systemtaktüberwachung
    • Stromversorgungs-Pins VCC, VREF1, VREF2 Überspannungs- und Unterspannungsdiagnose
    • Fehlerstatus-flag-Ausgang über SM _ ALER-, FAULT-, VRRDY1- und VRRDY2-pins
  • AEC-Q100-qualifiziert
  • Phasenzuordnung zwischen zwei Schleifen: 8 + 0 bis 4 + 4
  • 0,5 V bis 2 V Ausgangsspannungsbereich
  • 4,75 V bis 5,25 V Betriebsspannungsbereich
  • Schaltfrequenzbereich: 200 kHz bis 1,5 MHz
  • Programmierbarer dynamischer Phasenabwurf-Betrieb für leichte Lasten und aktive Dioden-Emulation für sehr geringe Lasten
  • Digitaler Hochleistungs-Regelkreis
  • Embedded CPU ARM Cortex™ M0 + bei 40 MHz
  • Embedded-NVM
  • PmBus™ Rev. 1,2 (400 kHz Maximale Frequenz)
  • -40 °C bis +125 °C Betriebstemperaturbereich
  • Sperrschichttemperaturbereich: -40 °C bis +150 °C
  • Vollständig ISO26262-konform, ASIL-D-System-bereit
  • 7.0 mm x 7.0 mm x 0,9 mm, VFQFN 48 + 4 L-Gehäuse

Applikationen

  • FAS-Systeme
  • Hochleistungs-Mikroprozessoren
  • DDR-Speicher

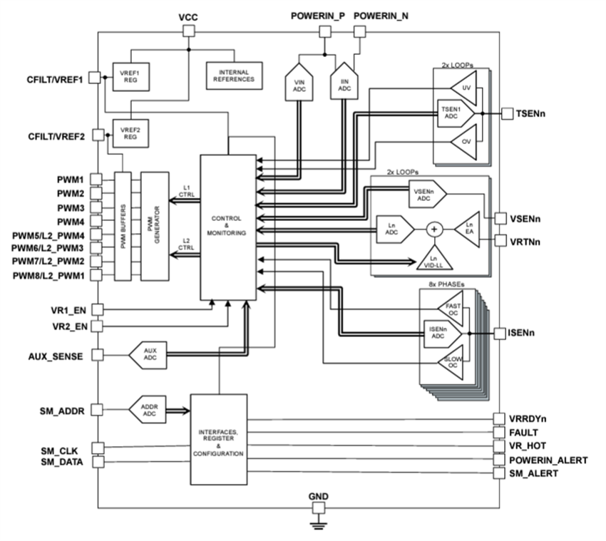
Vereinfachtes Blockdiagramm

Blockdiagramm - STMicroelectronics STPM098C Digitaler Dual-8-Phasen-Controller

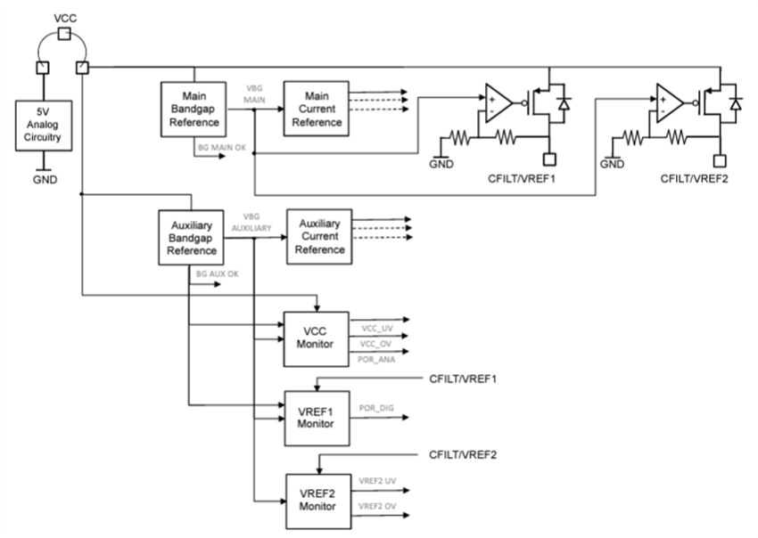
Internes Netzteil Vereinfachtes Blockdiagramm

Blockdiagramm - STMicroelectronics STPM098C Digitaler Dual-8-Phasen-Controller

Das VCC -Netzteil ist der Hauptstromeingang des STPM098C. Die VCC -Schiene startet die Einschalt- und Ausschaltsequenzen, indem die nachfolgenden internen Schaltungen (d. h. Bandlücken, Überwachungseinheiten und interne Regler-Regelkreise) eingespeist werden. Ausgehend vom VCC -Pin werden die Referenzstrukturen in zwei unabhängige Instanzen repliziert, um gängige Ursachenausfälle (ein Haupt- und ein Hilfs-) zu vermeiden.

VREF1 Regler Vereinfachtes Blockdiagramm

STMicroelectronics STPM098C Digitaler Dual-8-Phasen-Controller

Die interne Versorgungsschiene für den digitalen Core des STPM098C wird von einem strombegrenzten LDO-Regler mit einer PMOS-Endstufe und einer externen Speicherkapazität, die vom VCC -Pin versorgt wird, erzeugt. Darüber hinaus ist der VREF1 -Regler als Referenzspannung für bis zu acht externe DrMOS-Strommess-Analogausgänge ausgelegt.

VREF2-Regler Vereinfachtes Blockdiagramm

Blockdiagramm - STMicroelectronics STPM098C Digitaler Dual-8-Phasen-Controller

Die interne Versorgungsschiene für den PWM-Ausgangspuffer wird von einem strombegrenzten LDO-Regler mit einer PMOS-Ausgangsphase und einer externen Speicherkapazität erzeugt, die vom VCC -Pin versorgt wird. Der VREF2 -Regler ist als Versorgungsspannung für externe pull-up-Widerstände (4,7 kΩ) der PMBus-pins SM _ DATA, SM _ CLK und SM _ ALERT ausgelegt.

Veröffentlichungsdatum: 2024-11-26 | Aktualisiert: 2025-01-08